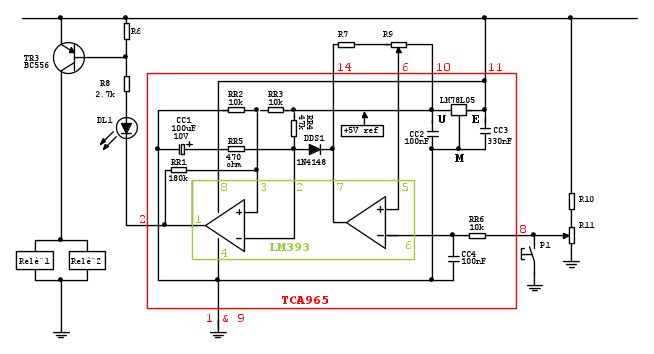
gianniniivo ha scritto:Va bene, se hai fatto i calcoli e quello è il risultato non so cosa dire, io ho misurato con 2 amperometri, boh, sicuramente le resistenze hanno influito ma la corrente misurata era quella che ho descritto.
Non ho dubbi sui valori che hai letto, ho solo detto che però non sono reali perché dipendenti dal valore delle resistenze che hai messo in serie, nel circuito definitivo non ci saranno le resistenze in serie, se avessi utilizzato resistenze di valore più piccolo in modo da far cadere molta meno tensione allora sarebbero stati più veritieri.
gianniniivo ha scritto:Per gli SSR posso confermare che la tensione di alimentazione va da 3 a 32V, è anche documentato sugli SSR stessi. Però guarda che gli SSR, anche se erano alimentati a 3V funzionavano normalmente e la batteria andava in carica regolarmente, senza alcuna soglia ovviamente.
Bene, i relè sono adatti, però nella tua prova eri in una condizione limite: i relè erano comandati con la tensione minima al di sotto della quale si sarebbero spenti e sarebbe stato sufficiente un piccolo abbassamento della tensione di partenza (12V) per farli spegnere quando invece occorre essere certi che restino accesi con qualsiasi tensione della batteria compresa tra le due soglie impostate con i trimmer e anche un po' oltre.
Senza quelle resistenze in serie verranno comandati a piena tensione e quel rischio non ci sarà.
gianniniivo ha scritto:Il test che mi hai detto di eseguire con il transistor e tra i pin 1 e 2...
Il transistor non va messo tra i pin 1 e 2...
gianniniivo ha scritto:FidoCad, per me è un problema in più...
Vedrai che invece lo troverai comodo

Elettrotecnica e non solo (admin)
Un gatto tra gli elettroni (IsidoroKZ)
Esperienza e simulazioni (g.schgor)
Moleskine di un idraulico (RenzoDF)
Il Blog di ElectroYou (webmaster)
Idee microcontrollate (TardoFreak)
PICcoli grandi PICMicro (Paolino)
Il blog elettrico di carloc (carloc)
DirtEYblooog (dirtydeeds)
Di tutto... un po' (jordan20)
AK47 (lillo)
Esperienze elettroniche (marco438)
Telecomunicazioni musicali (clavicordo)
Automazione ed Elettronica (gustavo)
Direttive per la sicurezza (ErnestoCappelletti)
EYnfo dall'Alaska (mir)
Apriamo il quadro! (attilio)
H7-25 (asdf)
Passione Elettrica (massimob)
Elettroni a spasso (guidob)
Bloguerra (guerra)





.

