Cos'è ElectroYou | Login Iscriviti

ElectroYou - la comunità dei professionisti del mondo elettrico

Regolatore LDO e stabilizzazione a 5V

Elettronica lineare e digitale: didattica ed applicazioni

Moderatori: Foto Utentecarloc, Foto Utenteg.schgor, Foto UtenteBrunoValente, Foto UtenteIsidoroKZ

2
voti

[31] Re: Regolatore LDO e stabilizzazione a 5V

Messaggioda Foto Utentedavidde » 8 set 2009, 2:00

Ciao brabus,

per chiarezza preciso che la tensione di alimentazione è attualmente prelevata da un alimentatore stabilizzato e il suo valore è di 3,4V.
Ho ricontrollato il segnale dell' oscillatore quando collego il carico, la sua forma rimane identica, non si altera in alcun modo.

Brabus scrive:
Ecco, ti sarei molto grato se potessi provare a cambiare il rapporto fra i condensatori, con la combinazione 33 e 2.2 oppure 33 e 5, così da provare.


Anche secondo me il tuo ragionamento fila ma purtroppo non ho notato alcuna variazione, come collego in uscita alla pompa di carica la resistenza (da 1K) la tensione si abbassa fino a 1,6V indipendentemente dalla capacità dei condensatori e dal rapporto tra di loro. Tra l' altro tenendo presente che Valim è 3,4V ed ogni diodo introduce una caduta di poco più di 0,6V (misurati) si può dedurre che il valore della tensione d' uscita e dato esclusivamente da: (Valim-(3x0,6))= 1,6V cioè da Valim.
Questo indica che l' integrato (già ad 1/5 della corrente che dovremo realmente prelevare) non riesce a mantenere carichi i condensatori.

Effettivamente nel precedente messaggio ho fatto un' errore. E' vero che i fronti di salita e discesa dell' onda quadra sono verticali ma è anche vero che quando collego il carico da 1K la forma d' onda da quadra diventa rettilinea (le creste alte scendono in prossimità di quelle basse). Quando successivamente scollego il carico le creste alte dell' onda quadra ci mettono all' incirca 1secondo per tornare in posizione "normale". Secondo me anche questo è indice del fatto che la corrente erogata dalle porte non sia sufficiente e quindi i condensatori a caricarsi ci mettono troppo.

Cosa ne pensi ? Forse bisognerebbe prelevare i segnali in uscita dal CD40106 e bufferizzarli ...
Avatar utente
Foto Utentedavidde
13,3k 4 9 12
G.Master EY
G.Master EY
 
Messaggi: 4026
Iscritto il: 2 ago 2007, 11:40
Località: Bologna

1
voti

[32] Re: Regolatore LDO e stabilizzazione a 5V

Messaggioda Foto Utentebrabus » 8 set 2009, 10:45

Ciao David :!:

Anche secondo me il tuo ragionamento fila ma purtroppo non ho notato alcuna variazione, come collego in uscita alla pompa di carica la resistenza (da 1K) la tensione si abbassa fino a 1,6V indipendentemente dalla capacità dei condensatori e dal rapporto tra di loro. Tra l' altro tenendo presente che Valim è 3,4V ed ogni diodo introduce una caduta di poco più di 0,6V (misurati) si può dedurre che il valore della tensione d' uscita e dato esclusivamente da: (Valim-(3x0,6))= 1,6V cioè da Valim.
Questo indica che l' integrato (già ad 1/5 della corrente che dovremo realmente prelevare) non riesce a mantenere carichi i condensatori.

(...) quando collego il carico da 1K la forma d' onda da quadra diventa rettilinea (le creste alte scendono in prossimità di quelle basse). Quando successivamente scollego il carico le creste alte dell' onda quadra ci mettono all' incirca 1 secondo per tornare in posizione "normale". Secondo me anche questo è indice del fatto che la corrente erogata dalle porte non sia sufficiente e quindi i condensatori a caricarsi ci mettono troppo.


OK. Direi che questo è un indizio eloquente. Il tempo "di recupero" esageratamente elevato (1 secondo è semplicemente un'eternità) e la deformazione dei fronti dell'onda quadra non lasciano dubbi: è effettivamente colpa dell'integrato, che non eroga la corrente che dovrebbe.
In effetti sono richiesti impulsi di corrente ripidi e ad alta frequenza, l'incubo di ogni circuito a commutazione :mrgreen: . Pazienza, dobbiamo trovare una soluzione.

Cosa ne pensi ? Forse bisognerebbe prelevare i segnali in uscita dal CD40106 e bufferizzarli ...


Sicuramente bisogna pensare a qualcosa di più "performante" in termini di corrente. Io cercherei piuttosto di mantenere "compatto" l'intero circuito, cercando direttamente un'alternativa al 40106.
Anzi, ti chiedo scusa. Stupidamente non ho controllato il datasheet in merito. Leggo solo ora che il 40106 può erogare correnti molto ridotte, arriva a stento ai 10 mA. Qui parliamo di impulsi, largamente più esigenti.

per chiarezza preciso che la tensione di alimentazione è attualmente prelevata da un alimentatore stabilizzato e il suo valore è di 3,4V.


OK. Siamo ai limiti per i circuiti C-MOS, il datasheet indica un limite inferiore di tensione di 3 V, ma non dovremmo avere problemi a riguardo. L'"elevazione" di tensione avviene, anche se solo a vuoto o con un carico di 10 kohm.
Per ora, se sei d'accordo, possiamo concludere che l'idea del 40106 è molto compatta ed economica, ma può funzionare solo per generare tensioni di riferimento o al massimo per circuiti con consumi veramente ridotti.

Ho in mente tre possibili soluzioni:

1) Usare due CD40106, collegando insieme TUTTI gli inverter interni di ogni integrato, in modo da disporre di due "super-inverter", con i quali realizzare il tutto esattamente com'è adesso. Per costruire l'oscillatore possiamo isolare uno degli inverter, e disporre quindi dei seguenti blocchi: un inverter per l'oscillatore, i cinque inverter rimanenti del primo CD40106 messi tutti in parallelo per generare il primo invertitore, e tutti e 6 gli inverter (sempre in parallelo) del secondo CD40106 che costituiranno il secondo invertitore.

2) Valutare la strada "TTL". Il 7414 è identico al CD40106, ma può erogare correnti più sostanziose (il datasheet indica 20 mA). Siamo comunque "sotto" le richieste del circuito, e se la memoria non mi inganna, non si possono mettere il parallelo le uscite dei circuiti TTL allo scopo di ottenere più corrente. Sto cercando delucidazioni in merito.

3) Cercare un sostituto valido.
Pensavo ad un PIC come generatore di clock, e pilotare mediante il PIC dei driver discreti dall'esterno, risparmiando l'oscillatore. Per quanto riguarda il codice del PIC possiamo pensarci insieme (così è la volta buona che rinfresco la memoria). L'obiettivo è sempre quello di mantenere estremamente compatto e robusto il tutto, in modo da "battere" il convertitore boost.

Il problema diventa: che driver possiamo utilizzare? Usando dei MOSFET discreti dobbiamo fare i conti con la tensione di soglia, e lavorando a 3,4 V è un problema. Dovremo alimentare il tutto con i 5 V già stabilizzati (provenienti dall'uscita del convertitore), una volta innescato il ciclo non dovremmo avere problemi di "cali" sulla tensione stabilizzata.
L'alternativa potrebbe essere un driver a BJT.
Per ora possiamo anche usare il 40106 come "generatore di clock", realizzando solamente i driver aggiuntivi.

Mi passa per la testa anche un finalino audio a bassa tensione. Il TDA2822 (finale di potenza audio), ad esempio, può lavorare fino alla tensione minima di 1.8 V, ed erogare una corrente di picco di 1 A all'uscita.

Un'ultima alternativa che mi viene in mente è il 555. Il datasheet indica una corrente massima di 200 mA all'uscita, largamente superiore a quella del 40106. Potremmo usare un 556, che contiene due 555; ne useremmo uno come oscillatore e driver, e l'altro come semplice inverter/buffer.

Quando ci sono troppe idee che saltano per la testa non è un buon segno... :lol:

Che ne dici? :wink:
Alberto.
Avatar utente
Foto Utentebrabus
22,2k 4 11 13
G.Master EY
G.Master EY
 
Messaggi: 3146
Iscritto il: 26 gen 2009, 15:16

2
voti

[33] Re: Regolatore LDO e stabilizzazione a 5V

Messaggioda Foto Utentedavidde » 8 set 2009, 18:49

Beh brabus, le idee non ti mancano di certo :D e questo è sicuramente un bene. Il rovescio della medaglia è che poi bisogna riuscire a scegliere con lucidità e non sempre è facile. Io spesso nella ricerca delle soluzioni più idonee riesco ad ingarbugliarmi clamorosamente :x ...

Ieri dopo averti risposto ho provato anche a collegare più porte in parallelo, sono arrivato a 4 per ogni stadio ma la situazione non è assolutamente migliorata. Probabilmente con tensioni così basse i CD40106 non lavorano bene e non riescono a fornire "nemmeno" i 10mA indicati dal datasheet.

Anche il 556 non è male probabilmente con un solo integrato si riuscirebbe a fare tutto però nasce un' altro problemino. Se l' integrato è a BJT in uscita la corrente è di 150-200mA sia in sink che in source ma richiede una tensione di alimentazione minima di 4,5V mentre se è cmos potrebbe lavorare fino a 2V ma consultando un po do datasheet ho visto che la corrente erogata è bassissima non supera nemmeno i 10mA, quindi siamo da capo.

Per quanto riguarda il PIC io non sono convinto, quello che mi insospettisce non è tanto la programmazione per creare un' oscillazione quanto piuttosto aggiungere altre operazioni; ciò che mi lascia perplesso è il fatto che debba cominciare ad oscillare per riuscire ad auto alimentarsi, è un giochino un po complesso ed anche se penso sia possibile vorrei evitarlo.

Ti dico la verità l' idea dell' integrato audio oltre ad essere molto originale sembra anche avere tutte le carte in regola ... a me non dispiace affatto altrimenti ci dirigiamo verso un operazionale possibilmente rail to rail (tra l' altro a casa devo avere qualcosa di buono).
Avatar utente
Foto Utentedavidde
13,3k 4 9 12
G.Master EY
G.Master EY
 
Messaggi: 4026
Iscritto il: 2 ago 2007, 11:40
Località: Bologna

1
voti

[34] Re: Regolatore LDO e stabilizzazione a 5V

Messaggioda Foto Utentebrabus » 8 set 2009, 19:10

Molto bene, direi :D . Allora, andiamo per punti:

Ieri dopo averti risposto ho provato anche a collegare più porte in parallelo, sono arrivato a 4 per ogni stadio ma la situazione non è assolutamente migliorata. Probabilmente con tensioni così basse i CD40106 non lavorano bene e non riescono a fornire "nemmeno" i 10mA indicati dal datasheet.


Concordo. Direi che abbiamo la prova definitiva del problema. Dobbiamo cambiare strada, completamente.

Per quanto riguarda il PIC io non sono convinto, quello che mi insospettisce non è tanto la programmazione per creare un' oscillazione quanto piuttosto aggiungere altre operazioni; ciò che mi lascia perplesso è il fatto che debba cominciare ad oscillare per riuscire ad auto alimentarsi, è un giochino un po complesso ed anche se penso sia possibile vorrei evitarlo.


OK. Colgo l'occasione per una delucidazione in merito alla batteria: avevamo detto (riprendo il primo post del topic) che la tensione disponibile scende fino a 4 V durante l'utilizzo dello strumento, ma solo sotto sforzo. All'accensione hai comunque 5 V abbondanti, si potrebbe piazzare un diodo "strategico" in modo da alimentare il PIC ed innescare l'oscillazione, che poi si mantiene anche sotto sforzo.
Ad ogni modo, come hai già detto, lasciamo questa decisione per ultima, cerchiamo di concentrarci più sul convertitore in sé.

Alla fine l'amplificatore audio si comporta proprio come un operazionale "grosso", quindi i confronti si giocano sulle tensioni di lavoro e sulle correnti massime.

Sai a cosa pensavo? Il discorso del rail-to-rail. Penso sinceramente che sia un punto cruciale a favore dell'operazionale. Un amplificatore non rail-to-rail non riuscirebbe a caricare completamente il condensatore C2, e non riuscirebbe ad "alzare" completamente il riferimento di C2 durante la carica di C4.

Se in casa hai già degli opamp adatti allo scopo, direi di iniziare da quelli (a proposito, che modelli hai?).
Possiamo configurare gli opamp come semplici invertitori, e pilotarli con l'oscillatore del 40106 già pronto, che tanto funziona benissimo per il nostro scopo, che ne dici David?

Fate i calcoli di quanta corrente serve per caricare i condensatori nell'intervallo di un periodo, poi potete scegliere il tipo di driver.
E' si hai ragione, soltanto che cercavamo di capire quale fosse la capacità dei condensatori da utilizzare. Io scopiazzando un po qua e la mi son fatto l' idea che 10µF a 25-30 kHz dovrebbero bastare ....


Concordo. Fissiamo una volta per tutte la frequenza di lavoro e quindi la capacità, in funzione del ripple ammesso all'uscita. Il calcolo che avevo abbozzato nei post precedenti dovrebbe andar bene, ma abbiamo ancora parecchi gradi di libertà.
Aumentando la frequenza possiamo usare capacità più piccole, ma la corrente da erogare rimane la stessa :!: Sbaglio?

Una riflessione mi era balenata in merito al duty cycle. Non vedo vantaggi nell'imporre un duty cycle diverso dallo 0,5 che stiamo usando. Aumentare o diminuire il duty cycle significa richiedere più corrente al driver durante una delle due fasi rispetto all'altra.
Ne consegue che la corrente "da erogare" al condensatore durante la fase di carica sarà pari alla corrente "erogata" dal medesimo durante la fase di scarica.
Quindi possiamo assumere la corrente di 50 mA (assorbimento della logica di comando) come corrente minima richiesta al circuito di pilotaggio. Conviene inoltre stare un po' larghi, e con questo mi sa che stiamo passando la palla nuovamente al driver ad amplificatore (operazionale o audio).

David, appena hai qualche misura alla mano facci sapere!
Alberto.
Avatar utente
Foto Utentebrabus
22,2k 4 11 13
G.Master EY
G.Master EY
 
Messaggi: 3146
Iscritto il: 26 gen 2009, 15:16

2
voti

[35] Re: Regolatore LDO e stabilizzazione a 5V

Messaggioda Foto Utentedavidde » 9 set 2009, 1:01

Brabus scrive:
Alla fine l'amplificatore audio si comporta proprio come un operazionale "grosso", quindi i confronti si giocano sulle tensioni di lavoro e sulle correnti massime.

Sai a cosa pensavo? Il discorso del rail-to-rail. Penso sinceramente che sia un punto cruciale a favore dell'operazionale. Un amplificatore non rail-to-rail non riuscirebbe a caricare completamente il condensatore C2, e non riuscirebbe ad "alzare" completamente il riferimento di C2 durante la carica di C4.

Se in casa hai già degli opamp adatti allo scopo, direi di iniziare da quelli (a proposito, che modelli hai?).
Possiamo configurare gli opamp come semplici invertitori, e pilotarli con l'oscillatore del 40106 già pronto, che tanto funziona benissimo per il nostro scopo, che ne dici David?


Si sono d' accordo è meglio se gli operazionali sono rail to rail. Ho controllato adesso quelli che ho a casa ma non vanno bene, hanno una corrente d' uscita troppo bassa. Cercando su RS sono saltati fuori questi due modelli, sono entrambi doppi e rail to rail sia in ingresso che in uscita:

TS922IN questo richiede una tensione d' alimentazione singola compresa tra 2,7 e 12V e fornisce una corrente in' uscita di 80mA.

TLV2462CP questo invece richiede una tensione d' alimentazione singola compresa tra 2,7 e 6V e fornisce una corrente in uscita di 175mA.
I 6V di alimentazione massimi non dovrebbero essere un problema visto che verrà alimentato con tensione non superiore ai 5,8V limite che si toccherà soltanto quando la batteria è carica (cioè 6,5 - 0,7 dove 6,5V è la tensione a batteria completamente carica e 0,7V è la caduta sul diodo inserito tra il positivo della batteria e l' ingresso dell' alimentatore).

Eventualmente entrambi possono essere forniti in contenitore miniaturizzato, costano anche molto meno che in versione DIP8.

Come vi sembrano ?

Brabus scrive:
Concordo. Fissiamo una volta per tutte la frequenza di lavoro e quindi la capacità, in funzione del ripple ammesso all'uscita. Il calcolo che avevo abbozzato nei post precedenti dovrebbe andar bene, ma abbiamo ancora parecchi gradi di libertà.
Aumentando la frequenza possiamo usare capacità più piccole, ma la corrente da erogare rimane la stessa Sbaglio?

Una riflessione mi era balenata in merito al duty cycle. Non vedo vantaggi nell'imporre un duty cycle diverso dallo 0,5 che stiamo usando. Aumentare o diminuire il duty cycle significa richiedere più corrente al driver durante una delle due fasi rispetto all'altra.
Ne consegue che la corrente "da erogare" al condensatore durante la fase di carica sarà pari alla corrente "erogata" dal medesimo durante la fase di scarica.
Quindi possiamo assumere la corrente di 50 mA (assorbimento della logica di comando) come corrente minima richiesta al circuito di pilotaggio. Conviene inoltre stare un po' larghi, e con questo mi sa che stiamo passando la palla nuovamente al driver ad amplificatore (operazionale o audio).


Si, il duty cycle lo terrei anch' io al 50%, variarlo non credo porti benefici.
Per la corrente che la pompa di carica deve fornire non scenderei al di sotto degli 80mA, anzi ...
Per la frequenza di lavoro partirei da 25Khz, poi se vediamo che i condensatori lavorano bene proviamo ad aumentare riducendo le capacità.

Cosa ne dite partiamo da qui o avete qualche altra idea ?


Stavo guardando il datasheet del TDA2822 ma non sono riuscito a capire quale sia la tensione massima d' uscita in funzione della tensione d' alimentazione. Non trovando questo dato ho qualche problema a capire se possa andare bene ...
Avatar utente
Foto Utentedavidde
13,3k 4 9 12
G.Master EY
G.Master EY
 
Messaggi: 4026
Iscritto il: 2 ago 2007, 11:40
Località: Bologna

1
voti

[36] Re: Regolatore LDO e stabilizzazione a 5V

Messaggioda Foto Utentebrabus » 9 set 2009, 14:14

E' ottima l'idea di usare un operazionale come oscillatore :!:
Inizialmente non ci avevo pensato, perché ero ancora convinto di doverne testare unicamente le "prestazioni come buffer", ma usando l'operazionale al tempo stesso come oscillatore e come buffer risparmiamo il generatore di clock (e non è poco!). L'uscita dell'opamp è a bassa impedenza quindi non dovremmo avere problemi.

Io ho un TDA2822M a casa, appena ho un secondo (e senza farmi scoprire) provo a montare il circuito e a caricarlo. Provo anche a misurare l'escursione massima di tensione, appena ho qualche dato vi faccio sapere :!:

David, gli operazionali rail-to-rail che hai trovato sembrano molto invitanti. Mi faccio un giro anch'io così mi studio le caratteristiche. Ci aggiorniamo!
Alberto.
Avatar utente
Foto Utentebrabus
22,2k 4 11 13
G.Master EY
G.Master EY
 
Messaggi: 3146
Iscritto il: 26 gen 2009, 15:16

2
voti

[37] Re: Regolatore LDO e stabilizzazione a 5V

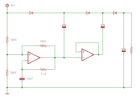
Messaggioda Foto Utentedavidde » 11 set 2009, 15:04

Ciao a tutti,

ecco qua, questo è quello che sono riuscito a fare:

Pompa di carica.png
Pompa di carica.png (3.18 KiB) Osservato 2729 volte


La prima sezione dell' operazionale genera la frequenza dell' oscillatore (con quei valori, R= 3,3K e C= 10n dovrebbe essere all' incirca sui 20KHz) mentre la seconda sezione prelevando il segnale dall' uscita del primo stadio si occupa dell' inversione di fase per la carica del secondo condensatore.

Cosa ne dite secondo voi può funzionare a livello concettuale ?
Avatar utente
Foto Utentedavidde
13,3k 4 9 12
G.Master EY
G.Master EY
 
Messaggi: 4026
Iscritto il: 2 ago 2007, 11:40
Località: Bologna

2
voti

[38] Re: Regolatore LDO e stabilizzazione a 5V

Messaggioda Foto Utentedavidde » 11 set 2009, 16:14

O forse sarebbe meglio così :

Pompa di carica 2.png
Pompa di carica 2.png (2.93 KiB) Osservato 2707 volte
Avatar utente
Foto Utentedavidde
13,3k 4 9 12
G.Master EY
G.Master EY
 
Messaggi: 4026
Iscritto il: 2 ago 2007, 11:40
Località: Bologna

1
voti

[39] Re: Regolatore LDO e stabilizzazione a 5V

Messaggioda Foto Utentebrabus » 11 set 2009, 16:32

Ciao David.

Ho una perplessità riguardo il secondo schema. Il secondo amplificatore operazionale può commutare solo se la tensione all'uscita del primo risulta inferiore al livello "basso" in uscita dal secondo, o superiore al livello "alto".

Essendo i due operazionali molto simili, temo che la commutazione del secondo stadio sia un po' critica.
Inoltre non abbiamo ancora informazioni circa l'andamento della tensione all'uscita del primo stadio.
A causa dell'impedenza d'uscita non nulla, temo che la carica del condensatore seguirà un andamento esponenziale inverso, e non arriverà "subito" al livello "alto" o "basso".

Sto ancora riflettendo sul primo schema, non mi pare che ci siano problemi di sorta riguardo l'oscillazione e la cascata C-D. Nutro qualche perplessità sul condensatore di filtro all'uscita, per le prime prove io proverei a toglierlo ed osservare l'andamento della tensione sul carico R. Dovrebbe essere un segnale continuo con una componente quadra sovrapposta; i fronti dell'onda quadra, in effetti, dovrebbero assomigliare più a dei picchi smussati...

Il mio timore è che il condensatore d'uscita filtri questi picchi, e modifichi la dinamica del circuito (temo che impiegherà il famoso "secondo" a raggiungere la tensione prefissata all'uscita).

In aggiunta, non mi sovviene alcun metodo per dimensionare correttamente quella capacità di filtraggio. Ci devo pensare.

P.S.: Ho il TDA2822 sotto mano, appena accendo il saldatore faccio un prototipo.
Alberto.
Avatar utente
Foto Utentebrabus
22,2k 4 11 13
G.Master EY
G.Master EY
 
Messaggi: 3146
Iscritto il: 26 gen 2009, 15:16

2
voti

[40] Re: Regolatore LDO e stabilizzazione a 5V

Messaggioda Foto Utentedavidde » 11 set 2009, 16:49

Ciao brabus,

il secondo schema lascia dubbioso anche me, lo eviterei anch' io. L' unico vantaggio sarebbe soltanto eliminare due resistenze.

Per quanto riguarda il primo schema andiamo per gradi così forse riusciamo a capire meglio.
Questa sera costruisco il primo stadio soltanto così vediamo praticamente quali siano i risultati.

Comunque secondo me i 20-30 kHz di frequenza d' oscillazione ce li scordiamo a meno di non utilizzare capacità ridottissime ...

Appena ho fatto vi aggiorno.
Avatar utente
Foto Utentedavidde
13,3k 4 9 12
G.Master EY
G.Master EY
 
Messaggi: 4026
Iscritto il: 2 ago 2007, 11:40
Località: Bologna

PrecedenteProssimo

Torna a Elettronica generale

Chi c’è in linea

Visitano il forum: Nessuno e 103 ospiti