Non hai modo di fare due belle foto, una lato componenti e l' altra lato "piste" del circuito ?
Il relé comunque sarebbe il caso di cambiarlo... non dovrebbe danneggiare il transistor perché la versione AC della bobina ha una resistenza di 50ohm e per mantenerlo eccitato serve una corrente di circa 220mA che il BC337 sopporta tranquillamente. Con la versione in DC ti basterebbero però soltanto 70mA.
Se riesci a fare le foto inviale, altrimenti prepara il tester che cominciamo a fare qualche misura...
[EDIT:]
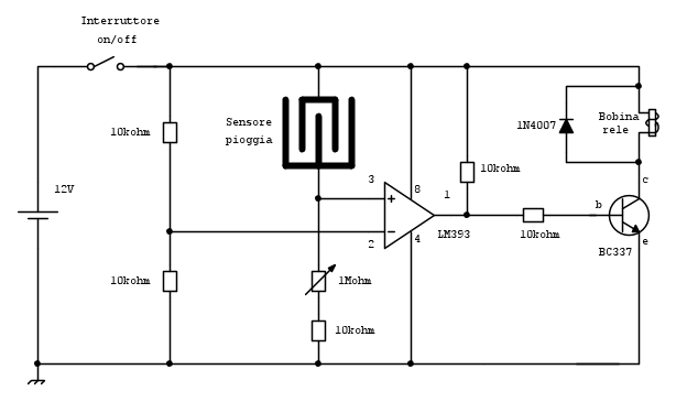
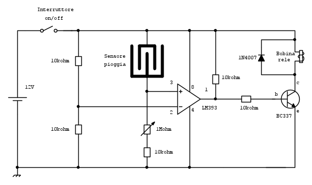
Rispetto allo schema del messaggio [12] mi sono dimenticato di disegnare una cosa importante. Devi aggiungere un diodo in antiparallelo alla bobina del relé per proteggere il transistor durante l' apertura. Ti posto qui sotto lo schema rivisto:
Il diodo è un comunissimo 1N4007 o similare. Puoi trovarlo montato anche su una scheda elettronica di recupero, questa è la sua forma:
sensore a piastra resistiva
Moderatori:
carloc,
g.schgor,
BrunoValente,
IsidoroKZ
0
voti
ciao Davidde
per le foto ci posso provare ma non so se ci si capisce qualcosa che per fare le saldature è stato un po un problema specialmente per LM393.perché il relè si è attivato subito appena ho dato corrente al circuito?è come se il relè fosse attaccato direttamente al trasformatore.perché?ciao grazie 
0
voti
eclisse ha scritto:perché il relè si è attivato subito appena ho dato corrente al circuito?
E come faccio a dirtelo? Le cause possono essere innumerevoli... se hai la possibilità posta le foto.
Hai aggiunto il diodo ?
0
voti
ciao
avevo pensato anche ad un altro modo ossia, mettere un ago
(tipo tester) in assenza di corrente o passaggio di circuito è ferma mentre al passaggio di una qualsiasi minima corrente o comunque chiusura del circuito l'ago si muove nel lato opposto attivando l'altro circuito come in foto si potrebbe fare?ciao grazie
EDIT ADMIN: FOTO INCOMPRENSIBILE CANCELLATA
(tipo tester) in assenza di corrente o passaggio di circuito è ferma mentre al passaggio di una qualsiasi minima corrente o comunque chiusura del circuito l'ago si muove nel lato opposto attivando l'altro circuito come in foto si potrebbe fare?ciao grazie
EDIT ADMIN: FOTO INCOMPRENSIBILE CANCELLATA
0
voti
eclisse ha scritto:ciaoavevo pensato anche ad un altro modo ossia, mettere un ago
E perché ti devi inventare sto sistema complicato?
Quello proposto da davidde non ti piace?
http://millefori.altervista.org
Tool gratuito per chi sviluppa su millefori.
Tutti sanno che una cosa è impossibile da realizzare, finché arriva uno sprovveduto che non lo sa e la inventa. (A. Einstein)
Se non c'e` un 555 non e` un buon progetto (IsidoroKZ)
Strumento per formule
Tool gratuito per chi sviluppa su millefori.
Tutti sanno che una cosa è impossibile da realizzare, finché arriva uno sprovveduto che non lo sa e la inventa. (A. Einstein)
Se non c'e` un 555 non e` un buon progetto (IsidoroKZ)
Strumento per formule
-

posta10100
5.550 4 10 13 - Master EY

- Messaggi: 4832
- Iscritto il: 5 nov 2006, 0:09
0
voti
ciao
POSTA non è che quello di Davidde non mi piace , ma poteva essere un'altra opzione, se mi vengono in mente delle alternative io chiedo a voi se possono essere valide o fattibili.tutto lì.ciao grazie. 
0
voti
perché cercare soluzioni alternative e complesse quando ne hai una semplice e funzionante?
http://millefori.altervista.org
Tool gratuito per chi sviluppa su millefori.
Tutti sanno che una cosa è impossibile da realizzare, finché arriva uno sprovveduto che non lo sa e la inventa. (A. Einstein)
Se non c'e` un 555 non e` un buon progetto (IsidoroKZ)
Strumento per formule
Tool gratuito per chi sviluppa su millefori.
Tutti sanno che una cosa è impossibile da realizzare, finché arriva uno sprovveduto che non lo sa e la inventa. (A. Einstein)
Se non c'e` un 555 non e` un buon progetto (IsidoroKZ)
Strumento per formule
-

posta10100
5.550 4 10 13 - Master EY

- Messaggi: 4832
- Iscritto il: 5 nov 2006, 0:09
0
voti
Scusami eclisse ma ti avevo chiesto, se possibile, di fare delle belle foto o per lo meno comprensibili..... cosa me ne faccio di quelle
? Probabilmente anche tu che l' hai montato guardandole non sapresti dirmi nemmeno i colori delle resistenze.... prendi in mano il tester che forse è meglio ....
Scollega il relè, poi alimenta il circuito:
1- Che tensione misuri mettendo il puntale nero sul pin4 e il rosso sul pin8 dell' integrato?
2- Qualche componente si scalda in modo eccessivo ?
3- Il sensore di pioggia è collegato al circuito ?
Scollega il relè, poi alimenta il circuito:
1- Che tensione misuri mettendo il puntale nero sul pin4 e il rosso sul pin8 dell' integrato?
2- Qualche componente si scalda in modo eccessivo ?
3- Il sensore di pioggia è collegato al circuito ?
0
voti
ciao
scusa per le foto ma è il massimo che ho potuto fare.Ho trovato un errore quindi lo sto rifacendo appena finito lo provo se non dovesse andare faccio come mi hai detto e ti invio i valori della V.ciao grazie 
-----
la tensione tra 4 e 8 è di 6v, però ai terminali del trasformatore hò 9v.l'errore stava nel aver collegato il pin 8 al pin 5.
infatti prima di scollegare il tutto avevo provato e la tensione che mi dava era 0v.l'LM393 è quello che scotta ora cosa devo fare?ciaogrz
-----
la tensione tra 4 e 8 è di 6v, però ai terminali del trasformatore hò 9v.l'errore stava nel aver collegato il pin 8 al pin 5.
infatti prima di scollegare il tutto avevo provato e la tensione che mi dava era 0v.l'LM393 è quello che scotta ora cosa devo fare?ciaogrz
Chi c’è in linea
Visitano il forum: Nessuno e 130 ospiti

Elettrotecnica e non solo (admin)
Un gatto tra gli elettroni (IsidoroKZ)
Esperienza e simulazioni (g.schgor)
Moleskine di un idraulico (RenzoDF)
Il Blog di ElectroYou (webmaster)
Idee microcontrollate (TardoFreak)
PICcoli grandi PICMicro (Paolino)
Il blog elettrico di carloc (carloc)
DirtEYblooog (dirtydeeds)
Di tutto... un po' (jordan20)
AK47 (lillo)
Esperienze elettroniche (marco438)
Telecomunicazioni musicali (clavicordo)
Automazione ed Elettronica (gustavo)
Direttive per la sicurezza (ErnestoCappelletti)
EYnfo dall'Alaska (mir)
Apriamo il quadro! (attilio)
H7-25 (asdf)
Passione Elettrica (massimob)
Elettroni a spasso (guidob)
Bloguerra (guerra)



