Cos'è ElectroYou | Login Iscriviti

ElectroYou - la comunità dei professionisti del mondo elettrico

Barriera laser

Elettronica lineare e digitale: didattica ed applicazioni

Moderatori: Foto Utentecarloc, Foto Utenteg.schgor, Foto UtenteBrunoValente, Foto UtenteIsidoroKZ

0
voti

[31] Re: Barriera laser

Messaggioda Foto Utentecarsco » 4 set 2010, 23:42

cinque ha scritto:
Io sono un fotografo che vuole far scattare il lampo quando passa il proiettile.

Se vuoi ti "segnalo" subito a chi di dovere, giusto per avere qualche "dritta" in più. Che ne dici?


Spiega questo lampo di genio improvviso...
Non sapevo che il forum fosse pieno di buontemponi. =D>
Avatar utente
Foto Utentecarsco
3 1 7
Frequentatore
Frequentatore
 
Messaggi: 224
Iscritto il: 3 set 2010, 0:56

0
voti

[32] Re: Barriera laser

Messaggioda quenci » 4 set 2010, 23:57

Beh. Che c'è? Sei già agitato?
quenci
327 2 4 5
---
 

0
voti

[33] Re: Barriera laser

Messaggioda Foto Utentecarsco » 5 set 2010, 0:00

cinque ha scritto:Beh. Che c'è? Sei già agitato?


Tranquillissimo.
Pensa che ho anche la coppola e coltivo l'erba in Sicilia.
Avatar utente
Foto Utentecarsco
3 1 7
Frequentatore
Frequentatore
 
Messaggi: 224
Iscritto il: 3 set 2010, 0:56

0
voti

[34] Re: Barriera laser

Messaggioda Foto UtenteIvan_Iamoni » 5 set 2010, 0:52

Calmiamo gli animi ragazzi.
Cinque , fotografare un proiettile non mi sembra una cosa fuorilegge , gli studi di balistica esistono da quando esistono le armi da fuoco.
Poi se lui lo ha descritto fino da subito , denota la chiara intenzione a non nasconderci nulla.

Relax... :lol:
Avatar utente
Foto UtenteIvan_Iamoni
5.336 6 10 12
Utente disattivato per decisione dell'amministrazione proprietaria del sito
 
Messaggi: 2330
Iscritto il: 22 ott 2006, 18:45

1
voti

[35] Re: Barriera laser

Messaggioda Foto Utentedavidde » 5 set 2010, 12:21

Ciao, ho tardato perché ci ho dovuto pensare un po' su....

carsco ha scritto:Ora la domanda e': questa resistenza cosi' alta non dara' noie alla stabilita' di tutto?


Sicuramente sì, una resistenza da 4,7Mohm non è una buona idea, meglio ripiegare su qualcosa di più affidabile.

carsco ha scritto:Inoltre: la velocita' di commutazione sara' sempre quella del diodo IR pur essendo cosi' semplice lo schema?


Anche se non ne sono certo penso proprio che anche la velocià di commutazione del diodo venga rallentata.

A questo punto direi che l' unica soluzione che potrebbe rivelarsi valida è quella di montare il fotodiodo in un convertitore corrente-tensione e poi attraverso un comparatore di soglia inviare l' impulso al 4001.
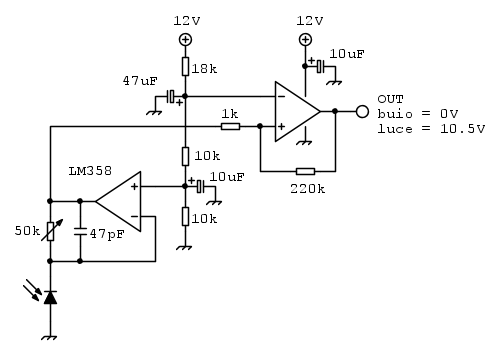
Visto che non so che operazionali hai ti proprongo uno schema con l' LM358 che è uno dei più comuni, per ora ti mando soltanto la parte realativa al convertitore, poi la sistemiamo e infine aggiungiamo il comparatore di soglia:



In poche parole il circuito sopra converte la corrente generata dal fotodiodo (che dipende dall' intensità e dalla lunghezza d' onda del fascio che colpisce la superficie sensibile del componente) in un livello proporzionale di tensione. La velocità di risposta aumenta e hai il vantaggio di poter pilotare il carico con una bassa impedenza.
Il valore di Rx va trovato sperimentalmente. Posiziona il trasmettitore alla giusta distanza e cura l' allineamento in modo da riportarti nelle condizioni più prossime a quelle di utilizzo del dispositivo.
Fatto ciò parti con un valore di Rx pari a 1Mohm. Devi osservare la luce del diodo led che si accende (anche fiocamente) quando il fascio laser illumina il fotodiodo e si deve spegnere quando interrompi il fascio. Se vedi che con 1Mohm funziona bene prova a ridurre il valore della resistenza fino a quando il comportamente dell' uscita rimane accettabile.

Se hai dei dubbi fammi sapere.
Avatar utente
Foto Utentedavidde
13,3k 4 9 12
G.Master EY
G.Master EY
 
Messaggi: 4026
Iscritto il: 2 ago 2007, 11:40
Località: Bologna

0
voti

[36] Re: Barriera laser

Messaggioda Foto Utentecarsco » 5 set 2010, 12:52

davidde ha scritto:Anche se non ne sono certo penso proprio che anche la velocià di commutazione del diodo venga rallentata.


L'altra cosa che ho notato e' che non posso caricare niente sul circuito, nemmeno il monostabile fatto col 4001.
Appena collego l'uscita del tuo circuito all'ingresso del monostabile la tensione presente cala di botto a 0.3V e non c'e' modo di ripristinare il funzionamento variando il trimmer in serie al diodo.


A questo punto direi che l' unica soluzione che potrebbe rivelarsi valida è quella di montare il fotodiodo in un convertitore corrente-tensione e poi attraverso un comparatore di soglia inviare l' impulso al 4001.


E' una buona idea.
Fra l'altro un mio amico mi ha consigliato uno schema simile, sempre con LM358, magari un po' piu' complesso.
Eccolo qui di seguito.



(in questo schema l'uscita e' negata, non e' proprio come mi serve)

Visto che non so che operazionali hai ti proprongo uno schema con l' LM358 che è uno dei più comuni, per ora ti mando soltanto la parte realativa al convertitore, poi la sistemiamo e infine aggiungiamo il comparatore di soglia:


A casa ho sia i 741 che i 358.
Provero' entrambi i circuiti col 358.


Devi osservare la luce del diodo led che si accende (anche fiocamente) quando il fascio laser illumina il fotodiodo e si deve spegnere quando interrompi il fascio.
Se hai dei dubbi fammi sapere.


Si', una domanda: la tensione in uscita dal 358 (che va al led rosso) e' proporzionale all'intensita' della luce che colpisce il fotodiodo?
Oppure puo' assumere due stati? (presumo la prima).

Se e' cosi' dovrei trovare il valore di R che mi dia in uscita (con fotodiodo illuminato) un livello di tensione tale da essere interpretato come 1 dal monostabile che e' alimentato a 9V (quindi presumo sopra i 6V).
Dico bene?
Avatar utente
Foto Utentecarsco
3 1 7
Frequentatore
Frequentatore
 
Messaggi: 224
Iscritto il: 3 set 2010, 0:56

0
voti

[37] Re: Barriera laser

Messaggioda Foto Utentedavidde » 5 set 2010, 13:08

carsco ha scritto:Si', una domanda: la tensione in uscita dal 358 (che va al led rosso) e' proporzionale all'intensita' della luce che colpisce il fotodiodo?Oppure puo' assumere due stati? (presumo la prima).


Esatto la prima. Io stavo cercando di andare per gradi perché non conoscendo ne le caratteristiche ne del laser ne del fotodiodo diventa difficile prenderci. Il circuito che ti ho postato io è soltanto la prima parte alla quale andrebbe poi fatto seguire un comparatore di soglia per fare assumere all' uscita soltanto i due stati che ti servono.

Io dal mio piccolo ti consiglio vivamente di andare per gradi, già siamo in condizioni limite (in un progetto serio non si parte mai senza conoscere le sigle dei componenti) se poi tiriamo a prenderci anche con il convertitore il risultato penso proprio non sarà un gran che. Quando costruisci lo schema che ti ho postato segui le indicazioni e partendo da 1Mohm scendi lentamente con il valore di Rx.
Per il momento fregatene della tensione d' uscita, verifica soltanto che il led si illumini quando il fascio è puntato sul fotodiodo e che si spenga quando il fascio è interrotto.
Avatar utente
Foto Utentedavidde
13,3k 4 9 12
G.Master EY
G.Master EY
 
Messaggi: 4026
Iscritto il: 2 ago 2007, 11:40
Località: Bologna

0
voti

[38] Re: Barriera laser

Messaggioda Foto Utentecarsco » 5 set 2010, 13:17

davidde ha scritto:Quando costruisci lo schema che ti ho postato segui le indicazioni e partendo da 1Mohm scendi lentamente con il valore di Rx.


E' chiaro.
Avrai notizie a breve, credo domani sera.
Intanto grazie, come sempre.
Avatar utente
Foto Utentecarsco
3 1 7
Frequentatore
Frequentatore
 
Messaggi: 224
Iscritto il: 3 set 2010, 0:56

0
voti

[39] Re: Barriera laser

Messaggioda Foto Utentecarsco » 5 set 2010, 13:31

Si spara al poligono con armi di precisione, mica andiamo a far baldoria come e' abituato qualcun altro qui... :lol:

Il raggio piu' e' piccolo e meglio e', in modo da generare buio completo sul diodo rivelatore al passaggio del proietto.
Per questo ho abbandonato l'idea dell'emettitore IR che ha un suo cono di luce.

Il ogni caso l'idea non era di fotografare anche il proiettile, ma gli effetti che produce al suo passaggio dentro un oggetto.
Se poi c'e' anche il proiettile, tanto meglio.
Non a caso ho implementato, sulla main board che attiva i flash, anche una linea di ritardo per posticipare i lampi dal momento del trig (fino a qualche millesimo di secondo).

Guarda questo video, per esempio:

Avatar utente
Foto Utentecarsco
3 1 7
Frequentatore
Frequentatore
 
Messaggi: 224
Iscritto il: 3 set 2010, 0:56

0
voti

[40] Re: Barriera laser

Messaggioda Foto UtenteTardoFreak » 5 set 2010, 16:27

Intercettare sicuramente un proiettile di pochi millimetri in traiettoria con un raggio di dimensioni minime è l' ultimo dei problemi. Ci sono molti sistemi per farlo (banchi ... distanze). A 2/3 metri di distanza lo faccio anche a mano. :wink:
E mi sono tenuto sul sicuro. Ad esempio nelle gare di P10 si tira in posizione accademica (con una mano sola), con arma corta (da qui la P) a 10 m. E' normale centrare una monetina da 10 centesimi. In C10 (con la carabina) il "10" e' microscopico.
Le medie dei tiri vanno dal 9,2 in su. 8)
"La follia sta nel fare sempre la stessa cosa aspettandosi risultati diversi".
"Parla soltanto quando sei sicuro che quello che dirai è più bello del silenzio".
Rispondere è cortesia, ma lasciare l'ultima parola ai cretini è arte.
Avatar utente
Foto UtenteTardoFreak
73,9k 8 12 13
-EY Legend-
-EY Legend-
 
Messaggi: 15754
Iscritto il: 16 dic 2009, 11:10
Località: Torino - 3° pianeta del Sistema Solare

PrecedenteProssimo

Torna a Elettronica generale

Chi c’è in linea

Visitano il forum: Google Adsense [Bot] e 70 ospiti