da
simo85 » 29 dic 2010, 13:05
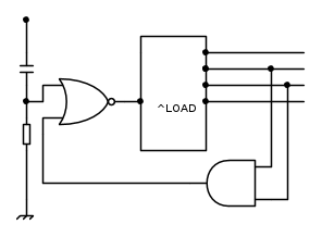
Questa caratteristica, utile nel conteggio, non aiuta nel preset iniziale.
Lo so.
A quanto sembra ho risolto stanotte, con un diodio tra il 555 ed il contatore, cui funzionamento si appoggia alla R da 10 K fra il negativo, lo switch ed il contatore.
In questa maniera quando si accende il circuito il clock si attiva per un istante passando a 1.
In questo modo, quando lo switch è aperto, fra di esso, la R da 10k e l'anodo del diodo c'è uno stato logico basso, mentre con lo switch chiuso viene permesso il passaggio del segnale tra il pin 3 ed il CLK del contatore..
Lo zero iniziale si vedrebbe per una piccola frazione di secondo, ma con 2 OR tra bit0, bit 1 e bit2 (sequenza 000) attiviamo il Blank Input.
Allego uno zip con l'immagine del progetto.
Mi farebbe piacere sapere cosa ne pensate
