Cos'è ElectroYou | Login Iscriviti

ElectroYou - la comunità dei professionisti del mondo elettrico

Comprensione circuito

Elettronica lineare e digitale: didattica ed applicazioni

Moderatori: Foto Utentecarloc, Foto Utenteg.schgor, Foto UtenteBrunoValente, Foto UtenteIsidoroKZ

0
voti

[31] Re: Comprensione circuito

Messaggioda Foto Utentedarkweader » 19 mar 2012, 23:25





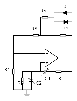
Fissate C_1=C_2= 44pF allora

La spiegazione che posso dare io al perché R3 vada scelta di valore basso è la seguente,

ricordo da compatibilità elettromagnetica che il comportamento reale di un resistore è influenzato dagli effetti parassiti, considerando che alla frequenza massima di 10 MHz tali effetti sono consistenti, non sto a postare il modello reale di una resistenza, tanto voi lo conoscete meglio di me, il range di frequenze per cui il resistore ha un comportamento reale è molto ridotto
\frac{1}{2 3.14 R C_par}
idealmente quindi per aumentare il range di frequenze in cui gli effetti parassiti non influenzino il comportamento del resistore, devo utilizzare valori di R relativamente piccoli?

può andare come spiegazione da dare per tale dimensionamento?

in ogni caso in tale circuito R3* diventa la resistenza equivalente, che varia a seconda che i diodi conducano, entrambi, uno solamente, o nessuno dei due.

le condizioni sono appunto:

\frac{R_6+R_3}{R_4}>2
\frac{R_6+(R_3||R_5)}{R_4}<2
Avatar utente
Foto Utentedarkweader
61 2 7
Frequentatore
Frequentatore
 
Messaggi: 271
Iscritto il: 8 mag 2011, 17:32

1
voti

[32] Re: Comprensione circuito

Messaggioda Foto UtenteDirtyDeeds » 19 mar 2012, 23:43

darkweader ha scritto:quindi per aumentare il range di frequenze in cui gli effetti parassiti non influenzino il comportamento del resistore, devo utilizzare valori di R relativamente piccoli?


Sì.

darkweader ha scritto:che i diodi conducano, entrambi


Che i diodi conducano entrambi la vedo dura ;-)

darkweader ha scritto:le condizioni sono appunto:


A 10 MHz la condizione

\frac{R_6+R_3}{R_4}>2

potrebbe dover essere modificata per tenere conto del fatto che l'opamp non può più essere considerato ideale: il guadagno ad anello aperto si riduce a una decina e c'è uno sfasamento significativo. Poi, c'è da decidere il rapporto R_6/R_3 che è quello che fissa (all'incirca) la tensione di uscita.
It's a sin to write sin instead of \sin (Anonimo).
...'cos you know that cos ain't \cos, right?
You won't get a sexy tan if you write tan in lieu of \tan.
Take a log for a fireplace, but don't take log for \logarithm.
Avatar utente
Foto UtenteDirtyDeeds
55,9k 7 11 13
G.Master EY
G.Master EY
 
Messaggi: 7012
Iscritto il: 13 apr 2010, 16:13
Località: Somewhere in nowhere

0
voti

[33] Re: Comprensione circuito

Messaggioda Foto Utentedarkweader » 19 mar 2012, 23:59

io ovviamente non avevo tenuto conto di nessuna di queste considerazioni!

Avevo solo imposto R_6+R3=250 Ohm e poi approsimativamente determinato tutte le altre resistenze.

Devo trovare errore relativo al guadagno e quindi poi compensare nel dimensionamento?
Avatar utente
Foto Utentedarkweader
61 2 7
Frequentatore
Frequentatore
 
Messaggi: 271
Iscritto il: 8 mag 2011, 17:32

0
voti

[34] Re: Comprensione circuito

Messaggioda Foto UtenteDirtyDeeds » 20 mar 2012, 0:00

E che valori avevi trovato per le resistenze?
It's a sin to write sin instead of \sin (Anonimo).
...'cos you know that cos ain't \cos, right?
You won't get a sexy tan if you write tan in lieu of \tan.
Take a log for a fireplace, but don't take log for \logarithm.
Avatar utente
Foto UtenteDirtyDeeds
55,9k 7 11 13
G.Master EY
G.Master EY
 
Messaggi: 7012
Iscritto il: 13 apr 2010, 16:13
Località: Somewhere in nowhere

0
voti

[35] Re: Comprensione circuito

Messaggioda Foto Utentedarkweader » 20 mar 2012, 0:06

R_6+R_3=250 Ohm R3=150 R6=100
R_4< 125 Ohm e l'ho fissata a 100 ohm
con questi dati mi veniva R_5<300 e ho imposto 250
Avatar utente
Foto Utentedarkweader
61 2 7
Frequentatore
Frequentatore
 
Messaggi: 271
Iscritto il: 8 mag 2011, 17:32

0
voti

[36] Re: Comprensione circuito

Messaggioda Foto UtenteDirtyDeeds » 20 mar 2012, 0:38

Probabilmente un guadagno di 3,5 a 10 MHz non è sufficiente ad innescare l'oscillazione. Se non vuoi fare conti, prova un po' ad aumentare R_3, dovrebbe oscillare.

BTW, cosa usi per innescare l'oscillazione?
It's a sin to write sin instead of \sin (Anonimo).
...'cos you know that cos ain't \cos, right?
You won't get a sexy tan if you write tan in lieu of \tan.
Take a log for a fireplace, but don't take log for \logarithm.
Avatar utente
Foto UtenteDirtyDeeds
55,9k 7 11 13
G.Master EY
G.Master EY
 
Messaggi: 7012
Iscritto il: 13 apr 2010, 16:13
Località: Somewhere in nowhere

0
voti

[37] Re: Comprensione circuito

Messaggioda Foto Utentedarkweader » 20 mar 2012, 0:42

il problema non è l'oscillazione, l'oscillazione parte ma poi si smorza e va a zero, non viene mantenuta, mentre senza il circuito per la stabilizzazione, l'oscillazione si ha e rimane costante.

Per innescare l'oscillazione utilizzo il comando

SKIPBP nell'analisi a transitorio, avevo trovato che dovevo usare UIC( use initial condition) e imporre un potenzioale su uno dei condensatori nella reazione positiva, ma con la prima soluzione funziona, mentra praticamente dovrebbe essere il rumore presente nel circuito d'amplificazione ad innescarla
Avatar utente
Foto Utentedarkweader
61 2 7
Frequentatore
Frequentatore
 
Messaggi: 271
Iscritto il: 8 mag 2011, 17:32

0
voti

[38] Re: Comprensione circuito

Messaggioda Foto UtenteDirtyDeeds » 20 mar 2012, 0:47

darkweader ha scritto:l'oscillazione parte ma poi si smorza e va a zero


Lo so, certo che fa così: hai aumentato R_3?
It's a sin to write sin instead of \sin (Anonimo).
...'cos you know that cos ain't \cos, right?
You won't get a sexy tan if you write tan in lieu of \tan.
Take a log for a fireplace, but don't take log for \logarithm.
Avatar utente
Foto UtenteDirtyDeeds
55,9k 7 11 13
G.Master EY
G.Master EY
 
Messaggi: 7012
Iscritto il: 13 apr 2010, 16:13
Località: Somewhere in nowhere

0
voti

[39] Re: Comprensione circuito

Messaggioda Foto Utentedarkweader » 20 mar 2012, 1:09

Niente, ho riscritto il codice, visto che non lo riesco più a ritrovare, e non mi da gli stessi risultati che mi dava ieri sera, neanche con R3=150... ci rinuncio, il controllo lo farò solo a livello teorico, l'esame è il 21 mattina e devo scrivere ancora tutta la relazione, fare l'analisi di sensibilità, caso peggiore e monte carlo.

Se posso chiederti un'ultima gentilezza, potresti chiarirmi alcune cose su come impostare la progettazione degli stadi successivi? è l'ultimo post in "sine wave generator"

In ogni caso grazie 1000 per la disponibilità, e sopratutto per le ottime spiegazioni sempre chiare e complete.
Avatar utente
Foto Utentedarkweader
61 2 7
Frequentatore
Frequentatore
 
Messaggi: 271
Iscritto il: 8 mag 2011, 17:32

0
voti

[40] Re: Comprensione circuito

Messaggioda Foto Utentedarkweader » 20 mar 2012, 1:56

Sono riuscito a simulare con il circuito di controllo =D>

imponendo R3=300 Ohm :
il risultato non cambia, inoltre la sinusoide non è più simmetrica rispetto allo zero, ed è ridotta sensibilmente in ampiezza, anche se questi non rappresentano un problema, tuttavia l'oscillazione lo è.


R3= 500 Ohm, già non si ha più il problema dell'attenuazione sulle oscillazioni, e ho un ampiezza molto ridotta.
intorno ai 700mV di picco, ma il segnale ci mette molto ad andare a "regime" 14us, la frequenza scende a 9Mhz

R3=600 Vp=1V anche in questo caso, non riesco a raggiungere i 10 MHz come prima, la tensione di picco si stabilizza intorno ai 1.5us

R3=700 Vp=1.1V f\approx 8/9MHz si stabilizza prima di 1us

Come posso fare una stima dell'ampiezza in base a quel controllo? che non ho ben capito.

Tuttavia non posso dire di essere andato a tentativi, come posso giustificare questi risultati?

E poi all'aumentare di R non dovevo avere dei problemi?
Avatar utente
Foto Utentedarkweader
61 2 7
Frequentatore
Frequentatore
 
Messaggi: 271
Iscritto il: 8 mag 2011, 17:32

PrecedenteProssimo

Torna a Elettronica generale

Chi c’è in linea

Visitano il forum: Nessuno e 97 ospiti