Alimentatore per breadboard
Moderatori:
carloc,
g.schgor,
BrunoValente,
IsidoroKZ
0
voti
Ehm, manca il ponte di diodi per il raddrizzamento dell'alternata del secondario del trasformatore ed il condensatore C2 dovrebbe essere un elettrolitico da 470µF (meglio 1000µF) 
-

FedericoSibona
5.022 3 5 8 - Master

- Messaggi: 3951
- Iscritto il: 19 mar 2013, 11:43
0
voti
Lo schema l'ho inserito io, pero' rileggiti le istruzioni per postare in FidoCadj.
Per quanto attiene il circuito, ci sono alcune cose da rivedere, come gia' accennato da
FedericoSibona.
Metterei il condensatore elettrolitico dopo il ponte (che non hai messo) e quello ceramico in uscita; poi un terzo condensatore tra R1 e GND per stabilizzare meglio il circuito ed un paio di diodi di protezione.
Questo e' il minimo sindacale; comunque, prima di andare avanti, ti consiglio la lettura di questo articolo.
P.S. Potenziometri da 2K non ci sono in commercio, dovrai metterlo da 2.2k.
Per quanto attiene il circuito, ci sono alcune cose da rivedere, come gia' accennato da
Metterei il condensatore elettrolitico dopo il ponte (che non hai messo) e quello ceramico in uscita; poi un terzo condensatore tra R1 e GND per stabilizzare meglio il circuito ed un paio di diodi di protezione.
Questo e' il minimo sindacale; comunque, prima di andare avanti, ti consiglio la lettura di questo articolo.
P.S. Potenziometri da 2K non ci sono in commercio, dovrai metterlo da 2.2k.
marco
0
voti
Avendo un po' di tempo ho raffinato/completato un po' il circuito, anche per non dimenticarmi come si usa .
Schema cancellato e ripetuto nei post seguenti.
Schema cancellato e ripetuto nei post seguenti.
Ultima modifica di
FedericoSibona il 4 apr 2014, 18:10, modificato 1 volta in totale.
-

FedericoSibona
5.022 3 5 8 - Master

- Messaggi: 3951
- Iscritto il: 19 mar 2013, 11:43
1
voti
Vi ringrazio pienamente per le risposte ricevute! Chiedo scusa se il circuito non aveva tutti i componenti giusti, ma ho cercato un po' sul web e ho trovato il circuito già fatto cosi'.. L'idea mi era venuta anche perché avevo già un trasformatore e quindi per risparmiare sarebbe stato perfetto, dato che è il componente più costoso. Cercherò di riguardarmi anche l'utilizzo di Fidocadj, grazie ancora a tutti. 
0
voti
Chiedo scusa, ma, per voler fare il fine, ho sbagliato lo schema che ho postato in [34].
Ho praticamente cortocircuitato il condensatore da 10µF e mandato direttamente al riferimento il resistore da 220Ω ed ho dimenticato il pallino sul riferimento.
Qualcuno con i superpoteri potrebbe correggere lo schema o cancellare quel messaggio?
Ho praticamente cortocircuitato il condensatore da 10µF e mandato direttamente al riferimento il resistore da 220Ω ed ho dimenticato il pallino sul riferimento.
Qualcuno con i superpoteri potrebbe correggere lo schema o cancellare quel messaggio?
-

FedericoSibona
5.022 3 5 8 - Master

- Messaggi: 3951
- Iscritto il: 19 mar 2013, 11:43
0
voti
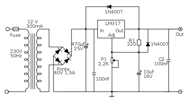
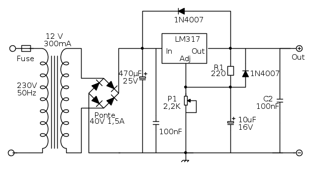
Vabbè, il circuito corretto è questo
Ho anche aggiunto in parallelo all'elettrolitico di livellamento il condensatore da 100nF da mettere più vicino possibile all'integrato per evitare auto-oscillazioni
Ho anche aggiunto in parallelo all'elettrolitico di livellamento il condensatore da 100nF da mettere più vicino possibile all'integrato per evitare auto-oscillazioni
-

FedericoSibona
5.022 3 5 8 - Master

- Messaggi: 3951
- Iscritto il: 19 mar 2013, 11:43
0
voti
FedericoSibona ha scritto:Vabbè, il circuito corretto è questo
Ho visto solo ora il post, altrimenti te lo avrei corretto io; comunque cosi' fai un po' di allenamento con FidoCadJ.
FedericoSibona ha scritto:Ho anche aggiunto in parallelo all'elettrolitico di livellamento il condensatore da 100nF da mettere più vicino possibile all'integrato per evitare auto-oscillazioni
Se ne e' parlato a lungo in passato e, nel caso, pare che quel condensatore aggiunto, faccia piu' male che bene.
Le autooscillazioni dovrebbero gia' essere eliminate dall'elettrolitico.
Poi, sinceramente, io tutta questa criticita' in un circuito elementare con LM317 (vedi anche altro thread) non l'ho mai rilevata.
marco
Chi c’è in linea
Visitano il forum: Nessuno e 339 ospiti

Elettrotecnica e non solo (admin)
Un gatto tra gli elettroni (IsidoroKZ)
Esperienza e simulazioni (g.schgor)
Moleskine di un idraulico (RenzoDF)
Il Blog di ElectroYou (webmaster)
Idee microcontrollate (TardoFreak)
PICcoli grandi PICMicro (Paolino)
Il blog elettrico di carloc (carloc)
DirtEYblooog (dirtydeeds)
Di tutto... un po' (jordan20)
AK47 (lillo)
Esperienze elettroniche (marco438)
Telecomunicazioni musicali (clavicordo)
Automazione ed Elettronica (gustavo)
Direttive per la sicurezza (ErnestoCappelletti)
EYnfo dall'Alaska (mir)
Apriamo il quadro! (attilio)
H7-25 (asdf)
Passione Elettrica (massimob)
Elettroni a spasso (guidob)
Bloguerra (guerra)




