Controllare due relè - Accensione alternata
Moderatori:
carloc,
g.schgor,
BrunoValente,
IsidoroKZ
36 messaggi
• Pagina 4 di 4 • 1, 2, 3, 4
0
voti
mi piace l'idea, però a questo punto potresti anche pensare ad un piccolo programmatore a camme, con due camme, un motorino e due microinterrutori. Per il rumore i bimbi poi si adattano. I miei li faccio addormentare facendo finta di russare talmente tanto si sono abituati a sopportarmi 
1
voti
Comunque
lugifuso,
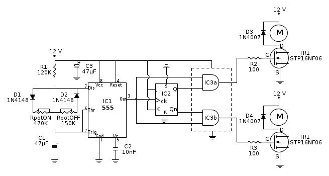
la variazione dello schema con i mosfet è piuttosto indolore:
basta che cambi le resistenze R2 e R3 portandole a 100 ohm e che sosftituisci il BJT sostituendo al posto di Base, Emettitore , Collettore rispettivamente Gate, Source, Drain.
Per la piedinatura del componente devi, ovviamente, guardare il datasheet.
Sta in sea !
(si legga: sii determinato, vienine a capo)

la variazione dello schema con i mosfet è piuttosto indolore:
basta che cambi le resistenze R2 e R3 portandole a 100 ohm e che sosftituisci il BJT sostituendo al posto di Base, Emettitore , Collettore rispettivamente Gate, Source, Drain.
Per la piedinatura del componente devi, ovviamente, guardare il datasheet.
Sta in sea !

"dai diamanti non nasce niente, dal letame nascono i fior" - Fabrizio De Andrè
1
voti
ciao ragazzi scusate se nn vi ho risposto prima.. in quanto primo ho fatto un colloquio di lavoro e dal 5 maggio si incomincia a lavorare!!!!! yeahhhhh.....
la seconda ho fatto l'ordine su Rsonline e c sono alcuni componenti che ancora nn arrivano. uffaaaa
Nel frattempo pero' mi è sorto un dubbio a riguardo un componente e sul suo collegamento, in particolare sul flipflop jk
http://docs-europe.electrocomponents.co ... 5fa2a3.pdf
volevo capire se dovevo o no collegare 8 piedino quello con la sigla Vss?
di nuovo grazie
la seconda ho fatto l'ordine su Rsonline e c sono alcuni componenti che ancora nn arrivano. uffaaaa
http://docs-europe.electrocomponents.co ... 5fa2a3.pdf
volevo capire se dovevo o no collegare 8 piedino quello con la sigla Vss?
di nuovo grazie

1
voti
Beh, come tutti gli integrati, quello che hai ordinato necessita di alimentazione e questa viene fornita tramite i pin 16 Vdd e 8 Vss. Nello schema mancano i collegamenti ( o meglio sono sottintesi) ma nella realta' sono necessari.
Ma forse ho male interpretato la domanda.
Ma forse ho male interpretato la domanda.
marco
0
voti
dunque non sbaglio allora se per l'integrato MC14027 flipflop collego il piedino 16 Vdd al 12volt e il piedino 8 Vss al negativo
http://docs-europe.electrocomponents.co ... 5fa2a3.pdf
e cio vale anche per l'integrato Mc14081 (and gate) rispettivamente il 14 Vdd a 12volt e il piedino 7 Vss al negativo.
http://docs-europe.electrocomponents.co ... 5f9909.pdf
ovviamente gli altri collegamenti segue le indicazione del gande sedetiam

http://docs-europe.electrocomponents.co ... 5fa2a3.pdf
e cio vale anche per l'integrato Mc14081 (and gate) rispettivamente il 14 Vdd a 12volt e il piedino 7 Vss al negativo.
http://docs-europe.electrocomponents.co ... 5f9909.pdf
ovviamente gli altri collegamenti segue le indicazione del gande sedetiam
0
voti
Ciao
lugifuso,
innanzitutto complimenti per il buon esito del colloquio !
Per quanta riguarda i piedini da collegare, è giusto come hai scritto.
Vss va collegato al potenziale di riferimento, di solito erroneamente chiamato "massa" (leggi quest'articolo del grande IsidoroKZ: http://www.electroyou.it/isidorokz/wiki/terra-massa-e-riferimento) , mentre Vdd va collegato al positivo dell'alimentazione (in questo caso 12 V), proprio come hai scritto tu.
innanzitutto complimenti per il buon esito del colloquio !
Per quanta riguarda i piedini da collegare, è giusto come hai scritto.
Vss va collegato al potenziale di riferimento, di solito erroneamente chiamato "massa" (leggi quest'articolo del grande IsidoroKZ: http://www.electroyou.it/isidorokz/wiki/terra-massa-e-riferimento) , mentre Vdd va collegato al positivo dell'alimentazione (in questo caso 12 V), proprio come hai scritto tu.
"dai diamanti non nasce niente, dal letame nascono i fior" - Fabrizio De Andrè
36 messaggi
• Pagina 4 di 4 • 1, 2, 3, 4
Chi c’è in linea
Visitano il forum: Nessuno e 39 ospiti

Elettrotecnica e non solo (admin)
Un gatto tra gli elettroni (IsidoroKZ)
Esperienza e simulazioni (g.schgor)
Moleskine di un idraulico (RenzoDF)
Il Blog di ElectroYou (webmaster)
Idee microcontrollate (TardoFreak)
PICcoli grandi PICMicro (Paolino)
Il blog elettrico di carloc (carloc)
DirtEYblooog (dirtydeeds)
Di tutto... un po' (jordan20)
AK47 (lillo)
Esperienze elettroniche (marco438)
Telecomunicazioni musicali (clavicordo)
Automazione ed Elettronica (gustavo)
Direttive per la sicurezza (ErnestoCappelletti)
EYnfo dall'Alaska (mir)
Apriamo il quadro! (attilio)
H7-25 (asdf)
Passione Elettrica (massimob)
Elettroni a spasso (guidob)
Bloguerra (guerra)






