Cos'è ElectroYou | Login Iscriviti

ElectroYou - la comunità dei professionisti del mondo elettrico

10 Led Luminosi con potenziometro

Elettronica lineare e digitale: didattica ed applicazioni

Moderatori: Foto Utentecarloc, Foto Utenteg.schgor, Foto UtenteBrunoValente, Foto UtenteIsidoroKZ

0
voti

[31] Re: 10 LED Luminosi con potenziometro

Messaggioda Foto UtenteCadmir » 15 giu 2014, 12:45

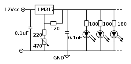
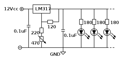
marco438 ha scritto:Ma allora proprio non leggi; il valore delle resistenze e' gia' esposto nello schema.


Oops #-o #-o #-o #-o #-o
Scusami
Avatar utente
Foto UtenteCadmir
60 1 7
Frequentatore
Frequentatore
 
Messaggi: 195
Iscritto il: 12 ago 2010, 10:57

0
voti

[32] Re: 10 LED Luminosi con potenziometro

Messaggioda Foto Utentemir » 15 giu 2014, 12:52

marco438 ha scritto:il valore delle resistenze e' gia' esposto nello schema.

forse così si leggerà meglio ... :mrgreen:
Avatar utente
Foto Utentemir
66,0k 9 12 13
G.Master EY
G.Master EY
 
Messaggi: 21870
Iscritto il: 19 ago 2004, 21:10

0
voti

[33] Re: 10 LED Luminosi con potenziometro

Messaggioda Foto Utentemarco438 » 15 giu 2014, 12:53

Perfezionista...... :mrgreen:
marco
Avatar utente
Foto Utentemarco438
37,1k 7 11 13
-EY Legend-
-EY Legend-
 
Messaggi: 16323
Iscritto il: 24 mar 2010, 15:09
Località: Versilia

0
voti

[34] Re: 10 LED Luminosi con potenziometro

Messaggioda Foto Utentemir » 15 giu 2014, 12:55

oramai ho il tasto fidocadjtransformer sempre attivo ... :mrgreen:
Avatar utente
Foto Utentemir
66,0k 9 12 13
G.Master EY
G.Master EY
 
Messaggi: 21870
Iscritto il: 19 ago 2004, 21:10

Precedente

Torna a Elettronica generale

Chi c’è in linea

Visitano il forum: Nessuno e 165 ospiti