GRAZIE!
Problemi con un alimentatore atx
Moderatori:
carloc,
g.schgor,
BrunoValente,
IsidoroKZ
32 messaggi
• Pagina 4 di 4 • 1, 2, 3, 4
0
voti
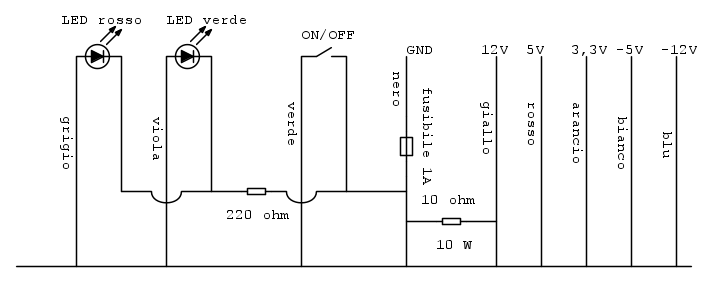
SCUSATE l'insistenza. Ho cominciato ha fare il alimentatore da banco seguendo questo disegno :
Però ho ancora due problemi
:
1) Ho montato tutto come nel disegno pero i LED no lo so perche quello collegato al filo viola (il LED verde) si accende normalmente mentre quello collegato al filo grigio (il LED rosso) si accende quando premo l'interruttore ma molto debolmente. Ho provato ha mettere il resistor solo sul LED grigio ma non cambia niente si accende comunque debolmente.
2) Il resistor da 10 ohm e 10 Watt non riesco ha trovare uno da 10 ohm. Posso usare uno con una resistenza più basa o più alta?
Però ho ancora due problemi
1) Ho montato tutto come nel disegno pero i LED no lo so perche quello collegato al filo viola (il LED verde) si accende normalmente mentre quello collegato al filo grigio (il LED rosso) si accende quando premo l'interruttore ma molto debolmente. Ho provato ha mettere il resistor solo sul LED grigio ma non cambia niente si accende comunque debolmente.
2) Il resistor da 10 ohm e 10 Watt non riesco ha trovare uno da 10 ohm. Posso usare uno con una resistenza più basa o più alta?

32 messaggi
• Pagina 4 di 4 • 1, 2, 3, 4
Chi c’è in linea
Visitano il forum: Nessuno e 190 ospiti

Elettrotecnica e non solo (admin)
Un gatto tra gli elettroni (IsidoroKZ)
Esperienza e simulazioni (g.schgor)
Moleskine di un idraulico (RenzoDF)
Il Blog di ElectroYou (webmaster)
Idee microcontrollate (TardoFreak)
PICcoli grandi PICMicro (Paolino)
Il blog elettrico di carloc (carloc)
DirtEYblooog (dirtydeeds)
Di tutto... un po' (jordan20)
AK47 (lillo)
Esperienze elettroniche (marco438)
Telecomunicazioni musicali (clavicordo)
Automazione ed Elettronica (gustavo)
Direttive per la sicurezza (ErnestoCappelletti)
EYnfo dall'Alaska (mir)
Apriamo il quadro! (attilio)
H7-25 (asdf)
Passione Elettrica (massimob)
Elettroni a spasso (guidob)
Bloguerra (guerra)

