Cos'è ElectroYou | Login Iscriviti

ElectroYou - la comunità dei professionisti del mondo elettrico

che componente è come verificare ?

Elettronica lineare e digitale: didattica ed applicazioni

Moderatori: Foto Utentecarloc, Foto Utenteg.schgor, Foto UtenteBrunoValente, Foto UtenteIsidoroKZ

0
voti

[31] Re: che componente è come verificare ?

Messaggioda Foto Utentesilviolatina10 » 11 lug 2021, 19:24

Elidur ha scritto:Inoltre tra collettore ed emettitore non ci deve essere conduzione.

avevo visto un post per misurarer ,mi sa che dicevano stupidate ??? mi dai info esatte per provarlo ? sono costretto a dissadarlo nuovaente credevo gia che fosse buono
Avatar utente
Foto Utentesilviolatina10
20 3
New entry
New entry
 
Messaggi: 90
Iscritto il: 7 lug 2021, 20:41

0
voti

[32] Re: che componente è come verificare ?

Messaggioda Foto Utentesetteali » 11 lug 2021, 19:37

Buonasera a tutti,
vediamo se riusciamo a levare dalle beghe @Silvio, senza nulla togliere ad @elidur che fino ad ora ha fatto un buon lavoro, ma non ha pratica su queste lampade d'emergenza, non che io sia un mago, perché quando la riparazione cominciava ad essere ostica, lasciavo perdere; tra l'altro di questo tipo non me ne sono capitate.
Fine preamboli.

Allego una delle due foto e mi piacerebbe sapere se quel connettore che non so a cosa serve, se è utilizzato e come, inoltre anche dei 4 pin dell'alimentazione, come li stai usando, 2 per la rete AC e gli altri 2 ??

Il funzionamento dovrebbe essere così :
- Entrata 230 V sul trasformatore che porta la tensione a circa 12 V raddrizzata e filtrata per alimentare il survoltore adatto ad innescare la lampada al neon.
Inoltre la tensione raddrizzata va ad un transistro ( quello alettato ) che serve a tenere in carica la batteria, ed è questo da controllare bene assieme al suo circuito perché lavorando di continuo con un po' di potenza, è soggetto a bruciarsi.
Il circuito è controllato da un transistor o due che tengono il survoltore spento quando c'è la presenza della rete, anche questo sarebbe utile individuare per controllare il funzionamento della scheda.

Non so se sono riuscito a spiegarmi, eventualmente oltre la tirata di orecchio, vedrò di spiegarmi meglio.
Alex
https://www.facebook.com/Elettronicaeelettrotecnica

<< vedi di pigliare arditamente in mano, il dizionario che ti suona in bocca,
se non altro è schietto e paesano.
(Giuseppe Giusti) <<
Avatar utente
Foto Utentesetteali
11,9k 5 5 9
Master
Master
 
Messaggi: 5922
Iscritto il: 15 dic 2013, 21:09

0
voti

[33] Re: che componente è come verificare ?

Messaggioda Foto Utentesilviolatina10 » 11 lug 2021, 19:38

Elidur ha scritto:Se colleghi il negativo alla base, non c'è conduzione tra BE e BC

si confermo se collego negativo tester a base tra altri due non c'è nessuna conduzione e tra em e coll e anche tra em e coll
Avatar utente
Foto Utentesilviolatina10
20 3
New entry
New entry
 
Messaggi: 90
Iscritto il: 7 lug 2021, 20:41

1
voti

[34] Re: che componente è come verificare ?

Messaggioda Foto Utentesetteali » 11 lug 2021, 19:43

Transistor NPN
Puntale positivo : Base
Puntale negativo : E = 0, 6V
Puntale Negativo : C = 0,6V
Invertendo i puntali non deve dare nessun valore, come non deve darne tra E & C.

Transistor PNP
Puntale ngativo : Base
Puntale positivo : E = 0, 6V
Puntale positivo : C = 0,6V
Invertendo i puntali non deve dare nessun valore, come non deve darne tra E & C.
Alex
https://www.facebook.com/Elettronicaeelettrotecnica

<< vedi di pigliare arditamente in mano, il dizionario che ti suona in bocca,
se non altro è schietto e paesano.
(Giuseppe Giusti) <<
Avatar utente
Foto Utentesetteali
11,9k 5 5 9
Master
Master
 
Messaggi: 5922
Iscritto il: 15 dic 2013, 21:09

0
voti

[35] Re: che componente è come verificare ?

Messaggioda Foto Utentesilviolatina10 » 11 lug 2021, 19:52

setteali ha scritto:Transistor NPN
Puntale positivo : Base
Puntale negativo : E = 0, 6V
Puntale Negativo : C = 0,6V
Invertendo i puntali non deve dare nessun valore, come non deve darne tra E & C.

Transistor PNP
Puntale ngativo : Base
Puntale positivo : E = 0, 6V
Puntale positivo : C = 0,6V
Invertendo i puntali non deve dare nessun valore, come non deve darne tra E & C.

è un NPN perché rilevo valori come da te descritti
Avatar utente
Foto Utentesilviolatina10
20 3
New entry
New entry
 
Messaggi: 90
Iscritto il: 7 lug 2021, 20:41

0
voti

[36] Re: che componente è come verificare ?

Messaggioda Foto Utentesilviolatina10 » 11 lug 2021, 19:58

setteali ha scritto:Buonasera a tutti,
vediamo se riusciamo a levare dalle beghe @Silvio, senza nulla togliere ad @elidur che fino ad ora ha fatto un buon lavoro, ma non ha pratica su queste lampade d'emergenza, non che io sia un mago, perché quando la riparazione cominciava ad essere ostica, lasciavo perdere; tra l'altro di questo tipo non me ne sono capitate.
Fine preamboli.

Allego una delle due foto e mi piacerebbe sapere se quel connettore che non so a cosa serve, se è utilizzato e come, inoltre anche dei 4 pin dell'alimentazione, come li stai usando, 2 per la rete AC e gli altri 2 ??

Il funzionamento dovrebbe essere così :
- Entrata 230 V sul trasformatore che porta la tensione a circa 12 V raddrizzata e filtrata per alimentare il survoltore adatto ad innescare la lampada al neon.
Inoltre la tensione raddrizzata va ad un transistro ( quello alettato ) che serve a tenere in carica la batteria, ed è questo da controllare bene assieme al suo circuito perché lavorando di continuo con un po' di potenza, è soggetto a bruciarsi.
Il circuito è controllato da un transistor o due che tengono il survoltore spento quando c'è la presenza della rete, anche questo sarebbe utile individuare per controllare il funzionamento della scheda.

Non so se sono riuscito a spiegarmi, eventualmente oltre la tirata di orecchio, vedrò di spiegarmi meglio.

buonasera avevo scritto tutto e poi devo averlo cancellato povero me ...
ma ora ripeto
primo i 4 pin che vedi 2 sono l'alimentazione 220 volt altri due vanno cortocircuitati servono per accendere la lampada di emergenza casomai con un interruttore .
il transistor di potenza che descivi è il primo componente che ho sostituito , perché anche io pensavo lo stesso , quello che mi fa rmere il dubbio e che alimentando la lampada su quel transistor non leggo piu di 3/4 volt dc , come fa ad alimentare e caricare la bettaria ? visto che parli del circuito intorno , cosa può provaocare un abbassamento di etnsione su quel componente ? ho anche misurato i condensatori intorno corrispondono al valore di targa . grazie mille per l'aiuto
Avatar utente
Foto Utentesilviolatina10
20 3
New entry
New entry
 
Messaggi: 90
Iscritto il: 7 lug 2021, 20:41

0
voti

[37] Re: che componente è come verificare ?

Messaggioda Foto UtenteElidur » 12 lug 2021, 0:57

Buona sera Foto Utentesetteali. Ben arrivato.
Foto Utentesilviolatina10, con Setteali hai ottime possibilità di trovare il guasto. Vediamo come va a finire. Buona fortuna. :ok:
Avatar utente
Foto UtenteElidur
1.515 2 6 9
Sostenitore
Sostenitore
 
Messaggi: 1126
Iscritto il: 6 mag 2017, 18:10

0
voti

[38] Re: che componente è come verificare ?

Messaggioda Foto Utentesilviolatina10 » 12 lug 2021, 8:23

Elidur ha scritto:Buona sera Foto Utentesetteali. Ben arrivato.
Foto Utentesilviolatina10, con Setteali hai ottime possibilità di trovare il guasto. Vediamo come va a finire. Buona fortuna. :ok:

buongiorno Emoticon , sono sempre stato dell'idea che più siamo e più è facile risolvere , perché ognuno porta le sue conoscenze ed esperienze , in ogni caso resta e grazie per il grande supporto
Avatar utente
Foto Utentesilviolatina10
20 3
New entry
New entry
 
Messaggi: 90
Iscritto il: 7 lug 2021, 20:41

0
voti

[39] Re: che componente è come verificare ?

Messaggioda Foto Utentesilviolatina10 » 13 lug 2021, 8:18

setteali ha scritto:Buonasera a tutti,
vediamo se riusciamo a levare dalle beghe @Silvio, senza nulla togliere ad @elidur che fino ad ora ha fatto un buon lavoro, ma non ha pratica su queste lampade d'emergenza, non che io sia un mago, perché quando la riparazione cominciava ad essere ostica, lasciavo perdere; tra l'altro di questo tipo non me ne sono capitate.
Fine preamboli.

Allego una delle due foto e mi piacerebbe sapere se quel connettore che non so a cosa serve, se è utilizzato e come, inoltre anche dei 4 pin dell'alimentazione, come li stai usando, 2 per la rete AC e gli altri 2 ??

Il funzionamento dovrebbe essere così :
- Entrata 230 V sul trasformatore che porta la tensione a circa 12 V raddrizzata e filtrata per alimentare il survoltore adatto ad innescare la lampada al neon.
Inoltre la tensione raddrizzata va ad un transistro ( quello alettato ) che serve a tenere in carica la batteria, ed è questo da controllare bene assieme al suo circuito perché lavorando di continuo con un po' di potenza, è soggetto a bruciarsi.
Il circuito è controllato da un transistor o due che tengono il survoltore spento quando c'è la presenza della rete, anche questo sarebbe utile individuare per controllare il funzionamento della scheda.

Non so se sono riuscito a spiegarmi, eventualmente oltre la tirata di orecchio, vedrò di spiegarmi meglio.

Buondi più che spiegarti , che quello è stato molto chiaro , attendo qualche altro suggerimento. grazie
Avatar utente
Foto Utentesilviolatina10
20 3
New entry
New entry
 
Messaggi: 90
Iscritto il: 7 lug 2021, 20:41

0
voti

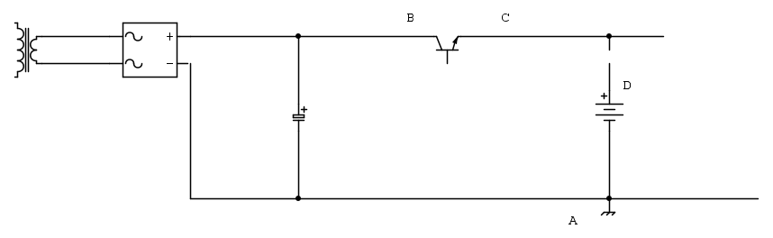
[40] Re: che componente è come verificare ?

Messaggioda Foto Utentesetteali » 13 lug 2021, 10:06

Buongiorno,
buona parte delle prove le hai fatte, si dovrà passare a prove più particolareggiate.
Tensione della batteria :
Tensione sul C e sull' E del transistor alettato con la sola tensione di rete :
inoltre la tensione con la batteria inserita

Ti metto uno schema intuitivo, che non rappresenta la realtà, ma soltanto per rendersi conte dove e come fare le misure
Alex
https://www.facebook.com/Elettronicaeelettrotecnica

<< vedi di pigliare arditamente in mano, il dizionario che ti suona in bocca,
se non altro è schietto e paesano.
(Giuseppe Giusti) <<
Avatar utente
Foto Utentesetteali
11,9k 5 5 9
Master
Master
 
Messaggi: 5922
Iscritto il: 15 dic 2013, 21:09

PrecedenteProssimo

Torna a Elettronica generale

Chi c’è in linea

Visitano il forum: Nessuno e 66 ospiti