COMMUTAZIONE AUTOMATICA DI TENSIONE
Moderatori:
carloc,
g.schgor,
BrunoValente,
IsidoroKZ
0
voti
Ciao Ale, la vedo anch'io ma probabilmente si tratta di un errore oppure ha ritirato il post.
-

gianniniivo
9.070 7 11 13 - No Rank
- Messaggi: 2875
- Iscritto il: 5 feb 2019, 23:50
0
voti
Vero, se si riuscirà a completarlo si tratterà di un progetto unico, almeno come lavoro di autocostruzione. Ci aggiorniamo, a breve chiuderò anch'io.
-

gianniniivo
9.070 7 11 13 - No Rank
- Messaggi: 2875
- Iscritto il: 5 feb 2019, 23:50
1
voti
gianniniivo ha scritto:..io sarei disposto anche a sostenere delle spese aggiuntive qualora fossero necessarie...
Si`, il circuito richiede componenti in piu`, in particolare tre resistori, un paio di diodi e l'operazionale avanzato nella parte del duplicatore.
Per usare proficuamente un simulatore, bisogna sapere molta più elettronica di lui
Plug it in - it works better!
Il 555 sta all'elettronica come Arduino all'informatica! (entrambi loro malgrado)
Se volete risposte rispondete a tutte le mie domande
Plug it in - it works better!
Il 555 sta all'elettronica come Arduino all'informatica! (entrambi loro malgrado)
Se volete risposte rispondete a tutte le mie domande
0
voti
Eh, non so se potrò sostenere sforzi economici simili e in contanti. Dovrò sentire la banca se mi accende un mutuo...
E io che pensavo a componenti speciali o arduino o ridisegnare la Main (possiamo chiamarla così la PCB dell'alimentatore?) e invece si parla di resistenze e diodi. Bene evidentemente il valore 'sta nella genialità dell'idea e della soluzione.
E io che pensavo a componenti speciali o arduino o ridisegnare la Main (possiamo chiamarla così la PCB dell'alimentatore?) e invece si parla di resistenze e diodi. Bene evidentemente il valore 'sta nella genialità dell'idea e della soluzione.

-

gianniniivo
9.070 7 11 13 - No Rank
- Messaggi: 2875
- Iscritto il: 5 feb 2019, 23:50
0
voti
Si ma adesso i mercati stanno shortando un po’ tutti e ho chiuso tutte le posizioni; meglio non rischiare troppo.
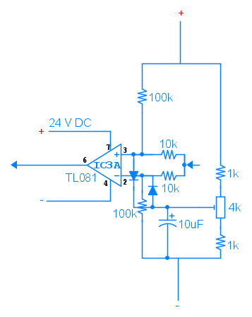
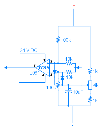
Scherzi a parte, ieri ho ritrovato il mio schemario di gioventù e quello di un mio amico scomparso. Ci sono parecchi schemini interessanti, utili da proporre su EY, anche se adesso non ho tempo. Però una prova ho voluto farla. Ho applicato all’alimentatore uno schema di comparatore a finestra composto da un solo operazionale LM724 che ho sostituito con un TL081. Funziona quasi bene, nel senso che le soglie di commutazione si regolano bene ma non sono riuscito a gestire l’isteresi. In realtà un’isteresi c’era ma superava di poco il mezzo volt. Forse avrei dovuto lasciare il LM724.
Non avevo ancora letto l’idea di Isidoro per la limitazione automatica della corrente e ho giocato un po'
Ecco lo schema:
Scherzi a parte, ieri ho ritrovato il mio schemario di gioventù e quello di un mio amico scomparso. Ci sono parecchi schemini interessanti, utili da proporre su EY, anche se adesso non ho tempo. Però una prova ho voluto farla. Ho applicato all’alimentatore uno schema di comparatore a finestra composto da un solo operazionale LM724 che ho sostituito con un TL081. Funziona quasi bene, nel senso che le soglie di commutazione si regolano bene ma non sono riuscito a gestire l’isteresi. In realtà un’isteresi c’era ma superava di poco il mezzo volt. Forse avrei dovuto lasciare il LM724.
Non avevo ancora letto l’idea di Isidoro per la limitazione automatica della corrente e ho giocato un po'
Ecco lo schema:
-

gianniniivo
9.070 7 11 13 - No Rank
- Messaggi: 2875
- Iscritto il: 5 feb 2019, 23:50
0
voti
Elidur ha scritto:.... vedo la segnalazione di un intervento di brunovalente ma non vedo il post...
Sì, avevo chiesto delucidazioni su un particolare dello schema che non mi era chiaro e subito dopo mi sono risposto da solo e siccome la domanda era proprio stupida mi sono vergognato e ho cancellato il messaggio.
Avrete notato che da un po' sono latitante: mi sto occupando a tempo pieno di cose molto lontane dall'elettronica e forse sto arrugginendo
IsidoroKZ ha scritto:Stavo pensando a un circuito che cambi il limite massimo di corrente quando entra in funzione il duplicatore...
In certe condizioni mi pare possa indurre un pendolamento: poniamo che il limite sia di 10A da 0V a 50V e di 5 A da 50V a 100V, se ad esempio venisse impostato un valore di 55V per la tensione e di 10A per la corrente e venisse collegato un carico di 8ohm, in queste condizioni, siccome siamo tra 50V e 100V, interverrebbe la limitazione di corrente a 5A che farebbe scendere la tensione a 40V ma a 40V il limite passerebbe a 10A, quindi la tensione tenderebbe di nuovo a portarsi a 55V e così via.
-

BrunoValente
39,6k 7 11 13 - G.Master EY

- Messaggi: 7796
- Iscritto il: 8 mag 2007, 14:48
Chi c’è in linea
Visitano il forum: Nessuno e 86 ospiti

Elettrotecnica e non solo (admin)
Un gatto tra gli elettroni (IsidoroKZ)
Esperienza e simulazioni (g.schgor)
Moleskine di un idraulico (RenzoDF)
Il Blog di ElectroYou (webmaster)
Idee microcontrollate (TardoFreak)
PICcoli grandi PICMicro (Paolino)
Il blog elettrico di carloc (carloc)
DirtEYblooog (dirtydeeds)
Di tutto... un po' (jordan20)
AK47 (lillo)
Esperienze elettroniche (marco438)
Telecomunicazioni musicali (clavicordo)
Automazione ed Elettronica (gustavo)
Direttive per la sicurezza (ErnestoCappelletti)
EYnfo dall'Alaska (mir)
Apriamo il quadro! (attilio)
H7-25 (asdf)
Passione Elettrica (massimob)
Elettroni a spasso (guidob)
Bloguerra (guerra)






