Allora, nel frattempo sono subentrati altri problemi per cui ho accantonato per poco, però ho intenzione di:
progettare e realizzare una schedina con la catena di ampli e filtraggio per un solo canale in versione single-ended, mettendo quindi il ref alla massa e usando 2 sallen-key (uno passa alto e uno passa basso) che guadagnano poco. Per raggiungere guadagno 1000 pensavo di fare così: come ho detto, a monte della mia scheda c'è una scheda in cui ci sono semplicemente dei buffer per ognuno dei 60 elettrodi (è una scheda che deve stare interna a una camera dove ci sono i neuroni e porta fuori i segnali). Sto provando a inserire delle R per rendere i buffer Opamp non invertenti, con un guadagno tipo 100, in modo che poi la mia scheda potra avere due soli Opamp Sallen-key per canale che guadagnano poco (come i sallen-key mi avete detto che fanno)...se ci riesco penso che sia vantaggioso anche perché così ho una pre-amplificazione nelle immediate vicinanze degli elettrodi....che ne dici?
realizzo prima una scheda con un canale che testerò,,se prendo i segnali che voglio allora sono a posto e la moltiplico per 60 canali...
altrimenti, realizzo quella nella versione differenziale, mettendo l'elettrodo di riferimento non a massa (altrimenti non ha senso fare differenziale) ma utilizzandolo come elettrodo di registrazione e non come elettrodo che impone un potenziale...anche se sono più convinta che vada bene la prima configurazione..questa seconda configurazione penso che sarebbe utile se i due elettrodi risentissero di disturbi comuni (non so, artefatti da movimento) che così si annullerebbero,,ma per fare questo credo che dovrebbero essere di dimensione uguale, non uno molto più grosso...
pensi che vada bene come ordine di passi da fare?grazie
elettrodo di riferimentooo
Moderatori:
carloc,
g.schgor,
BrunoValente,
IsidoroKZ
0
voti
giulia87 ha scritto:se ci riesco penso che sia vantaggioso anche perché così ho una pre-amplificazione nelle immediate vicinanze degli elettrodi....che ne dici?
Fai vedere uno schema elettrico completo, che dalle descrizioni si fa fatica a comprendere...
Disegna tutto, alimentazioni comprese.
giulia87 ha scritto:realizzo prima una scheda con un canale che testerò,,se prendo i segnali che voglio allora sono a posto e la moltiplico per 60 canali...
Mi sembra ragionevole. Realizza un amplificatore per un solo canale, poi fanne due per vedere se ci sono problemi di diafonia, poi quattro, poi otto, sedici, trentadue e sessanta.
Via via vedi se ci sono problemi che nascono.
Follow me on Mastodon: @davbucci@mastodon.sdf.org
-

DarwinNE
31,0k 7 11 13 - G.Master EY

- Messaggi: 4420
- Iscritto il: 18 apr 2010, 9:32
- Località: Grenoble - France
0
voti
ho disegnato il circuito per un elettrodo, solo che non riesco a postarlo perché è un file .sch (l'ho disegnato con SapWin e simulato la fdt...non ho altri programmi per disegnare..e purtroppo non ho molto tempo in questi giorni per mettermi a impararne un altro velocemente)
comunque è una cascata fatta da
- non invertente con G=100
- sallen-key 2 ordine passa alto 300 Hz con G=1
- sallen-key 3 ordine passa basso 3000 Hz con G=10
comunque è una cascata fatta da
- non invertente con G=100
- sallen-key 2 ordine passa alto 300 Hz con G=1
- sallen-key 3 ordine passa basso 3000 Hz con G=10
0
voti
giulia87 ha scritto:ho disegnato il circuito per un elettrodo, solo che non riesco a postarlo perché è un file .sch (l'ho disegnato con SapWin e simulato la fdt...non ho altri programmi per disegnare..e purtroppo non ho molto tempo in questi giorni per mettermi a impararne un altro velocemente)
Purtroppo, gli schemi si descrivono male a parole e spesso e volentieri i dettagli fanno la differenza.
FidoCadJ, a detta di molti è molto facile da utilizzare. Puoi anche prendere il codice del mio disegno o quello di Belva87 ed utilizzarlo per non rifare tutto da zero. Puoi scaricare gratuitamente il programma da qui (è richiesto Java):
http://davbucci.chez-alice.fr/index.php ... e=Italiano
In questa pagina, c'è descritta la tecnica con cui FidoCadJ si interfaccia con ElectroYou:
http://www.electroyou.it/darwinne/wiki/fidocadj
Follow me on Mastodon: @davbucci@mastodon.sdf.org
-

DarwinNE
31,0k 7 11 13 - G.Master EY

- Messaggi: 4420
- Iscritto il: 18 apr 2010, 9:32
- Località: Grenoble - France
0
voti
Niente, ho risolto!
allora quando ho fatto te lo mostro...può essere che ci metta un po', perché intanto sto studiando per esami e altro ma a meno che tu non ti cancelli dal forum ci risentiremo!
grazie
ciaooo
allora quando ho fatto te lo mostro...può essere che ci metta un po', perché intanto sto studiando per esami e altro ma a meno che tu non ti cancelli dal forum ci risentiremo!
grazie
ciaooo
0
voti
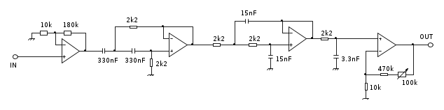
Facci sapere Giulia, io intanto ho progettato e simulato (e aggiustato
) bene il tuo circuito, meglio il mio... per avere le caratteristiche di cui parlavi (300Hz - 3kHz) e secondo me con 4 operazionali è ancora una cosa fattibile, sia per la PCB che per il costo, ovviamente più celle attive usi più operazionali impieghi, ma più pendente sarà il filtro...
Come si vede dallo schema che allego ho aggiunto una cella passabasso passiva per non "costare" un altro op.amp. e per avere un po' più di margine alle alte frequenze, dove in teoria dovrai andare a campionare
anche se in merito ancora non ci hai detto nulla... mi sbilancio (forse troppo) fossi in te con questo filtro, campionerei con una frequenza F a partire da 20-25kHz in su...
Inoltre il circuito presenta ancora un'impedenza di ingresso elevata, e non so se "va bene" per la sonda/elettrodo... infine il trimmer ti permette di regolare il guadagno così da ottenere precisamente 1000.
Gli operazionali sono degli LT1006, i primi che mi sono capitati nel simulatore LT
e sono alimentati in modo duale a 5v.
Come si vede dallo schema che allego ho aggiunto una cella passabasso passiva per non "costare" un altro op.amp. e per avere un po' più di margine alle alte frequenze, dove in teoria dovrai andare a campionare
Inoltre il circuito presenta ancora un'impedenza di ingresso elevata, e non so se "va bene" per la sonda/elettrodo... infine il trimmer ti permette di regolare il guadagno così da ottenere precisamente 1000.
Gli operazionali sono degli LT1006, i primi che mi sono capitati nel simulatore LT
0
voti
Grazie belva..
il circuito che ho progettato io e che come avrai letto posterò prima o poi quando ho tempo di usare FidoCadJ
non è molto diverso..
l'unica cosa è che uso un non invertente che ha guadagno 100 e non circa 18 come il tuo..e poi solo due opamp, uno sallen key con G=10 che fa il passa alto e uno sallen-key con G=1 che fa passa alto più un altro polo aggiunto da RC passivo...
e un'altra cosa è che non ho fatto Sallen-key a componenti uguali..dici che è necessario? dove posso trovare un software per progettarli automaticamente?
il circuito che ho progettato io e che come avrai letto posterò prima o poi quando ho tempo di usare FidoCadJ
non è molto diverso..
l'unica cosa è che uso un non invertente che ha guadagno 100 e non circa 18 come il tuo..e poi solo due opamp, uno sallen key con G=10 che fa il passa alto e uno sallen-key con G=1 che fa passa alto più un altro polo aggiunto da RC passivo...
e un'altra cosa è che non ho fatto Sallen-key a componenti uguali..dici che è necessario? dove posso trovare un software per progettarli automaticamente?
0
voti
Un SallenKey a guadagno 10 non lo puoi fare... non è stabile
DI software ne esistono molti, da FilterPro (che mi pare di capire che hai) a LTSpice (che ti consiglio) ...
A componenti uguali ha i suoi vantaggi e non, sta a te la scelta. Rileggiti l'articolo di IsidoroKZ, attenta che ho detto ri-leggiti
...
Poi direi che a questo punto, devi iniziare a definire, sopratutto per te...
poi per noi anche, se vorrai, il numero massimo di operazionali che puoi impiegare... o meglio le specifiche che ti interessano ottenere, in termini non solo di banda passante ma ad esempio di pendenza, di complessità circuitale (intesa come quantità di componenti e valori standard o meno...) insomma mettere un po' di punti fermi al tuo progetto per poter andare avanti... e ancora di strada, ne hai da fare 
Ti ripeto, io... farei con 4 amp.op. dividendo il compitoa due a due, cioè due amplificano (di cui uno a guadagno regolabile, l'ultimo..) e due per i filtri, uno passa alto e uno passa basso... però dipende se ti è sufficiente o meno, e da quanto detto sopra..
DI software ne esistono molti, da FilterPro (che mi pare di capire che hai) a LTSpice (che ti consiglio) ...
A componenti uguali ha i suoi vantaggi e non, sta a te la scelta. Rileggiti l'articolo di IsidoroKZ, attenta che ho detto ri-leggiti
Poi direi che a questo punto, devi iniziare a definire, sopratutto per te...
Ti ripeto, io... farei con 4 amp.op. dividendo il compitoa due a due, cioè due amplificano (di cui uno a guadagno regolabile, l'ultimo..) e due per i filtri, uno passa alto e uno passa basso... però dipende se ti è sufficiente o meno, e da quanto detto sopra..

Chi c’è in linea
Visitano il forum: Nessuno e 74 ospiti

Elettrotecnica e non solo (admin)
Un gatto tra gli elettroni (IsidoroKZ)
Esperienza e simulazioni (g.schgor)
Moleskine di un idraulico (RenzoDF)
Il Blog di ElectroYou (webmaster)
Idee microcontrollate (TardoFreak)
PICcoli grandi PICMicro (Paolino)
Il blog elettrico di carloc (carloc)
DirtEYblooog (dirtydeeds)
Di tutto... un po' (jordan20)
AK47 (lillo)
Esperienze elettroniche (marco438)
Telecomunicazioni musicali (clavicordo)
Automazione ed Elettronica (gustavo)
Direttive per la sicurezza (ErnestoCappelletti)
EYnfo dall'Alaska (mir)
Apriamo il quadro! (attilio)
H7-25 (asdf)
Passione Elettrica (massimob)
Elettroni a spasso (guidob)
Bloguerra (guerra)


