protezione da cortocircuito per alimentatori
Moderatori:
carloc,
g.schgor,
BrunoValente,
IsidoroKZ
45 messaggi
• Pagina 5 di 5 • 1, 2, 3, 4, 5
0
voti
ok, mi sto accingendo a realizzare il circuito al post 21, ma nel caso dell' ali da 5V Vdd e VDD coincidono? cavato quest'ultimo dubbio inizio a saldare! grazie infinitamente
-

mikydrummer
88 1 5 - New entry

- Messaggi: 66
- Iscritto il: 1 mag 2012, 18:09
0
voti
Se ti riferisci allo schema in alto dove si vede un 7805, VDD e Vdd non possono coincidere,
Il 7805 e' un regolatore di tensione cui necessita (in ingresso VDD) una tensione superiore ai 5V (9/10V) per poterla stabilizzare a 5V (Vdd).
Non so se ho capito bene, altrimenti spiegati meglio.
Il 7805 e' un regolatore di tensione cui necessita (in ingresso VDD) una tensione superiore ai 5V (9/10V) per poterla stabilizzare a 5V (Vdd).
Non so se ho capito bene, altrimenti spiegati meglio.
marco
0
voti
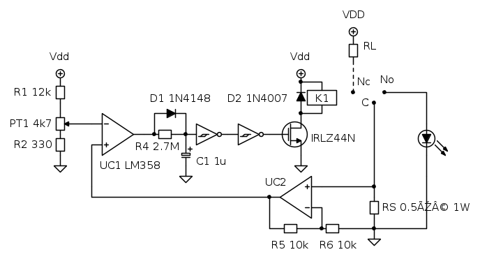
mi riferisco a questo, se applico i 5V del mio alimentatorino da proteggere sia su Vdd e VDD, ossia se alimento con questo sia il circuito di protezione che il carico
P.S. il led è messo giusto? per segnalare il corto?
Grazie
P.S. il led è messo giusto? per segnalare il corto?
Grazie
-

mikydrummer
88 1 5 - New entry

- Messaggi: 66
- Iscritto il: 1 mag 2012, 18:09
0
voti
Il LED non va bene li dov'è, non si accende mai e poi mai, e l'aria non fa miracoli.
Lo puoi mettere sull'uscita di UC1 così:
Ho calcolato la resistenza per un LED rosso (
), considerando un drop out dell' LM358 di circa 2V alimentato a 5V, ma ti consiglio di misurare prima la tensione di uscita, sempre a 5V di alimentazione per essere sicuro.
Lo puoi mettere sull'uscita di UC1 così:
Ho calcolato la resistenza per un LED rosso (
), considerando un drop out dell' LM358 di circa 2V alimentato a 5V, ma ti consiglio di misurare prima la tensione di uscita, sempre a 5V di alimentazione per essere sicuro.
45 messaggi
• Pagina 5 di 5 • 1, 2, 3, 4, 5
Chi c’è in linea
Visitano il forum: Nessuno e 114 ospiti

Elettrotecnica e non solo (admin)
Un gatto tra gli elettroni (IsidoroKZ)
Esperienza e simulazioni (g.schgor)
Moleskine di un idraulico (RenzoDF)
Il Blog di ElectroYou (webmaster)
Idee microcontrollate (TardoFreak)
PICcoli grandi PICMicro (Paolino)
Il blog elettrico di carloc (carloc)
DirtEYblooog (dirtydeeds)
Di tutto... un po' (jordan20)
AK47 (lillo)
Esperienze elettroniche (marco438)
Telecomunicazioni musicali (clavicordo)
Automazione ed Elettronica (gustavo)
Direttive per la sicurezza (ErnestoCappelletti)
EYnfo dall'Alaska (mir)
Apriamo il quadro! (attilio)
H7-25 (asdf)
Passione Elettrica (massimob)
Elettroni a spasso (guidob)
Bloguerra (guerra)




