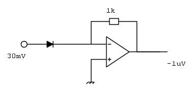
La resistenza di retroazione dell' OpAmp serve solamente come convertitore corrente( Diodo) tensione.
Tutto qui...
NB: In uscita hai una tensione negativa chiaramente, spero che ne sei consapevole.
Moderatori:
carloc,
g.schgor,
BrunoValente,
IsidoroKZ








Visitano il forum: Nessuno e 238 ospiti