Cos'è ElectroYou | Login Iscriviti

ElectroYou - la comunità dei professionisti del mondo elettrico

Collegamento Trasformatori-Può funzionare o esplode tutto ??

Elettronica lineare e digitale: didattica ed applicazioni

Moderatori: Foto Utentecarloc, Foto Utenteg.schgor, Foto UtenteBrunoValente, Foto UtenteIsidoroKZ

0
voti

[41] Re: Collegamento Trasformatori-Può funzionare o esplode tutt

Messaggioda Foto UtenteKagliostro » 14 apr 2017, 15:38

GRAZIE Foto UtenteBrunoValente

Ottima spiegazione visiva (val più uno schemino di 1000 parole)

Ho focalizzato la cosa e mi sono anche accorto che disegnando lo schema in modo leggermente diverso

pur restando lo schema elettrico lo stesso, il mio ridotto sistema di ragionamento ne beneficia



Probabilmente chi è avvezzo a certe cose sorriderà della mia ingenuità, ma così, per me, è più facile da seguire

--

Una cosa, il ponte accoppiato con i condensatori non dovrebbe restituire una tensione duplicata ?
(direi circa -52 V)

K
Avatar utente
Foto UtenteKagliostro
6.396 4 5 7
Master
Master
 
Messaggi: 4832
Iscritto il: 19 set 2012, 11:32

3
voti

[42] Re: Collegamento Trasformatori-Può funzionare o esplode tutt

Messaggioda Foto UtenteBrunoValente » 14 apr 2017, 16:00

No.

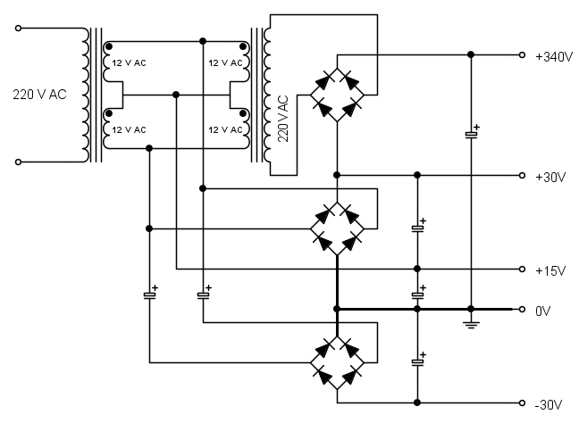
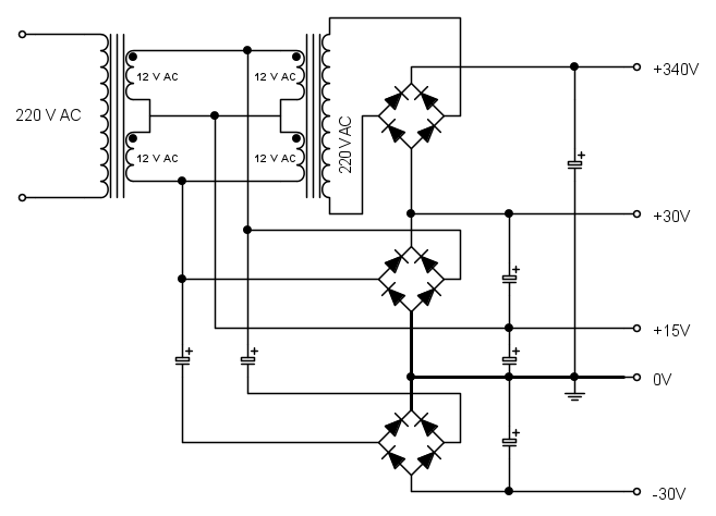
Osserva i due ponti, quello centrale e quello in basso, in ingresso ad entrambi è applicata la stessa tensione alternata di 24 V, i due condensatori in ingresso al ponte in basso sono trasparenti per l'alternata, quindi, se in in ingresso ad entrambi c'è la stessa tensione vuol dire che anche in uscita c'è la stessa tensione, cioè 30Vdc in entrambi.

Però siccome in quello in basso vogliamo che l'uscita abbia il positivo collegato al riferimento, non il negativo, dobbiamo fare in modo che tutte le tensioni possano traslare verso il basso di 30V e a questo servono i due condensatori che per la continua sono dei circuiti aperti.

Se andassi a guardare con l'oscilloscopio la forma d'onda dopo i condensatori su ciascun ingresso del ponte rispetto al riferimento, troveresti una sinusoide di circa 15V di picco (valore efficace 12V) traslata verso il basso di 15V, cioè con i picchi positivi che toccano lo 0V e si comprende bene che se non vi fossero i condensatori quella componente continua verrebbe cortocircuitata dagli avvolgimenti del trasformatore e che la corrente di cortocircuito scorrerebbe anche nei diodi dei due ponti.
Avatar utente
Foto UtenteBrunoValente
39,6k 7 11 13
G.Master EY
G.Master EY
 
Messaggi: 7796
Iscritto il: 8 mag 2007, 14:48

0
voti

[43] Re: Collegamento Trasformatori-Può funzionare o esplode tutt

Messaggioda Foto UtenteKagliostro » 14 apr 2017, 18:01

Capito Bruno

a farmi confondere era il ricordo di uno schema che avevo visto (ed ho cercato e ritrovato)

questo, la differenza è che nel tuo schema il "CT" non è collegato a massa, mentre in questo schema sì

Fig. 3.14.jpg


Ti ringrazio per la spiegazione

K
Avatar utente
Foto UtenteKagliostro
6.396 4 5 7
Master
Master
 
Messaggi: 4832
Iscritto il: 19 set 2012, 11:32

Precedente

Torna a Elettronica generale

Chi c’è in linea

Visitano il forum: Nessuno e 88 ospiti