Cos'è ElectroYou | Login Iscriviti

ElectroYou - la comunità dei professionisti del mondo elettrico

Generatore onda sinusoidale BF

Elettronica lineare e digitale: didattica ed applicazioni

Moderatori: Foto Utentecarloc, Foto Utenteg.schgor, Foto UtenteBrunoValente, Foto UtenteIsidoroKZ

0
voti

[41] Re: Generatore onda sinusoidale BF

Messaggioda Foto Utentemaxiteris » 19 gen 2019, 12:20

MarcoD ha scritto:è poco chiaro, se importante uno schema elettrico chiarirebbe..




Vout=12V
Avatar utente
Foto Utentemaxiteris
269 1 4 7
Sostenitore
Sostenitore
 
Messaggi: 702
Iscritto il: 11 apr 2012, 9:32

1
voti

[42] Re: Generatore onda sinusoidale BF

Messaggioda Foto Utentedadduni » 19 gen 2019, 13:05

Questo schema l'hai realizzato ed hai misurato Vout = 12V ???
Non vorrei sbagliare ma a occhio mi sembra veramente strano. Il diodo base-emettitore è in parallelo alla batteria stilo senza limitazioni di corrente quindi mi aspetterei una corrente di base molto alta, una saturazione piena e una Vout nulla.
Non so se nel collegare la batteria in quel modo ti sei giocato il transistor che si è aperto e quindi leggi effettivamente 12V: puoi verificare il funzionamento del BJT?

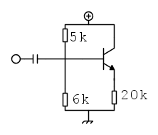
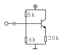
Se vuoi un circuito che trasli il segnale su una continua di 6V e che non carichi il generatore conviene usare un operazionale bufferato. Se vuoi una cosa semplice a singolo BJT conviene fare una cosa del genere

Davide
Avatar utente
Foto Utentedadduni
2.073 2 7 12
Expert EY
Expert EY
 
Messaggi: 1370
Iscritto il: 23 mag 2014, 16:26

Precedente

Torna a Elettronica generale

Chi c’è in linea

Visitano il forum: Nessuno e 223 ospiti