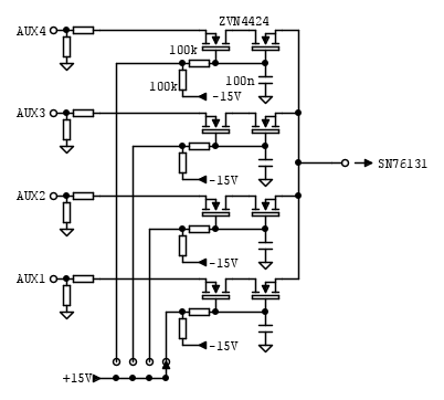
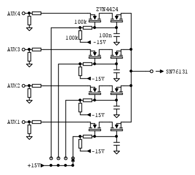
BrunoValente ha scritto:Se hai disponibile una tensione duale potresti anche provare a farlo così...
Scusate ma ieri mi sa che non stavo bene
Moderatori:
carloc,
g.schgor,
BrunoValente,
IsidoroKZ
BrunoValente ha scritto:Se hai disponibile una tensione duale potresti anche provare a farlo così...




BrunoValente ha scritto:...perciò quando il mosfet è aperto non lo è in entrambe le direzioni....


abusivo ha scritto:...E' possibile che abbia visto un applicazione simile con un solo FET?


Visitano il forum: Nessuno e 121 ospiti