
OROLOGIO DIGITALE SENZA PIC
Moderatori:
carloc,
g.schgor,
BrunoValente,
IsidoroKZ
0
voti
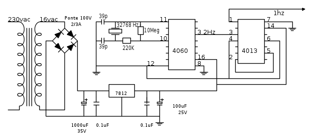
Ho risistemato un po' lo schema per renderlo meglio comprensibile.
Ho tolto, come avrai visto, i punti di connessione che si adoperano solo nelle giunzioni a x (e non a t) quando esista effettivamente contatto tra i due conduttori che si intersecano.
Inoltre ho ridisegnato il ponte raddrizzatore, rappresentato in modo errato.
Ho tolto, come avrai visto, i punti di connessione che si adoperano solo nelle giunzioni a x (e non a t) quando esista effettivamente contatto tra i due conduttori che si intersecano.
Inoltre ho ridisegnato il ponte raddrizzatore, rappresentato in modo errato.
0
voti
marco438 ha scritto:Ho risistemato un po' lo schema per renderlo meglio comprensibile.
Ho tolto, come avrai visto, i punti di connessione che si adoperano solo nelle giunzioni a x (e non a t) quando esista effettivamente contatto tra i due conduttori che si intersecano.
Inoltre ho ridisegnato il ponte raddrizzatore, rappresentato in modo errato.
Buongiono a tutti e rieccomi :)...scusi ma perche ha tolto i punti di giunzione? erano errati? in questo modo pin 12 ad esempio non è in contatto con pin 16?
-

carlomusumeci
353 5 7 - Sostenitore

- Messaggi: 526
- Iscritto il: 8 apr 2011, 0:35
0
voti
Allora non hai letto quello che ho scritto.
I punti di giunzione si mettono solo quando ad una intersezione, i due conduttori devono essere in contatto tra loro. Due linee che si intersecano - senza punto - non sono collegate tra loro.
I punti di giunzione si mettono solo quando ad una intersezione, i due conduttori devono essere in contatto tra loro. Due linee che si intersecano - senza punto - non sono collegate tra loro.
0
voti
perfetto tutto chiaro...quindi a "T" sono collegai fra loro a "X" no...tutto chiaro...
kmq oggi per motivi di tempo non sono potuto andare a prendere i componenti...mi manca solo il quarzo e il 4060...
-

carlomusumeci
353 5 7 - Sostenitore

- Messaggi: 526
- Iscritto il: 8 apr 2011, 0:35
0
voti
Puoi approfittare del tempo a disposizione studiandoti i datasheet degli integrati CD 4518 e 4015 che incontreremo alla prossima puntata.
Se non capisci qualcosa, chiedi.
Ciao
Se non capisci qualcosa, chiedi.
Ciao
0
voti
marco438 ha scritto:Puoi approfittare del tempo a disposizione studiandoti i datasheet degli integrati CD 4518 e 4015 che incontreremo alla prossima puntata.
Se non capisci qualcosa, chiedi.
Ciao
Ma se invece del 4015 uso un 4017 non è la stessa cosa?
-

carlomusumeci
353 5 7 - Sostenitore

- Messaggi: 526
- Iscritto il: 8 apr 2011, 0:35
0
voti
Scusami se ti ho indirizzato verso un integrato che non adopereremo. (comunque ora hai qualche conoscenza in piu').
Ho scritto 4015 ma era mia intenzione farti studiare il CD4511, che e' un decoder per display a led e che lavorera' in accoppiata con i 4518.
Ho scritto 4015 ma era mia intenzione farti studiare il CD4511, che e' un decoder per display a led e che lavorera' in accoppiata con i 4518.
0
voti
Per ora stai facendo un generatore di "clock", vediamo se funziona, se questo primo blocco non ha problemi potremo continuare. Per verificare al volo se funziona potrai mettere sull'uscita "1 Hz" una resistenza ed un led in serie, e vedere se lampeggia (1 volta al secondo), diciamo che un resistore da 330
puo' andare (solo per una prova, dato che dipende dal led, ma vai tranquillo che non si brucia nulla).
Facci sapere, ci aspettano tempi piu' duri, questa parte è relativamente semplice
p.s. se non ce l'hai ancora, procurati assolutamente un multimetro, ci servirà per fare delle misure in punti "strategici" nel caso qualcosa non vada (tanto Murphy è sempre li' che ci aspetta
)
puo' andare (solo per una prova, dato che dipende dal led, ma vai tranquillo che non si brucia nulla).Facci sapere, ci aspettano tempi piu' duri, questa parte è relativamente semplice
p.s. se non ce l'hai ancora, procurati assolutamente un multimetro, ci servirà per fare delle misure in punti "strategici" nel caso qualcosa non vada (tanto Murphy è sempre li' che ci aspetta
)-

rusty
4.075 2 9 11 - Utente disattivato per decisione dell'amministrazione proprietaria del sito
- Messaggi: 1578
- Iscritto il: 25 gen 2009, 13:10
Chi c’è in linea
Visitano il forum: Nessuno e 61 ospiti

Elettrotecnica e non solo (admin)
Un gatto tra gli elettroni (IsidoroKZ)
Esperienza e simulazioni (g.schgor)
Moleskine di un idraulico (RenzoDF)
Il Blog di ElectroYou (webmaster)
Idee microcontrollate (TardoFreak)
PICcoli grandi PICMicro (Paolino)
Il blog elettrico di carloc (carloc)
DirtEYblooog (dirtydeeds)
Di tutto... un po' (jordan20)
AK47 (lillo)
Esperienze elettroniche (marco438)
Telecomunicazioni musicali (clavicordo)
Automazione ed Elettronica (gustavo)
Direttive per la sicurezza (ErnestoCappelletti)
EYnfo dall'Alaska (mir)
Apriamo il quadro! (attilio)
H7-25 (asdf)
Passione Elettrica (massimob)
Elettroni a spasso (guidob)
Bloguerra (guerra)

