CD 4093 (C-mos)
Moderatori:
carloc,
g.schgor,
BrunoValente,
IsidoroKZ
0
voti
[51] Re: CD 4093 (C-mos)
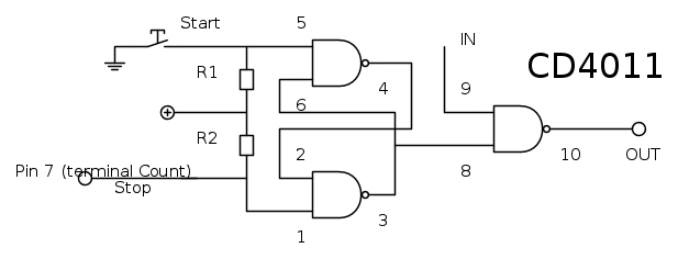
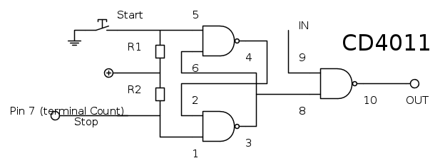
Lo pensata in questo modo...il pin 7 (terminal count) si trova sempre a livello alto tranne quando arriva a 0 che si trova a livello basso,ho fatto la prova mettendo un led tra pin 8 e pin 7, il led è sempre acceso mentre quando compare la cifra 0 si spegne...quindi se collego il pin 7 allo stop,allo 0 si dovrebbe bloccare per poi ripartire quando premo start
-

carlomusumeci
353 5 7 - Sostenitore

- Messaggi: 526
- Iscritto il: 8 apr 2011, 0:35
0
voti
[53] Re: CD 4093 (C-mos)
Funziona perfettamente :) grazie ma ora quando mettero un secondo contatore ad esempio quando arriva il numero 20 perche ce quello 0 si blocca ? o solo quando arriva a 00
-

carlomusumeci
353 5 7 - Sostenitore

- Messaggi: 526
- Iscritto il: 8 apr 2011, 0:35
0
voti
[55] Re: CD 4093 (C-mos)
marco438 ha scritto:Continui a voler fare di testa tua non seguendo i consigli che ti vengono dati.
A questo punto devi sbrigartela da solo.
ho solo fatto una prova e una domanda,se sono arrivato a questo punto e grazie a lei e gohan...perche dovrei sbrigarmela da solo che ho detto ?
-

carlomusumeci
353 5 7 - Sostenitore

- Messaggi: 526
- Iscritto il: 8 apr 2011, 0:35
0
voti
[56] Re: CD 4093 (C-mos)
Nei post precedenti ti ho spiegato come si deve procedere ma, ancora una volta, continui a voler fare "esperimenti" che non portano a nulla.
Se si trattasse di un contatore ad una cifra quella soluzione potrebbe anche andare ma.........
Ora, o mi dai ascolto oppure, come detto, continui da solo; non ho assolutamente voglia di perdere altro tempo.
Questo thread poteva essere risolto con una ventina di messaggi; siamo arrivati a 56 e non si vede ancora la fine.
Se si trattasse di un contatore ad una cifra quella soluzione potrebbe anche andare ma.........
Ora, o mi dai ascolto oppure, come detto, continui da solo; non ho assolutamente voglia di perdere altro tempo.
Questo thread poteva essere risolto con una ventina di messaggi; siamo arrivati a 56 e non si vede ancora la fine.
marco
0
voti
[57] Re: CD 4093 (C-mos)
ok mi scusi ho fatto una semplice prova...ha ragione andrebbe bene solo se il contatore sarebbe uno...
-

carlomusumeci
353 5 7 - Sostenitore

- Messaggi: 526
- Iscritto il: 8 apr 2011, 0:35
0
voti
[58] Re: CD 4093 (C-mos)
Questo e' possibile andandosi a studiare la tavola delle verita' relativa all'integrato contatore ed individuando le uscite da usare per ricavarne l'impulso necessario tramite una logica.
le uscite sono le 4 uscite binarie ?
-

carlomusumeci
353 5 7 - Sostenitore

- Messaggi: 526
- Iscritto il: 8 apr 2011, 0:35
0
voti
[60] Re: CD 4093 (C-mos)
carlomusumeci ha scritto:l'unica cosa che non va è che quando arriva a 00 non si stoppa il conteggio...
HEF4000
Non va bene così?
Chi c’è in linea
Visitano il forum: Nessuno e 133 ospiti

Elettrotecnica e non solo (admin)
Un gatto tra gli elettroni (IsidoroKZ)
Esperienza e simulazioni (g.schgor)
Moleskine di un idraulico (RenzoDF)
Il Blog di ElectroYou (webmaster)
Idee microcontrollate (TardoFreak)
PICcoli grandi PICMicro (Paolino)
Il blog elettrico di carloc (carloc)
DirtEYblooog (dirtydeeds)
Di tutto... un po' (jordan20)
AK47 (lillo)
Esperienze elettroniche (marco438)
Telecomunicazioni musicali (clavicordo)
Automazione ed Elettronica (gustavo)
Direttive per la sicurezza (ErnestoCappelletti)
EYnfo dall'Alaska (mir)
Apriamo il quadro! (attilio)
H7-25 (asdf)
Passione Elettrica (massimob)
Elettroni a spasso (guidob)
Bloguerra (guerra)



