Cos'è ElectroYou | Login Iscriviti

ElectroYou - la comunità dei professionisti del mondo elettrico

Transistor PNP per correnti elevate

Elettronica lineare e digitale: didattica ed applicazioni

Moderatori: Foto Utentecarloc, Foto Utenteg.schgor, Foto UtenteBrunoValente, Foto UtenteIsidoroKZ

3
voti

[51] Re: Transistor PNP per correnti elevate

Messaggioda Foto UtenteEnChamade » 19 nov 2013, 7:56

obiuan ha scritto:Il 555 inizia a funzionare da 4.5 V in su, quando la Vcc è sotto 4.5 V il pin è probabilmente in alta impedenza.


Non era mia intenzione innescare (ancora) un'altra polemica... :( è solo un confronto, senza la necessità di doversela prendere e senza la pretesa di dover/voler insegnare nulla a nessuno.
Foto UtentePietroBaima, il mio maestro, che per altro ieri hai detto indirettamente di rispettare, diede proprio una spiegazione simile. Ricordo che rimasi perplesso anche allora e a qualche mia obiezione mi disse: quando avrai anche tu oltre quarnt'anni di esperienza ti sarai accorto che in fase di accensione tutto può capitare... io gli ho creduto, ci ho ragionato, e diciamo che l'ho bevuta. Con questo non vuol dire che tu non abbia ragione e anzi, potrebbe esse un'occasione di confronto. Chi mi conosce bene sa che io sono sempre aperto a nuovi punti di vista! :ok:
Lungi da me l'affermare che uno o l'altro ha torto perché, di fatto, come dicevo prima, questo non è un errore ma uno stile di progetto, una forma d'arte. Lo diceva anche il vecchio Jim che l'elettronica può diventare un'arte.
Alla fine è ovvio che se devi ridurre i costi sono le prime a partire ma fino ad ora il mio datore di lavoro non si è mai lamentato della resistenza in più.

OT
Vi prego solo una cosa: evitate di litigare anche oggi...
/OT
Avatar utente
Foto UtenteEnChamade
6.498 2 8 12
G.Master EY
G.Master EY
 
Messaggi: 588
Iscritto il: 18 giu 2009, 12:00
Località: Padova - Feltre

3
voti

[52] Re: Transistor PNP per correnti elevate

Messaggioda Foto Utenteobiuan » 19 nov 2013, 10:01

EnChamade ha scritto:Foto UtentePietroBaima, il mio maestro, che per altro ieri hai detto indirettamente di rispettare, diede proprio una spiegazione simile.


L'ho detto e lo confermo...figuriamoci!

EnChamade ha scritto:Ricordo che rimasi perplesso anche allora e a qualche mia obiezione mi disse: quando avrai anche tu oltre quarnt'anni di esperienza ti sarai accorto che in fase di accensione tutto può capitare... io gli ho creduto, ciò ragionato, e diciamo che l'ho bevuta. Con questo non vuol dire che tu non abbia ragione e anzi, potrebbe esse un'occasione di confronto. Chi mi conosce bene sà che io sono sempre aperto a nuovi punti di vista! :ok:


a dire il vero, il fatto che in accensione tutto può capitare in questo contesto lo sto sostenendo io, non lui. Pietro sta dicendo l'opposto, riferito a quel particolare circuito si intende.

E' stato proprio lui qualche post fa a chiedere se vi fosse qualche ragione che lui non vedeva per mettere il pull down in quel circuito, a me è venuta in mente la fase di accensione prima che il 555 si attivasse e l'ho buttata lì.

comunque, ho visto lo schema del 555 e probabilmente la sua zona di "non funzionamento" è davvero a tensioni così basse che il problema non si pone, per cui in un progetto hobbistico quel pull down può probabilmente essere tralasciato in sicurezza.

Ben altro il discorso per un progetto industriale: sulle specifiche c'è scritto che sotto 4,5V l'integrato non funziona. Questo significa che l'uscita OUT a quelle tensioni non è specificata, dunque significa che il pull down va messo. Indipendentemente dallo schema completo specificato sul datasheets, perché un altro costruttore potrebbe usarlo diverso, un il costruttore stesso potrebbe realizzarne una nuova versione chissà quando senza nemmeno avvertire, visto che una modifica del comportamento sotto i 4,5 V non cambierebbe le specifiche. Quindi, personalmente, in un progetto che debba durare anni ed essere prodotto in scala, quella resistenza la metterei.

EnChamade ha scritto:Lungi da me l'affermare che uno o l'altro ha torto perché, di fatto, come dicevo prima, questo non è un errore ma uno stile di proggetto, una forma d'arte. Lo diceva anche il vecchio Jim che l'elettronica può diventare un'arte.
Alla fine è ovvio che se devi ridurre i costi sono le prime a partire ma fino ad ora il mio datore di lavoro non si è mai lamentato della resistenza in più.

OT
Vi prego solo una cosa: evitate di litigare anche oggi...
/OT


mai avuta alcuna intenzione.
_______________________________________________________
Gli oscillatori non oscillano mai, gli amplificatori invece sempre

Io HO i poteri della supermucca, e ne vado fiero!
Avatar utente
Foto Utenteobiuan
5.894 3 10 13
Master
Master
 
Messaggi: 980
Iscritto il: 23 set 2013, 23:45

0
voti

[53] Re: Transistor PNP per correnti elevate

Messaggioda Foto UtenteEnChamade » 19 nov 2013, 10:15

obiuan ha scritto:a dire il vero, il fatto che in accensione tutto può capitare in questo contesto lo sto sostenendo io, non lui. Pietro sta dicendo l'opposto, riferito a quel particolare circuito si intende.

Lo so; ed infatti era riferito a Foto UtentePietroBaima e non a te. Mi sono semplicemente limitato a riportare una cosa che mi capitò e che, guarda il caso, ti dava pure ragione. Era una risposta pensata per sostenere la tua tesi ma allo stesso tempo per intavolare un discorso civile e costruttivo anche con la controparte. Ma perché sei sempre così sulla difensiva e malevolo? Non ne vedo sinceramente il motivo...

obiuan ha scritto:mai avuta alcuna intenzione.

Non si direbbe, ma sicuramente mi sbaglio.
Avatar utente
Foto UtenteEnChamade
6.498 2 8 12
G.Master EY
G.Master EY
 
Messaggi: 588
Iscritto il: 18 giu 2009, 12:00
Località: Padova - Feltre

0
voti

[54] Re: Transistor PNP per correnti elevate

Messaggioda Foto UtentePietroBaima » 19 nov 2013, 10:21

Qui probabilmente non ci capiamo.
Io ieri ho chiesto perché viene messo quel pull-down, semplicemente perché secondo me è inutile.
Il fatto, però, che secondo me sia inutile non significa che lo sia davvero e quindi ho semplicemente
chiesto come mai venga inserito.
Le mie risposte successive riflettono solo le mie perplessità, perché finora ho avuto problemi con i
MOS solo quando li ho usati collegandoli alle uscite dei microcontrollori, che restano in HiZ per
un tempo eterno, relativamente al gate del MOS, soprattutto in fase di boot.
Non ho invece mai avuto problemi con logica cablata, sia essa stata TTL o CMOS.
Da qui la mia perplessità.
Quando argomento qualcosa non lo faccio per attaccare nessuno, semplicemente riporto le
mie considerazioni. Mi dispiace se Foto Utenteobiuan o altri possano essersi sentiti attaccati
per il gusto di farlo, non è certo mia intenzione. Ho dato questa impressione?

Se la risposta è "quel pull-down lo mettiamo per scrupolo perché vogliamo essere supersicuri che il gate abbia sempre una tensione ben definita" posso accettarla, anche se mi sembra davvero molto cautelativa.

tutto qui...
Ciao,
Pietro.
Generatore codice per articoli:
nomi
Sul forum:
[pigreco]=π
[ohm]=Ω
[quadrato]=²
[cubo]=³
Avatar utente
Foto UtentePietroBaima
90,7k 7 12 13
G.Master EY
G.Master EY
 
Messaggi: 12207
Iscritto il: 12 ago 2012, 1:20
Località: Londra

2
voti

[55] Re: Transistor PNP per correnti elevate

Messaggioda Foto Utenteobiuan » 19 nov 2013, 10:32

Oh ma signùr! :D

qua mi sa che sto sbagliando il tono dei post, perché io sono tranquillo e rilassato e invece sembra che stia attaccando, che non è assolutamente mia intenzione!!!

comunque, Pietro, quello che hai scritto l'avevo capito, e siamo d0accordo che è molto cautelativo. Io ce lo metterei, perché ho avuto esperienze di progetti poi modificati dal reparto "cambiamo i componenti con roba UGUALE ma che costa meno" infilandoci integrati cinesi equivalenti che in effetti lo erano, nei range descritti nel datasheet. Però concordo che è cautelativo, forse dipende dal campo di applicazione...io progettando per la maggior parte dispositivi di sicurezza che devono essere prodotti in milioni di pezzi, per anni, ed hanno funzione critica tendo ad esserlo.

ciao
Obi
_______________________________________________________
Gli oscillatori non oscillano mai, gli amplificatori invece sempre

Io HO i poteri della supermucca, e ne vado fiero!
Avatar utente
Foto Utenteobiuan
5.894 3 10 13
Master
Master
 
Messaggi: 980
Iscritto il: 23 set 2013, 23:45

2
voti

[56] Re: Transistor PNP per correnti elevate

Messaggioda Foto Utenterusty » 19 nov 2013, 12:55

Siccome mi piace riassumere ;-) ,possiamo concludere che sto benedetto pull esterno va sempre messo, tanto per toglierci ogni amletico dubbio? Che sia un 555 bipolare, un MOS o un appendiabiti un pull esterno lo mettiamo sempre, ok? :ok:

Sono pero' curioso di vedere una bella schermata di un DSO sul pin 3 del 555 bipolare, con uno sweep in tensione di alimentazione da, diciamo, 1-2 V alla tensione di funzionamento minima... chesso', fai un semplice astabile, e facce vede' sta bella curva (chi ha tempo e attrezzatura).

O_/
Avatar utente
Foto Utenterusty
4.075 2 9 11
Utente disattivato per decisione dell'amministrazione proprietaria del sito
 
Messaggi: 1578
Iscritto il: 25 gen 2009, 13:10

0
voti

[57] Re: Transistor PNP per correnti elevate

Messaggioda Foto UtenteTricka90 » 19 nov 2013, 20:36

Io non possiedo nemmeno un millesimo delle conoscenze necessarie per affrontare certi discorsi ma posso parlarvi di un fenomeno che ho appena riscontrato a livello pratico, proprio in questa applicazione, e che mi fa dar ragione a chi sostiene che i pull-down siano davvero importanti. Sia ben chiaro, non voglio schierarmi dalla parte di nessuno, anche perché non ci ho capito niente di chi sostiene una tesi e chi l'altra (tuttavia spero di dar ragione a Foto Utenteobiuan che mi è simpatico perché mi aiuta sempre, e a Foto Utenterusty, e dar torto a Foto UtentePietroBaima che mi dice sempre che le mie idee sono brutte e non funzionano (ovviamente scherzo :lol: )).
Scherzi a parte, l'altro giorno collegai i due mosfet al PIC senza ne resistenza in serie ne pull-down, per la curiosità di vedere se avrebbe funzionato lo stesso.



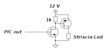
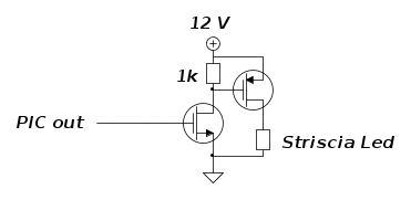
Ricordo che dal PIC esce una PWM a 1kHz che dimma la striscia di LED per impostare il valore di luminosità desiderato.
Una modalità prevede un effetto di lampeggiamento della striscia (intendo lampeggiamento ben visibile, tipo uno strobo, diciamo dai 20 ai 50 Hz orientativamente) che nel momento di ON ha la luminosità desiderata, e nel momento di OFF è completamente spenta (per ottenere ciò vario semplicemente lo stato della porta digitale da entrata a uscita, quindi senza variare il duty della PWM). E devo dire che questo effetto non funzionò correttamente con la configurazione su illustrata! La striscia lampeggiava a volte a luminosità altissima, con dei flash improvvisi e irregolari, a volte più bassa, il tutto in un modo molto confuso. Per il momento decisi di tenere quella configurazione perché quest'effetto imprevisto era persino più bello dell'originale :mrgreen: .
Oggi, incuriosito dalla discussione, ho provato la configurazione illustrata da Foto UtentePietroBaima qualche post fa:

PietroBaima ha scritto:




E come per magia...lampeggia correttamente, come previsto! :D
Quindi, per quanto poco possa contare la mia opinione, do ragione ai sostenitori del pull-down e personalmente prenderò sempre questa precauzione in applicazioni del genere :D


----


PietroBaima ha scritto:Se i due PWM sono sincroni potrebbe anche funzionare, ma di certo questo non è il modo di fare un sistema di questo tipo.

Se con sincroni intendi che operano con la stessa fase o frequenza no, non sono sincroni, sull' anodo comune della striscia ho 1kHz e sui 3 catodi circa 80-90 Hz.

PietroBaima ha scritto:Io, più che fare circuiti che funzionano per caso, cercherei di trarre esperienza e capire in profondità perché
le cose funzionano o non funzionano.
Mi pare di aver colto che tu abbia voglia di capire le cose: approfittane per rifare il circuito dieci volte (o anche meno :D) e capire a fondo come stiano le cose.

Ti assicuro che lo farei volentieri, non c'è nulla di più divertente di studiare nuove tecniche e provarle immediatamente sulla breadboard per vederle in funzione! E' che ormai il tempo stringe, questo progetto non è per me ma è un regalo di natale, quindi ho dovuto concludere rapidamente la mia idea idea di partenza per quanto inefficiente sia. Ti basti pensare che in questi giorni ho PAURA di provare il circuito per l'ansia di scoprire nuovi bug! :shock: In futuro voglio provare tecniche migliori, come la Demodulazione Coerente che i hai proposto e che ho iniziato a osservare, o la PWM di IsidoroKZ, ma per ora sono felice, anzi felicissimo di esser riuscito a far funzionare decentemente la mia idea di partenza, non ci avrei mai sperato :-)
Avatar utente
Foto UtenteTricka90
662 1 6 10
Expert
Expert
 
Messaggi: 627
Iscritto il: 1 lug 2013, 15:53

2
voti

[58] Re: Transistor PNP per correnti elevate

Messaggioda Foto UtentePietroBaima » 19 nov 2013, 20:49

Tricka90 ha scritto:(tuttavia spero di dar ragione a Foto Utenteobiuan che mi è simpatico perché mi aiuta sempre, e a Foto Utenterusty, e dar torto a Foto UtentePietroBaima che mi dice sempre che le mie idee sono brutte e non funzionano (ovviamente scherzo :lol: )).

bannato per un mese. :mrgreen:

Tricka90 ha scritto:che nel momento di ON ha la luminosità desiderata, e nel momento di OFF è completamente spenta (per ottenere ciò vario semplicemente lo stato della porta digitale da entrata a uscita, quindi senza variare il duty della PWM). E devo dire che questo effetto non funzionò correttamente con la configurazione su illustrata! La striscia lampeggiava a volte a luminosità altissima, con dei flash improvvisi e irregolari, a volte più bassa, il tutto in un modo molto confuso.

Il motivo è che, quando non usi il PWM, il pin va configurato comunque come uscita, altrimenti lasci il gate flottante.

Tricka90 ha scritto:Quindi, per quanto poco possa contare la mia opinione, do ragione ai sostenitori del pull-down e personalmente prenderò sempre questa precauzione in applicazioni del genere :D

Fai bene. Tra i sostenitori del pull down sui microcontrollori ci sono anche io.
Ho avuto problemi inenarrabili con i micro in fase di boot, a uscite ancora in HiZ collegate a dei gate di alcuni MOS.
Avevo (e in parte ancora ho) delle remore sulla necessità del pull down sulle uscite per le quali l'HiZ non è mai previsto. Si è però detto che si tratta di una soluzione conservativa.

Ciao,
Pietro.

PS: scherzo, non ti ho bannato per un mese. (ma per due mesi) :mrgreen: :mrgreen:
Generatore codice per articoli:
nomi
Sul forum:
[pigreco]=π
[ohm]=Ω
[quadrato]=²
[cubo]=³
Avatar utente
Foto UtentePietroBaima
90,7k 7 12 13
G.Master EY
G.Master EY
 
Messaggi: 12207
Iscritto il: 12 ago 2012, 1:20
Località: Londra

1
voti

[59] Re: Transistor PNP per correnti elevate

Messaggioda Foto UtenteTricka90 » 19 nov 2013, 22:52

PietroBaima ha scritto:Il motivo è che, quando non usi il PWM, il pin va configurato comunque come uscita, altrimenti lasci il gate flottante.


Caspita, allora non ho dimostrato proprio un ca**o, è fuor di dubbio che con l'input in floating il mosfet funzioni male senza pull-down! #-o

PietroBaima ha scritto:bannato per un mese. :mrgreen:
PS: scherzo, non ti ho bannato per un mese. (ma per due mesi) :mrgreen: :mrgreen:


Ma no dai avevo appena finito di scontare l'ultima pena! :( #-o
Spero solo che anche il voto della mia Decadenza venga rimandato a oltranza!
Avatar utente
Foto UtenteTricka90
662 1 6 10
Expert
Expert
 
Messaggi: 627
Iscritto il: 1 lug 2013, 15:53

0
voti

[60] Re: Transistor PNP per correnti elevate

Messaggioda Foto Utentelelerelele » 20 nov 2013, 9:28

Tricka90 ha scritto:è fuor di dubbio che con l'input in floating il mosfet funzioni male senza pull-down! #-o


a volte ci si perde in un bicchiere d'acqua.

ma l'importante è capire il perché. =D>
Avatar utente
Foto Utentelelerelele
4.899 3 7 9
Master
Master
 
Messaggi: 5505
Iscritto il: 8 giu 2011, 8:57
Località: Reggio Emilia

Precedente

Torna a Elettronica generale

Chi c’è in linea

Visitano il forum: Nessuno e 103 ospiti