non riesco a descriverlo visivamente
Beh, i 2 condensatori sono polarizzati rispetto allo zero centrale del secondario, non ti quadra
Moderatori:
carloc,
g.schgor,
BrunoValente,
IsidoroKZ


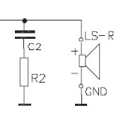
maxiteris ha scritto:Oscillazioni del segnale in uscita dovute a cosa ?
maxiteris ha scritto:In che modo evita le queste oscillazioni?
maxiteris ha scritto:Quali sono gli effetti derivanti da queste oscillazioni?


Oscillazioni del segnale in uscita dovute a cosa ?
Al fatto che un altoparlante è un carico con una notevole componente induttiva.
In che modo evita le queste oscillazioni?
Agendo come una sorta di circuito "spegni scintilla"
maxiteris ha scritto:... sto cercando di capire lo scopo della rete CR in parallelo agli altoparlanti:
Visitano il forum: Google [Bot] e 126 ospiti