Cos'è ElectroYou | Login Iscriviti

ElectroYou - la comunità dei professionisti del mondo elettrico

schema finale audio

Elettronica lineare e digitale: didattica ed applicazioni

Moderatori: Foto Utentecarloc, Foto Utenteg.schgor, Foto UtenteBrunoValente, Foto UtenteIsidoroKZ

1
voti

[51] Re: schema finale audio

Messaggioda Foto UtenteBrunoValente » 20 lug 2018, 20:41

venexian ha scritto:In cosa il circuito [44] è migliore del [39]?

Forse è meglio perché la corrente nei piloti è dello stesso valore di quella nei finali e quindi d'inverno contribuisce significativamente al tepore del salotto...

Mi pare sia una soluzione improponibile per un finale di potenza a componenti discreti, forse funziona all'interno di un integrato quindi con componenti identici e non di potenza.
Avatar utente
Foto UtenteBrunoValente
39,6k 7 11 13
G.Master EY
G.Master EY
 
Messaggi: 7796
Iscritto il: 8 mag 2007, 14:48

1
voti

[52] Re: schema finale audio

Messaggioda Foto Utenteelfo » 20 lug 2018, 21:38

Sul circuito nel post [44] ci sono da fare alcune osservazioni:

1) cosi come e' disegnato e' di principio (preso dal "brevetto") e ha un punto di lavoro (corrente nei transistor) non definito.

Questo non e' un problema perche' la soluzione e' banale (la trovate in rete).

2) Ha invece una caratteristica assai interessante:

a fronte di una dissipazione a riposo virtualmente "nulla" ha una capacita' di erogazione "illimitata' (ovviamente subentrano I limiti fisici dei componenti utilizzati).

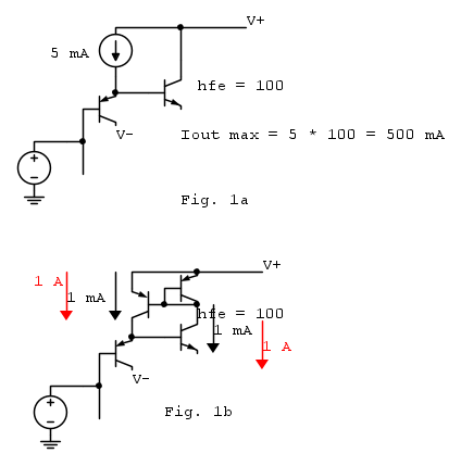
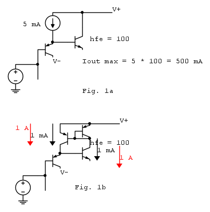
Vediamo

Guradiamo lo schema di Fig. 1a (un classico dell'elettronica anche audio - viene chiamato diamond buffer -> vedi google) - e' disegnato solo il semicircuito "superiore"

Se ammettiamo:

- nel ramo di SX scorre una corrente di 5 mA (imposta dal generatore di corrente )
- il transistor di uscita ha un hfe = 100 (costante con la corrente che ci scorre)

Allora la max corrente erogabile in uscita vale 500 mA

Guradiamo lo schema di Fig. 1b (anche qui solo il semicircuito "superiore")

Poiche' I due transistor superiori sono uno "specchio di corrente" la corrente che circola nel ramo di SX e di DX sono uguali.

la corrente che "ciuccia" in base il transistor di uscita e 1/100 di quella di uscita

Quindi - a riposo - la corrente in ciascun ramo puo' essere virtualmente 0.

In questa situazione la dissipazione del complesso dei transistor e' virtualmente 0

Supponiamo adesso che il carico in uscita richieda una corrente "grande a piacere".

La stessa corrente circola anche nel ramo che alimenta la base del tranistor di uscita che quindi non avra' nessuna limitazione all'erogazione (nel circuito precdente la corrente di base arrivava ad un max di 5 mA).

Questo comportamento e' la "reazione positiva" di cui parlavo nel post precedente.

Avatar utente
Foto Utenteelfo
6.819 4 5 7
G.Master EY
G.Master EY
 
Messaggi: 2828
Iscritto il: 15 lug 2016, 13:27

1
voti

[53] Re: schema finale audio

Messaggioda Foto UtenteBrunoValente » 20 lug 2018, 22:01

dadduni ha scritto:... Posso chiederti consigli a riguardo di questo benedetto amplificatore? Non sono completamente a digiuno di elettronica, non ho mai realizzato un amplificatore audio e mi piacerebbe orentarmi su qual coda di istruttivo, studiabile e magari che finzioni in maniera non vergognosa. Sui circuiti postati con operazionale che ne pensi?

Anzitutto congratulazioni =D>

Se ti occorre un buon amplificatore ti consiglio di acquistarlo già fatto, si risparmia anche in rogne oltre che in denaro.

Se vuoi fare esperienza pratica, quindi se vuoi realizzare circuiti stampati, cablaggi ecc. ti consiglio di affidarti a Foto UtentePiercarlo che conosce bene i progetti che si trovano in giro e che quindi saprà consigliarti meglio di me.

Se invece intendi sperimentare allora puoi provare a progettarlo prendendo spunto da schemi classici, cercando di rimanere sul semplice, non di grossa potenza e assolutamente non in classe A o classe D.

Il differenziale integrato funziona senz'altro meglio ma se intendi fare esperienza forse il differenziale a discreti è più istruttivo.
Avatar utente
Foto UtenteBrunoValente
39,6k 7 11 13
G.Master EY
G.Master EY
 
Messaggi: 7796
Iscritto il: 8 mag 2007, 14:48

0
voti

[54] Re: schema finale audio

Messaggioda Foto Utentevenexian » 20 lug 2018, 22:31

Ecco che spuntano i nanovolt di rumore. Fondamentali in un amplificatore audio...

Bisogna ammettere però che si accoppiano bene con le distorsioni armoniche dello 0,0003 %.

E i cavi??? Come mai non sono ancora saltati fuori? Se non hai i cavi giusti, altro che nanovolt...
Immagine
Avatar utente
Foto Utentevenexian
6.369 3 4 7
Master
Master
 
Messaggi: 2188
Iscritto il: 13 mag 2017, 10:07
Località: Venezia (ma va?)

3
voti

[55] Re: schema finale audio

Messaggioda Foto UtenteBrunoValente » 20 lug 2018, 22:47

Tanto per rimanere coi piedi per terra e per capire meglio di cosa stiamo parlando quando si tratta di distorsione dei segnali audio vorrei fare il punto su alcune semplici fatti facilmente verificabili.

Se provate ad amplificare un segnale audio complesso, come quello di un brano musicale, e ad osservare il segnale di uscita dell'amplificatore all'oscilloscopio mentre ascoltate il brano riprodotto dalla cassa acustica collegata all'amplificatore, potete verificare quanto sia facile che una forte distorsione non venga affatto percepita dall'orecchio: basta infatti alzare il volume fino al clipping per accorgersi che all'orecchio va ancora tutto bene e che la distorsione comincia ad essere percepibile solo quando il clipping inizia ad essere molto evidente all'oscilloscopio.

Tradotto in numeri significa che all'ascolto di un senale audio variegato/complesso la distorsione comincia ad essere percepibile quando supera il 5-8% o anche più, dipende dalla complessità del segnale, quanto più è complesso tanto più la distorsione non è percepita dall'orecchio.

Le cose vanno diversamente se si ascolta un segnale sinusoidale quindi semplice: in questo caso percepiamo la distorsione dovuta al clipping già quando è all'1-2% ma solo perché alzando il volume passiamo dall'ascolto del segnale indistorto a quello del segnale distorto, cioè solo perché c'è una variazione. Se invece facciamo distorcere ugualmente il segnale con il diffusore scollegato e poi colleghiamo il diffusore, quindi evitando il precedente ascolto del segnale indistorto, allora non siamo più in grado di percepire quella debole distorsione.

Detto questo, se un sarto mi proponesse un vestito su misura al prezzo di 10000€ e giustificasse quel prezzo dicendo che ha dovuto utilizzare il microscopio elettronico per raggiungere la precisione di 0.0003mm nel taglio della stoffa, quando a mala pena io riuscirei a percepire errori dell'ordine del centimetro, sapete dove lo manderei?... nello stesso posto dove manderei anche quello dell'amplificatore da 1.8kW con distorsione di 0,0003%
Avatar utente
Foto UtenteBrunoValente
39,6k 7 11 13
G.Master EY
G.Master EY
 
Messaggi: 7796
Iscritto il: 8 mag 2007, 14:48

0
voti

[56] Re: schema finale audio

Messaggioda Foto UtentePiercarlo » 21 lug 2018, 0:54

Mi sa che proprio dovrò svegliarmi un po' dal mio letargo e decidermi a scrivere due righe... :mrgreen:
Avatar utente
Foto UtentePiercarlo
24,0k 6 11 13
G.Master EY
G.Master EY
 
Messaggi: 6722
Iscritto il: 30 mar 2010, 19:23
Località: Milano

0
voti

[57] Re: schema finale audio

Messaggioda Foto UtenteEcoTan » 21 lug 2018, 8:59

Sicuramente c'è anche una non-linearità dell'altoparlante.
E' un fatto che quando passa una banda mi giro subito, cosa che nessun'altra banda passante riuscirebbe a fare.
Avatar utente
Foto UtenteEcoTan
7.720 4 12 13
Expert EY
Expert EY
 
Messaggi: 5426
Iscritto il: 29 gen 2014, 8:54

0
voti

[58] Re: schema finale audio

Messaggioda Foto Utentevenexian » 21 lug 2018, 9:44

elfo ha scritto:Questo comportamento e' la "reazione positiva" di cui parlavo nel post precedente.

Quella che hai descritto non è una 'reazione positiva'.

In elettronica, reazione positiva e reazione negativa hanno significato unico che non può essere adattato a piacere per effetti che nulla hanno a che vedere con il significato universalmente accettato.
Immagine
Avatar utente
Foto Utentevenexian
6.369 3 4 7
Master
Master
 
Messaggi: 2188
Iscritto il: 13 mag 2017, 10:07
Località: Venezia (ma va?)

0
voti

[59] Re: schema finale audio

Messaggioda Foto UtenteBrunoValente » 21 lug 2018, 10:10

elfo ha scritto:Circa anni '70 un Ing. della Brüel & Kjær (che non ha bisogno di presentazioni) parlando di Hi-Fi fece questo paragone :
Supponete che vi venga chiesto di "descrivere" a numeri la vostra donna ideale.
Probabilmente direste che *non* vi piacerebbe una donna alta 150 cm che pesa 150 kg, ma "fuori" da questi numeri non e' facile dire molto altro.
Se invece vedete una donna sapete dire - immediatamente - se vi piace oppure no.
L'ing. si riferiva al suono degli amplificatori: non sappiamo dire quali sono I numeri "giusti" affinche' per noi suoni bene ma se lo ascoltiamo sappiamo giudicare facilemente se ci piace oppure no.
Sugli schemi audio e' la stessa cosa: lo vedi e ti piace / non ti piace senza saper dare una giustificazione "tennica".
Questo almeno in prima approx.

Direi proprio che il paragone, peraltro molto stupido, non regge e non regge nemmeno in prima approssimazione perché una donna per essere decente deve avere altezza e larghezza comprese entro certi limiti, non certo andrebbe bene se fosse più bassa possibile e più larga possibile, mentre invece un amplificatore decente deve avere una distorsione più bassa possibile e una banda passante più alta possibile... strano che un ingegnere dica certe cose.

Non ci vuole molto a capire che un amplificatore per essere buono deve semplicemente amplificare il segnale di ingresso senza modificarlo ma siccome la perfezione non è di questo mondo si tratta di fare in modo che lo modifichi il meno possibile.

Cosa significa "fare in modo che lo modifichi il meno possibile"? Significa fare in modo che le inevitabili modifiche che l'amplificatore apporta al segnale devono essere più piccole di quanto il nostro orecchio sia in grado di percepire, quindi se l'entità di tali modifiche è dell'ordine di 2 o 3 volte il valore percepibile dal nostro orecchio vuol dire che si tratta di un cattivo amplificatore, se è dell'ordine di 1/5 o 1/10 del valore percepibile dal nostro orecchio vuol dire che si tratta di un buon amplificatore, se invece è dell'ordine di 1/100 o 1/1000 del valore percepibile dal nostro orecchio vuol dire che ci stanno prendendo in giro.

E non ci vuole neanche molto a capire che tra diversi amplificatori non può esserci alcuna differenza percepibile dal nostro orecchio se tutti modificano poco il segnale di ingresso, cioè al di sotto dei valori percepibili. Le eventuali differenze possono solo essere nella potenza o nell'esaltazione/attenuazione di alcune porzioni della banda audio se sono presenti dei filtri o dei controlli di tono.

elfo ha scritto:...ti dico che l'ampli con operazionale in ingresso e transistor di uscita e' "brutto" - in quella topologia - perche' a fronte di una "complicazione" data dal mix integrato / componenti discreti (che a mio vedere *non* porta nessun vantaggio - *non* mi chiedere la dimostrazione),

cosa significa? che dobbiamo crederci per fede?
elfo ha scritto:...ha la grossissima limitazione che la tensione di uscita sul carico e' limitata dalla max tensione di alimentazione dell'integrato - che e' poca.

Solo se lo stadio finale ha guadagno unitario ma comunque ci sono molti modi per aggirare l'ostacolo.
elfo ha scritto:Vuoi usare un integrato per fare un ampli da circa 10 W di ottima qualita'?
Banale! prendi qualche decina di operazionali audio (NE5532) e li metti in parallelo. Punto.
Vedi Doug Self che lo ha fatto.

Qui mi sa che stiamo proprio dando i numeri.
Avatar utente
Foto UtenteBrunoValente
39,6k 7 11 13
G.Master EY
G.Master EY
 
Messaggi: 7796
Iscritto il: 8 mag 2007, 14:48

0
voti

[60] Re: schema finale audio

Messaggioda Foto UtentePiercarlo » 21 lug 2018, 10:17

BrunoValente ha scritto:
elfo ha scritto: Vuoi usare un integrato per fare un ampli da circa 10 W di ottima qualita'?
Banale! prendi qualche decina di operazionali audio (NE5532) e li metti in parallelo. Punto.
Vedi Doug Self che lo ha fatto.


Qui mi sa che stiamo proprio dando i numeri.


No, è stato davvero fatto e proposto su un vecchio numero di "elektor" circa una decina di anni fa. Impiegava, se non ricordo male, una trentina di NE5532. Sinceramente, a parte irriguardose e irriferibili mie opinioni sulla pigrizia mentale di chi ha "progettato" il mostriciattolo, non ho proprio saputo che trovarci di buono o interessante in una simile "ideona".
Avatar utente
Foto UtentePiercarlo
24,0k 6 11 13
G.Master EY
G.Master EY
 
Messaggi: 6722
Iscritto il: 30 mar 2010, 19:23
Località: Milano

PrecedenteProssimo

Torna a Elettronica generale

Chi c’è in linea

Visitano il forum: Nessuno e 62 ospiti