clock da 60"
Moderatori:
carloc,
g.schgor,
BrunoValente,
IsidoroKZ
0
voti
[51] Re: clock da 60"
Stavo pensando che avresti potuto usare anche un LM298, per pilotare i motori passo-passo, ma ormai è fatta e lo riporto solo per curiosità.

-

PietroBaima
90,7k 7 12 13 - G.Master EY

- Messaggi: 12207
- Iscritto il: 12 ago 2012, 1:20
- Località: Londra
0
voti
[52] Re: clock da 60"
Anche questa è interessante, tra l'altro ne ho un paio e dato che devo rifare il PCB tanto vale che lo usi.
E' troppo chiederti lo schema da utilizzare?

E' troppo chiederti lo schema da utilizzare?

Alex
https://www.facebook.com/Elettronicaeelettrotecnica
<< vedi di pigliare arditamente in mano, il dizionario che ti suona in bocca,
se non altro è schietto e paesano.
(Giuseppe Giusti) <<
https://www.facebook.com/Elettronicaeelettrotecnica
<< vedi di pigliare arditamente in mano, il dizionario che ti suona in bocca,
se non altro è schietto e paesano.
(Giuseppe Giusti) <<
1
voti
[53] Re: clock da 60"
dammi dieci minuti... 
PS: mi stai facendo venire voglia di costruirmi un orologio a cartellini wifi.
PS: mi stai facendo venire voglia di costruirmi un orologio a cartellini wifi.
-

PietroBaima
90,7k 7 12 13 - G.Master EY

- Messaggi: 12207
- Iscritto il: 12 ago 2012, 1:20
- Località: Londra
0
voti
[54] Re: clock da 60"
Non so se hai visto in [ 26 ] la foto dell'orologio, venivano montati nelle stazioni ferroviarie, questo è un po' grande, ma ne esistevano anche un po' più piccoli con il mese e l'anno, so che questo lo mettono in vendita a non meno di 500 €
Hai tutto il tempo che vuoi

Hai tutto il tempo che vuoi

Alex
https://www.facebook.com/Elettronicaeelettrotecnica
<< vedi di pigliare arditamente in mano, il dizionario che ti suona in bocca,
se non altro è schietto e paesano.
(Giuseppe Giusti) <<
https://www.facebook.com/Elettronicaeelettrotecnica
<< vedi di pigliare arditamente in mano, il dizionario che ti suona in bocca,
se non altro è schietto e paesano.
(Giuseppe Giusti) <<
2
voti
[55] Re: clock da 60"
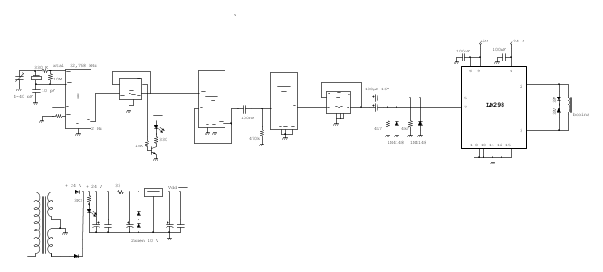
datasheet LM298
Ho alimentato tutto a 5V, dato che l'LM298 richiede questa tensione per la logica.
Direi che l'LM298 non necessiti di dissipatore, basta fargli un thermal pad on PCB.
setteali ha scritto:lo mettono in vendita a non meno di 500 €![]()
Mettiamo su un business...
Invito gli altri illustri partecipanti al thread a controllare il mio schema, grazie.
Ciao,
Pietro.
-

PietroBaima
90,7k 7 12 13 - G.Master EY

- Messaggi: 12207
- Iscritto il: 12 ago 2012, 1:20
- Località: Londra
0
voti
[56] Re: clock da 60"
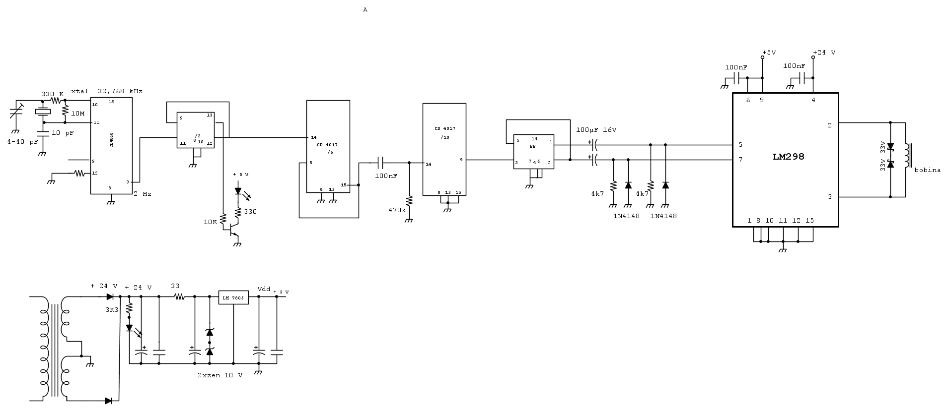
Bello !! Anche lo schema completo
Ok per l'alimentazione a 5 V e per il radiatore, anch'io non credo ce ne sia bisogno, la bobina con 24 V assorbe 50 mA .
Oggi dovrei riuscire a fare anche il PCB.
Di nuovo grazie
L'importante sarebbe avere gli orologi

Ok per l'alimentazione a 5 V e per il radiatore, anch'io non credo ce ne sia bisogno, la bobina con 24 V assorbe 50 mA .
Oggi dovrei riuscire a fare anche il PCB.
Di nuovo grazie
PietroBaima ha scritto:Mettiamo su un business...![]()
L'importante sarebbe avere gli orologi

Alex
https://www.facebook.com/Elettronicaeelettrotecnica
<< vedi di pigliare arditamente in mano, il dizionario che ti suona in bocca,
se non altro è schietto e paesano.
(Giuseppe Giusti) <<
https://www.facebook.com/Elettronicaeelettrotecnica
<< vedi di pigliare arditamente in mano, il dizionario che ti suona in bocca,
se non altro è schietto e paesano.
(Giuseppe Giusti) <<
0
voti
[57] Re: clock da 60"
setteali ha scritto:radiatore,
Anche questa è una cosa che va ponderata: una volta ho saldato il ponte H direttamente senza zoccolino per favorire la dissipazione, ma poi un filo è rimasto impigliato sotto una dadino e stringendo quest'ultimo ha fatto massa, l'integrato si è guastato e per varie ragioni non è stato facile risolvere.
0
voti
[58] Re: clock da 60"
Buonasera,
riprendo questo post perché ho fatto un'altra scheda, ma questa volta ho usato un L 298 come ponte H per comandare il solenoide dell'orologio, ma accade una cosa strana in una posizione viene alimentato con 19 V e nell'altra posizione a 11 V, ho pensato che dipendesse dal controllo che viene con un condensatore elettrolitico dal F/F 4013 , ma ho tolto gli elettrolitici e comandato alternativamente gli ingressi direttamente con i 5 V e il risultato non è cambiato.
L'alimentazione di potenza è 22 V e non cala.
La logica dell'L298 ha un LM7805 solo per lui, in quanto tutto il clock è alimentato con un 7812 perché con un 7805 l'oscillatore quarzato non partiva sempre.
Lo schema è questo ultimo nel post 55 fatto da
PietroBaima.
Da cosa può dipendere questo problema??????

riprendo questo post perché ho fatto un'altra scheda, ma questa volta ho usato un L 298 come ponte H per comandare il solenoide dell'orologio, ma accade una cosa strana in una posizione viene alimentato con 19 V e nell'altra posizione a 11 V, ho pensato che dipendesse dal controllo che viene con un condensatore elettrolitico dal F/F 4013 , ma ho tolto gli elettrolitici e comandato alternativamente gli ingressi direttamente con i 5 V e il risultato non è cambiato.
L'alimentazione di potenza è 22 V e non cala.
La logica dell'L298 ha un LM7805 solo per lui, in quanto tutto il clock è alimentato con un 7812 perché con un 7805 l'oscillatore quarzato non partiva sempre.
Lo schema è questo ultimo nel post 55 fatto da
Da cosa può dipendere questo problema??????

Alex
https://www.facebook.com/Elettronicaeelettrotecnica
<< vedi di pigliare arditamente in mano, il dizionario che ti suona in bocca,
se non altro è schietto e paesano.
(Giuseppe Giusti) <<
https://www.facebook.com/Elettronicaeelettrotecnica
<< vedi di pigliare arditamente in mano, il dizionario che ti suona in bocca,
se non altro è schietto e paesano.
(Giuseppe Giusti) <<
0
voti
[59] Re: clock da 60"
Potrebbe dipendere dagli Zener.
Togli il solenoide e gli zener e chiudi l'uscita su una resistenza e controlla se osservi lo stesso fenomeno.
Togli il solenoide e gli zener e chiudi l'uscita su una resistenza e controlla se osservi lo stesso fenomeno.
-

PietroBaima
90,7k 7 12 13 - G.Master EY

- Messaggi: 12207
- Iscritto il: 12 ago 2012, 1:20
- Località: Londra
0
voti
[60] Re: clock da 60"
Ciao e grazie per la risposta,
stamani ho tolto gli zener ( 2x 27V ) e siamo sempre al solito punto.
Il solenoide l'avevo già tolto, avevo messo due led , uno rosso e uno verde in parallelo e contrapposti con una resistenza in serie da 1,2 K in modo da vedere l'inversione, è vero che sono circa 20 mA, ma dovrebbero essere sufficienti come carico.
Ah dimenticavo, ho provato 3 integrati ed erano nuovi e acquistati 20 anni fa, quindi non cinesate

stamani ho tolto gli zener ( 2x 27V ) e siamo sempre al solito punto.
Il solenoide l'avevo già tolto, avevo messo due led , uno rosso e uno verde in parallelo e contrapposti con una resistenza in serie da 1,2 K in modo da vedere l'inversione, è vero che sono circa 20 mA, ma dovrebbero essere sufficienti come carico.
Ah dimenticavo, ho provato 3 integrati ed erano nuovi e acquistati 20 anni fa, quindi non cinesate
Alex
https://www.facebook.com/Elettronicaeelettrotecnica
<< vedi di pigliare arditamente in mano, il dizionario che ti suona in bocca,
se non altro è schietto e paesano.
(Giuseppe Giusti) <<
https://www.facebook.com/Elettronicaeelettrotecnica
<< vedi di pigliare arditamente in mano, il dizionario che ti suona in bocca,
se non altro è schietto e paesano.
(Giuseppe Giusti) <<
Chi c’è in linea
Visitano il forum: Nessuno e 277 ospiti

Elettrotecnica e non solo (admin)
Un gatto tra gli elettroni (IsidoroKZ)
Esperienza e simulazioni (g.schgor)
Moleskine di un idraulico (RenzoDF)
Il Blog di ElectroYou (webmaster)
Idee microcontrollate (TardoFreak)
PICcoli grandi PICMicro (Paolino)
Il blog elettrico di carloc (carloc)
DirtEYblooog (dirtydeeds)
Di tutto... un po' (jordan20)
AK47 (lillo)
Esperienze elettroniche (marco438)
Telecomunicazioni musicali (clavicordo)
Automazione ed Elettronica (gustavo)
Direttive per la sicurezza (ErnestoCappelletti)
EYnfo dall'Alaska (mir)
Apriamo il quadro! (attilio)
H7-25 (asdf)
Passione Elettrica (massimob)
Elettroni a spasso (guidob)
Bloguerra (guerra)
pigreco]=π



