Cos'è ElectroYou | Login Iscriviti

ElectroYou - la comunità dei professionisti del mondo elettrico

Orologio Nixie senza PIC o modernità simili

Elettronica lineare e digitale: didattica ed applicazioni

Moderatori: Foto Utentecarloc, Foto Utenteg.schgor, Foto UtenteBrunoValente, Foto UtenteIsidoroKZ

0
voti

[61] Re: Orologio Nixie senza PIC o modernità simili

Messaggioda Foto UtenteBrunoValente » 29 nov 2016, 13:19

TizianoLappa ha scritto:
BrunoValente ha scritto:Intanto si chiama SN74141N e non SN7441N

Quella sigla l'ho trovata sul progetto di nuova elettronica e su ebay in effetti si trovano con quella sigla esatta.
Io che non so, mi chiedo se siano esattamente lo stesso componente, un equivalente o cosa altro?

Mi sa che hai ragione forse esiste anche l'altro, devo controllare
Avatar utente
Foto UtenteBrunoValente
39,6k 7 11 13
G.Master EY
G.Master EY
 
Messaggi: 7796
Iscritto il: 8 mag 2007, 14:48

2
voti

[62] Re: Orologio Nixie senza PIC o modernità simili

Messaggioda Foto Utenteedgar » 29 nov 2016, 13:50

Volendo sperimentare un po' qui c'e' un'application note Burroughs che tratta del multiplexing di nixies
Avatar utente
Foto Utenteedgar
10,0k 4 5 8
Master
Master
 
Messaggi: 5229
Iscritto il: 15 set 2012, 22:59

4
voti

[63] Re: Orologio Nixie senza PIC o modernità simili

Messaggioda Foto Utentebanjoman » 29 nov 2016, 14:36

TizianoLappa ha scritto:
BrunoValente ha scritto:Intanto si chiama SN74141N e non SN7441N

Quella sigla l'ho trovata sul progetto di nuova elettronica e su ebay in effetti si trovano con quella sigla esatta.
Io che non so, mi chiedo se siano esattamente lo stesso componente, un equivalente o cosa altro?


I 7441 erano i primissimi driver per nixie. Vennero sostituiti dai 74141, piu' robusti e con alcune funzionalita' in piu' meno ovvero con codici BCD oltre il 9 il 7441 ripartiva da 0 oppure alternava tra 8 e 9, oppure generava altre combinazioni di filamenti a coppie. Per capire meglio, andate a questo link.
Nel 74141 tale funzionalita' e' stata eliminata e i codici BCD oltre il 9 non fanno accendere nessun filamento (comportamento a mio avviso piu' consono).
In ogni caso i 7441 devono essere stati in produzione per pochissimo. Io ho sempre visto i 74141, che sono comunque pin-to-pin compatibili al 100%, quindi vai tranquillo.
Se funziona quasi bene, è tutto sbagliato. A.Savatteri/M.Mazza
Avatar utente
Foto Utentebanjoman
12,2k 5 11 12
G.Master EY
G.Master EY
 
Messaggi: 1625
Iscritto il: 19 set 2013, 19:27

1
voti

[64] Re: Orologio Nixie senza PIC o modernità simili

Messaggioda Foto UtenteTardoFreak » 29 nov 2016, 15:52

E vabbè, ho ceduto alla tentazione.
Ho comprato 10 nixie e mi farò un orologio con un ARM. :mrgreen:
Quando mi arriveranno vedrò se fare il mobile in legno o rivestito in pelle. :cool:

Cmunque è colpa vostra! "[#]"
"La follia sta nel fare sempre la stessa cosa aspettandosi risultati diversi".
"Parla soltanto quando sei sicuro che quello che dirai è più bello del silenzio".
Rispondere è cortesia, ma lasciare l'ultima parola ai cretini è arte.
Avatar utente
Foto UtenteTardoFreak
73,9k 8 12 13
-EY Legend-
-EY Legend-
 
Messaggi: 15754
Iscritto il: 16 dic 2009, 11:10
Località: Torino - 3° pianeta del Sistema Solare

0
voti

[65] Re: Orologio Nixie senza PIC o modernità simili

Messaggioda Foto UtenteTizianoLappa » 29 nov 2016, 15:59

Foto UtenteTardoFreak non fare così!
Le tentazioni sono fatte apposta per farci cedere, ma non puoi prendertela con noi! :D

p.s. dove hai preso le nixie, che ci guardo anche io? :D
Avatar utente
Foto UtenteTizianoLappa
637 1 2 6
Expert
Expert
 
Messaggi: 392
Iscritto il: 9 apr 2014, 10:57

0
voti

[66] Re: Orologio Nixie senza PIC o modernità simili

Messaggioda Foto UtenteKagliostro » 29 nov 2016, 16:00

Mi permetto di segnalare questo venditore

sia per gli integrati, sia per dei moduletti con zoccolo che per le nixie stesse

http://tubes-store.com/index.php?cPath=32_62

http://tubes-store.com/index.php?cPath=32_43

http://tubes-store.com/index.php?cPath=32_44

interessante questa unità pre assemblata (surplus militare NOS)

http://tubes-store.com/product_info.php?products_id=756

EDIT: purtroppo al momento hanno esaurito gli integrati, quindi solo nixie e quei moduli pre-assemblati


K
Avatar utente
Foto UtenteKagliostro
6.401 4 5 7
Master
Master
 
Messaggi: 4832
Iscritto il: 19 set 2012, 11:32

0
voti

[67] Re: Orologio Nixie senza PIC o modernità simili

Messaggioda Foto UtenteTardoFreak » 29 nov 2016, 16:01

TizianoLappa ha scritto:dove hai preso le nixie, che ci guardo anche io? :D

Aliexpress. Un lotto da 10 per 37$
"La follia sta nel fare sempre la stessa cosa aspettandosi risultati diversi".
"Parla soltanto quando sei sicuro che quello che dirai è più bello del silenzio".
Rispondere è cortesia, ma lasciare l'ultima parola ai cretini è arte.
Avatar utente
Foto UtenteTardoFreak
73,9k 8 12 13
-EY Legend-
-EY Legend-
 
Messaggi: 15754
Iscritto il: 16 dic 2009, 11:10
Località: Torino - 3° pianeta del Sistema Solare

0
voti

[68] Re: Orologio Nixie senza PIC o modernità simili

Messaggioda Foto UtenteTizianoLappa » 29 nov 2016, 16:04

Avatar utente
Foto UtenteTizianoLappa
637 1 2 6
Expert
Expert
 
Messaggi: 392
Iscritto il: 9 apr 2014, 10:57

0
voti

[69] Re: Orologio Nixie senza PIC o modernità simili

Messaggioda Foto Utenteabusivo » 29 nov 2016, 16:12

TizianoLappa ha scritto:Manca solo il 74141...

Falla una telefonata a quei due signori che ti ho suggerito!
Magari trovi anche il resto!
Se quello che funziona basta non lo tocca' sennò te lassa!
Avatar utente
Foto Utenteabusivo
13,3k 4 7 10
Master
Master
 
Messaggi: 7008
Iscritto il: 16 ott 2012, 18:43
Località: L'Aquila

0
voti

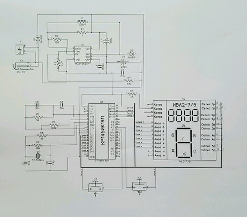
[70] Re: Orologio Nixie senza PIC o modernità simili

Messaggioda Foto UtenteKagliostro » 29 nov 2016, 16:26

Chissà se i più smaliziati saprebbero usare il circuito di base di questo

http://www.ebay.ie/itm/IVL2-7-5-2-7-5-VFD-Nixie-tube-clock-kit-KP145-K1911-and-MC34063AP1-/201730967411?hash=item2ef81a4773:g:aDgAAOSwZG9Wkp~T

$_57.JPG


per gestire delle nixie "singole"

K
Avatar utente
Foto UtenteKagliostro
6.401 4 5 7
Master
Master
 
Messaggi: 4832
Iscritto il: 19 set 2012, 11:32

PrecedenteProssimo

Torna a Elettronica generale

Chi c’è in linea

Visitano il forum: Nessuno e 146 ospiti