Non metto in dubbio che sia stato fatto e che funzioni pure, ovviamente non può arrivare a pilotare carichi di 8 ohm, forse può andare bene per le cuffie, ma il punto è che si tratta di una soluzione insensata quanto stupida perché ci sono altri mille modi per ottenere gli stessi risultati più intelligentemente.
Di questo passo potremmo arrivare a dire che incollando insieme tanti stuzzicadenti si possano sostituire i pilastri in cemento armato... magari ci sarà pure qualcuno che lo ha fatto e avrà pure funzionato ma io dico che non è uno furbo.
Ribadisco:
Qui mi sa che stiamo proprio dando i numeri!
schema finale audio
Moderatori:
carloc,
g.schgor,
BrunoValente,
IsidoroKZ
0
voti
BrunoValente ha scritto:se un sarto mi proponesse un vestito su misura [cut] a mala pena io riuscirei a percepire errori dell'ordine del centimetro
La differenza tra taglie e' di 2 (due) centimetri.
Per conferma, chiedi al tuo sarto.
0
voti
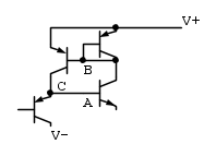
elfo, puoi girarla quanto vuoi, ma tra l'ingresso e l'uscita ci sono due giunzioni BE in serie.
Con i transistor in zona attiva, il circuito è un inseguitore e non c'è nessuna retroazione positiva.
Sempre che nei circuiti a diamante siano ancora valide le leggi fondamentali...
Con i transistor in zona attiva, il circuito è un inseguitore e non c'è nessuna retroazione positiva.
Sempre che nei circuiti a diamante siano ancora valide le leggi fondamentali...
0
voti
Se vuoi che la discussione abbia senso, devi argomentare sulle basi di ciò che viene scritto nei post. Allegare pezzi di schemi senza alcun commento serve solo ad alzare il rumore di fondo.
0
voti
Questo schema e' un "classico" esempio dell'elettronica in cui un "anello" a reazione positiva e' "annidato" in un "anello" (esterno) a reazione negativa.
Quessta volta *non* ho video da mostrarti.
Quessta volta *non* ho video da mostrarti.
0
voti
BrunoValente ha scritto:Non metto in dubbio che sia stato fatto e che funzioni pure, ovviamente non può arrivare a pilotare carichi di 8 ohm, forse può andare bene per le cuffie, ma il punto è che si tratta di una soluzione insensata quanto stupida perché ci sono altri mille modi per ottenere gli stessi risultati più intelligentemente.
Su questo non ci piove.
1
voti
venexian ha scritto:elfo, puoi girarla quanto vuoi, ma tra l'ingresso e l'uscita ci sono due giunzioni BE in serie.
E un anello con retroazione positiva intorno. Non e` annidata dentro a nulla, in quello schema. Come definisci una retroazione positiva (o negativa)? Forse e` quello che non ti permetteva di vederla.
Questo e` un circuito interessante per identificare la retroazione.
Per usare proficuamente un simulatore, bisogna sapere molta più elettronica di lui
Plug it in - it works better!
Il 555 sta all'elettronica come Arduino all'informatica! (entrambi loro malgrado)
Se volete risposte rispondete a tutte le mie domande
Plug it in - it works better!
Il 555 sta all'elettronica come Arduino all'informatica! (entrambi loro malgrado)
Se volete risposte rispondete a tutte le mie domande
Chi c’è in linea
Visitano il forum: Nessuno e 43 ospiti

Elettrotecnica e non solo (admin)
Un gatto tra gli elettroni (IsidoroKZ)
Esperienza e simulazioni (g.schgor)
Moleskine di un idraulico (RenzoDF)
Il Blog di ElectroYou (webmaster)
Idee microcontrollate (TardoFreak)
PICcoli grandi PICMicro (Paolino)
Il blog elettrico di carloc (carloc)
DirtEYblooog (dirtydeeds)
Di tutto... un po' (jordan20)
AK47 (lillo)
Esperienze elettroniche (marco438)
Telecomunicazioni musicali (clavicordo)
Automazione ed Elettronica (gustavo)
Direttive per la sicurezza (ErnestoCappelletti)
EYnfo dall'Alaska (mir)
Apriamo il quadro! (attilio)
H7-25 (asdf)
Passione Elettrica (massimob)
Elettroni a spasso (guidob)
Bloguerra (guerra)









