Cos'è ElectroYou | Login Iscriviti

ElectroYou - la comunità dei professionisti del mondo elettrico

Schmitt trigger (OPAMP + NTC)

Elettronica lineare e digitale: didattica ed applicazioni

Moderatori: Foto Utentecarloc, Foto Utenteg.schgor, Foto UtenteBrunoValente, Foto UtenteIsidoroKZ

0
voti

[61] Re: Schmitt trigger (OPAMP + NTC)

Messaggioda Foto Utentelelerelele » 6 feb 2024, 11:01

ThEnGi ha scritto:

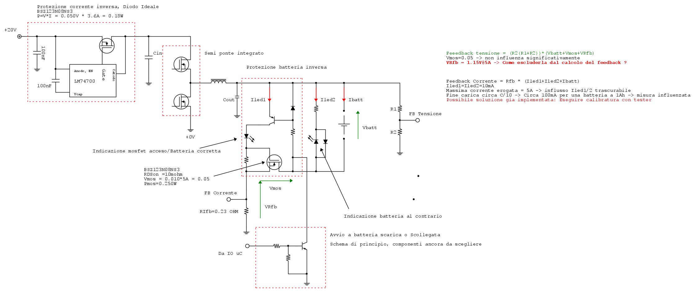
Mosfet e non diodo perché a 5A la potenza dissipata non è poca


sono un po arrugginito....

i due mosfet a sinistra sono i pilota del buck?
quindi, invece di mettere un diodo metti un mosfet, ma il diodo deve esere in conduzione quando l'induttore va sotto alla massa! Ha corrente entrante nella massa. Quindi il mosfet deve essere collegato appunto in tal senso, invertito, e mi chiedo, se ha un diodo interno di protezione dalla inversione di tensione come fa a lavorare?

sbaglio?
Avatar utente
Foto Utentelelerelele
4.899 3 7 9
Master
Master
 
Messaggi: 5505
Iscritto il: 8 giu 2011, 8:57
Località: Reggio Emilia

0
voti

[62] Re: Schmitt trigger (OPAMP + NTC)

Messaggioda Foto UtenteThEnGi » 6 feb 2024, 12:11

lelerelele ha scritto:sbaglio?


NO, Il mosfet sotto a sinistra è pilotato con logica inversa rispetto a quello sopra.
Perciò il comportamento è proprio idoneo a sostituire il diodo del Buck a cui si aggiunge nella parte iniziale di pilotaggio il diodo di body entra in conduzione

Quello a destra serve per evitare di collegare la batteria al contrario, ma mi crea disagio sul feedback di tensione.
Aggiungendo il Mosfet oltre alla caduta di tensione sullo shunt ho anche la caduta sul Mosfet e pensavo di risolvere togliendo il collegamento rosso e mettendo quello blu. Ma poi il tutto diventa flottante a batteria scollegata o inversa :evil:


O_/
Avatar utente
Foto UtenteThEnGi
2.230 3 6 9
Expert EY
Expert EY
 
Messaggi: 2228
Iscritto il: 6 ott 2022, 18:43

0
voti

[63] Re: Schmitt trigger (OPAMP + NTC)

Messaggioda Foto UtenteThEnGi » 6 feb 2024, 12:58

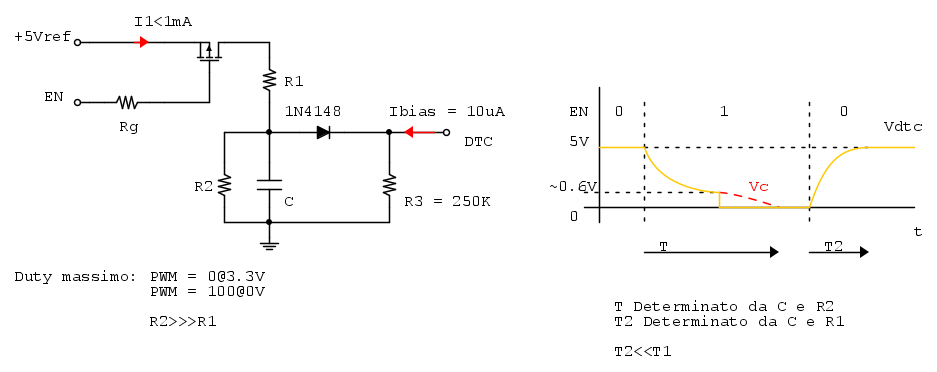
Il circuito per legare il DTC all'abilitazione dei Mosfet di prima battuta lo ho pensato così

Scusate la curva di scarica del condensatore che non è perfetta :ok:
R1 non credo sia necessaria, ma volevo evitare di caricare troppo LDO interno al TL494 mostrandogli una bassa resistenza (capacità scarica)



O_/
Avatar utente
Foto UtenteThEnGi
2.230 3 6 9
Expert EY
Expert EY
 
Messaggi: 2228
Iscritto il: 6 ott 2022, 18:43

0
voti

[64] Re: Schmitt trigger (OPAMP + NTC)

Messaggioda Foto Utentelelerelele » 6 feb 2024, 16:11

ThEnGi ha scritto:NO, Il mosfet sotto a sinistra è pilotato con logica inversa rispetto a quello sopra.

ho capito, il mio dubbio è che esso va a lavorare saturo, con drain più negativo del source, non ho mai usato un mosfet in questa condizione, non so come si comporti.

ok se funziona senza problemi, non lo sapevo, terrò presente per il futuro.

saluti.
Avatar utente
Foto Utentelelerelele
4.899 3 7 9
Master
Master
 
Messaggi: 5505
Iscritto il: 8 giu 2011, 8:57
Località: Reggio Emilia

0
voti

[65] Re: Schmitt trigger (OPAMP + NTC)

Messaggioda Foto Utentestefanopc » 7 feb 2024, 14:13

Mi sono un po' perso sugli ulteriori sviluppi del circuito. :D
Ciao
600 Elettra
Avatar utente
Foto Utentestefanopc
13,3k 5 9 13
Master EY
Master EY
 
Messaggi: 5567
Iscritto il: 4 ago 2020, 9:11

0
voti

[66] Re: Schmitt trigger (OPAMP + NTC)

Messaggioda Foto UtenteThEnGi » 8 feb 2024, 10:04

stefanopc ha scritto:Mi sono un po' perso sugli ulteriori sviluppi del circuito. :D
Ciao


In realtà non ti sei perso molto :mrgreen:

Faccio un piccolo recap. NDR: La soluzione analogica è stata scartata

1. Il sensore di temperatura è stato sostituito da un TMP275. A cui si aggiunge una NTC letta dal ADC del UC per la temperatura della batteria.
2. Ho buttato giù in PCB di massima per vedere come stavano i componenti accorgendomi che non stavo sfruttando tutta la superficie disponibile da produttore è uscito il post [60]

3. Ho creato il circuito di post [63] per legare il soft start al pin "Enable" e non all'alimentazione.

4. Ho aggiunto un diodo in parallelo al Mosfet basso del Buck per limitare la tensione negativa a 0.5V e non sovraccaricare il body Diode del Mosfet

A questi si aggiungono:

4. La protezione contro l'inserimento della batteria al contrario non funziona. Grazie Foto Utentelelerelele per avermi fatto riflettere sui mosfet polarizzati al contrario :ok:

5. Non è stata prevista nessuna protezione per la corrente inversa.




Il piano è il seguente:

1. Rivedere il circuito di [63], il diodo e R3 non servono in quanto non devo imporre un DT fisso

2. Per il problema 5 inserisco un mosftet con controller diodo ideale tipo LM74700, prima del Buck per avere una corrente più bassa = Imax = Iout*(Vout/Vin) = 5A*(14.4V/20V) = 3.6A, che poi è anche meno perché non mi aspetto di avere la massima corrente alla massima tensione della batteria.

3. Devo capire che circuito implementare, una prima ricerca nel web sono tutti circuiti con PMOS ma li volevo evitare perché hanno una RDSon più alta e a 5A vado a dissipare potenza

O_/
Avatar utente
Foto UtenteThEnGi
2.230 3 6 9
Expert EY
Expert EY
 
Messaggi: 2228
Iscritto il: 6 ott 2022, 18:43

2
voti

[67] Re: Schmitt trigger (OPAMP + NTC)

Messaggioda Foto UtenteIsidoroKZ » 9 feb 2024, 0:05

ThEnGi ha scritto:4. Ho aggiunto un diodo in parallelo al Mosfet basso del Buck per limitare la tensione negativa a 0.5V e non sovraccaricare il body Diode del Mosfet


Questo schottky e` inutile perche' il diodo di substrato del MOS ha la stessa capacita` di corrente del MOS, ed e` dannoso perche' se va in conduzione poi non hai tensione per spostare in fretta la corrente dallo schottky al MOS che conduce in inversa: entra in gioco l'induttanza parassita della maglia diodo-mos.

Meglio non metterlo.
Per usare proficuamente un simulatore, bisogna sapere molta più elettronica di lui
Plug it in - it works better!
Il 555 sta all'elettronica come Arduino all'informatica! (entrambi loro malgrado)
Se volete risposte rispondete a tutte le mie domande
Avatar utente
Foto UtenteIsidoroKZ
121,2k 1 3 8
G.Master EY
G.Master EY
 
Messaggi: 21059
Iscritto il: 17 ott 2009, 0:00

0
voti

[68] Re: Schmitt trigger (OPAMP + NTC)

Messaggioda Foto UtenteThEnGi » 9 feb 2024, 9:39

IsidoroKZ ha scritto:Meglio non metterlo.


Fatto !

Implementati "diodo" per bloccare corrente inversa (batteria->Alimentatore) e "Anti-sbaglio" batteria
Ha senso lasciare i led di segnalazione corretto inserimento?

La corrente che scorre nei due led è relativamente ininfluente perché verrà implementata una routine di taratura per legare il valore dell'ADC/Pot. Digitale all'uscita. In questo caso metto il tester e so che il valore x letto dall'ADC esclude già la corrente dei led.
Ma per il feedback di tensione come posso operare ? sarebbe da escludere la caduta di tensione sulle resistenze shunt....



O_/
Avatar utente
Foto UtenteThEnGi
2.230 3 6 9
Expert EY
Expert EY
 
Messaggi: 2228
Iscritto il: 6 ott 2022, 18:43

0
voti

[69] Re: Schmitt trigger (OPAMP + NTC)

Messaggioda Foto Utentelelerelele » 9 feb 2024, 10:28

l'ingresso di alimentazione lo usi non filtrato?

io ho la brutta abitudine di filtrare a tensione elevata, 20V od anche 24 V o più, quindi anche capacità ridotta danno con il buck una potenza notevole e pulita.

saluti.
Avatar utente
Foto Utentelelerelele
4.899 3 7 9
Master
Master
 
Messaggi: 5505
Iscritto il: 8 giu 2011, 8:57
Località: Reggio Emilia

0
voti

[70] Re: Schmitt trigger (OPAMP + NTC)

Messaggioda Foto UtenteThEnGi » 9 feb 2024, 13:04

lelerelele ha scritto:l'ingresso di alimentazione lo usi non filtrato?


Non ho capito :?: :?:

L'alimentazione del Buck (+20V) arriva da un "alimentatore" USB PD (5A@20V), in ingresso, dopo li "diodo", ci sono 100uF+10uF+100nF. Nello schema sono rappresentati da un solo condensatore (Cin).

Pensavo fosse sufficiente come filtraggio

In uscita è verso una batteria perciò anche se il ripple non è un problema, ci sono comunque 100uF+100uF+10uF+100nF (Cout)

10uF e 100nF sono ceramici e i 100uF sono elettrolitici

O_/
Avatar utente
Foto UtenteThEnGi
2.230 3 6 9
Expert EY
Expert EY
 
Messaggi: 2228
Iscritto il: 6 ott 2022, 18:43

PrecedenteProssimo

Torna a Elettronica generale

Chi c’è in linea

Visitano il forum: Nessuno e 169 ospiti