.... la resistenza vista dalla uscita dello strumento o del dispositivo che viene connesso all'ingresso dello amplificatore
Ah, capito, no, quel dato son sicuro di averlo conosciuto ed anche di averlo dimenticato ormai da tempo
K
Moderatori:
carloc,
g.schgor,
BrunoValente,
IsidoroKZ
.... la resistenza vista dalla uscita dello strumento o del dispositivo che viene connesso all'ingresso dello amplificatore








claudiocedrone ha scritto: rocksteady



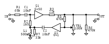
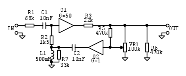
gill90 ha scritto:BrunoValente lo schema corrisponde, io credo che l'incongruenza nasca dal fatto che analizzi la variazione di impedenza solo dal punto di vista dell'influenza sull'ampiezza d'uscita.
In pratica, quando parli di variazioni di pochi dB che non dovrebbero sentirsi apprezzabilmente, in realtà non consideri che quel tipo di retroazione è fatta per essere in qualche modo "controllata" in maniera tale da variare l'andamento della funzione di trasferimento in modo ben preciso...






BrunoValente ha scritto:Come vedi la variazione che può subire la funzione di trasferimento a causa del potenziometro dipende solo da quanto il valore di R3 (22k) è più piccolo del valore del potenziometro.
claudiocedrone ha scritto:al massimo della escursione (pedale tutto su) arriva solo a ca. 170 kohm
Visitano il forum: Nessuno e 141 ospiti