Cos'è ElectroYou | Login Iscriviti

ElectroYou - la comunità dei professionisti del mondo elettrico

alimentatore da banco

Elettronica lineare e digitale: didattica ed applicazioni

Moderatori: Foto Utentecarloc, Foto Utenteg.schgor, Foto UtenteBrunoValente, Foto UtenteIsidoroKZ

0
voti

[71] Re: alimentatore da banco

Messaggioda Foto Utenteposta10100 » 30 ott 2011, 12:04

Foto Utenteimac27usa, segui il condiglio di Foto UtenteIsidoroKZ, compralo già fatto.
Ti costa meno e non rischi la pelle.

In ogni caso, se proprio vuoi farlo da te sei partito male, se vuoi arrivare a 30V in uscita devi mettere un trasformatore 220/24 V.

O_/
http://millefori.altervista.org
Tool gratuito per chi sviluppa su millefori.

Tutti sanno che una cosa è impossibile da realizzare, finché arriva uno sprovveduto che non lo sa e la inventa. (A. Einstein)
Se non c'e` un 555 non e` un buon progetto (IsidoroKZ)

Strumento per formule
Avatar utente
Foto Utenteposta10100
5.550 4 10 13
Master EY
Master EY
 
Messaggi: 4832
Iscritto il: 5 nov 2006, 0:09

0
voti

[72] Re: alimentatore da banco

Messaggioda Foto Utenteimac27usa » 30 ott 2011, 12:49

@posta10100 grazie della risposta qundi mettendo un trasformatore 230/24 vac ottengo 30v in uscita poi con il potenziometro varia la corrente fino a 1,2volt ma io volevo sapere se i valori dei componenti sono giusti aiutatemi voi
Avatar utente
Foto Utenteimac27usa
-2 2
 
Messaggi: 34
Iscritto il: 29 ott 2011, 17:54

4
voti

[73] Re: alimentatore da banco

Messaggioda Foto Utentemarco438 » 30 ott 2011, 14:00

Penso tu abbia letto i post precedenti nei quali tutti ti consigliano di prendere una strada diversa dall'autocostruzione che, tra l'altro, ti costerebbe in termini economici molto di piu' di quanto spenderesti comprando un alimentatore nuovo garantito e collaudato. (il solo trasformatore costa sui 40/50 euro)
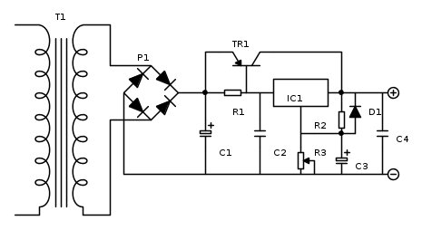
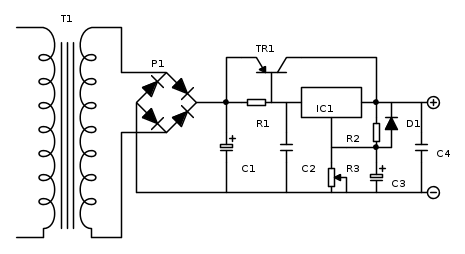
Per quanto abbia cercato di aiutarti in tutti i modi, vedo da quello che scrivi che l'unica cosa giusta e' quella che hai rilevato dallo schema e cioe' che il regolatore e' un LM317.
Per tutto il resto e' buio pesto!
Voglio comunque darti un'ultima possibilita' di riprovare facendo riferimento allo schema che segue nel quale ho numerato i componenti (almeno si capisce a cosa ti riferisci).
marco
Avatar utente
Foto Utentemarco438
37,1k 7 11 13
-EY Legend-
-EY Legend-
 
Messaggi: 16323
Iscritto il: 24 mar 2010, 15:09
Località: Versilia

0
voti

[74] Re: alimentatore da banco

Messaggioda Foto Utenteguzz » 31 ott 2011, 10:22

ma aprire una nuova discussione invece di intervenire in una a caso?
Avatar utente
Foto Utenteguzz
6.067 3 5 7
Master EY
Master EY
 
Messaggi: 3195
Iscritto il: 8 set 2011, 19:14
Località: Possagno (TV)

0
voti

[75] Re: alimentatore da banco

Messaggioda Foto Utentemarco438 » 31 ott 2011, 11:39

guzz ha scritto:ma aprire una nuova discussione invece di intervenire in una a caso?

E questo cosa vorrebbe dire?
marco
Avatar utente
Foto Utentemarco438
37,1k 7 11 13
-EY Legend-
-EY Legend-
 
Messaggi: 16323
Iscritto il: 24 mar 2010, 15:09
Località: Versilia

0
voti

[76] Re: alimentatore da banco

Messaggioda Foto Utenteguzz » 31 ott 2011, 12:22

prima di iniziare questa discussione Foto Utenteresponsabile aveva scritto qui... è ancora visibile dalle sue attività.

poi credo che Foto UtenteMike abbia spostato il suo intervento in una nuova discussione...
Avatar utente
Foto Utenteguzz
6.067 3 5 7
Master EY
Master EY
 
Messaggi: 3195
Iscritto il: 8 set 2011, 19:14
Località: Possagno (TV)

0
voti

[77] Re: alimentatore da banco

Messaggioda Foto Utentemarco438 » 31 ott 2011, 12:30

:ok:
marco
Avatar utente
Foto Utentemarco438
37,1k 7 11 13
-EY Legend-
-EY Legend-
 
Messaggi: 16323
Iscritto il: 24 mar 2010, 15:09
Località: Versilia

0
voti

[78] Re: alimentatore da banco

Messaggioda Foto UtenteIsidoroKZ » 31 ott 2011, 13:01

Ho ripulito io questo thread dal messaggio "a caso". Fra poco togliero` i messaggi dal [74] a questo. Non mi ero accorto del messaggio di Foto Utenteguzz.
Per usare proficuamente un simulatore, bisogna sapere molta più elettronica di lui
Plug it in - it works better!
Il 555 sta all'elettronica come Arduino all'informatica! (entrambi loro malgrado)
Se volete risposte rispondete a tutte le mie domande
Avatar utente
Foto UtenteIsidoroKZ
121,2k 1 3 8
G.Master EY
G.Master EY
 
Messaggi: 21059
Iscritto il: 17 ott 2009, 0:00

Precedente

Torna a Elettronica generale

Chi c’è in linea

Visitano il forum: Nessuno e 157 ospiti