Radiocomando
Moderatori:
carloc,
g.schgor,
BrunoValente,
IsidoroKZ
0
voti
[71] Re: Radiocomando
purtroppo no , per ha un microcontrollore circa 10 transistor e un po di resistenze e condensatori
-

milan1996pato2
851 3 10 13 - Sostenitore

- Messaggi: 1062
- Iscritto il: 4 ago 2011, 17:42
2
voti
[72] Re: Radiocomando
milan1996pato2 ha scritto:purtroppo no , per ha un microcontrollore circa 10 transistor e un po di resistenze e condensatori
Ok.
Allora, considerato che e' quasi ora di cena, prendi tutto quello che hai, aggiungi un po di olio, aglio e pomodoro e facciamo il ragout per gli spaghetti!
marco
0
voti
[74] Re: Radiocomando
ultimamente non ho tanto tempo per realizzarlo appena posso vi farò sapere 

-

milan1996pato2
851 3 10 13 - Sostenitore

- Messaggi: 1062
- Iscritto il: 4 ago 2011, 17:42
0
voti
[75] Re: Radiocomando
comunque io stavo pensando di fare come mi aveva detto [user]marco 438[/user] con i led IR ed usare 2 joystiq
-

milan1996pato2
851 3 10 13 - Sostenitore

- Messaggi: 1062
- Iscritto il: 4 ago 2011, 17:42
3
voti
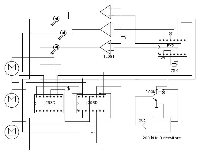
[76] Re: Radiocomando
sì,
marco438ho trovato un po' di tempo e finalmente ho riguardato il circuito.per quanto riguarda il joystick lo puoi usare ma devi avere solo i pulsanti; non si può usare l'analogico.il circuito che ti ha mostrato
marco438 nelle prime pagine non lo puoi usare perché come spiegato da altri le frequenze si accavallano così da combinare un pasticcio nei ricevitori. posto lo schema, ricontrollato.
-

daniele1996
610 3 8 11 - Sostenitore

- Messaggi: 1554
- Iscritto il: 29 ago 2011, 11:29
0
voti
[77] Re: Radiocomando
appena avrò un po di tempo ci proverò , peccato che non si possano usare gli analogici 

-

milan1996pato2
851 3 10 13 - Sostenitore

- Messaggi: 1062
- Iscritto il: 4 ago 2011, 17:42
0
voti
[78] Re: Radiocomando
li puoi usare ma è sempre un segnale digitale che trasmette non analogico. quindi lo aziona ma non ti va a regolare la velocità del motore. per farlo dovresti usare un trasmettitore analogico ed è un lavoro molto laborioso.
-

daniele1996
610 3 8 11 - Sostenitore

- Messaggi: 1554
- Iscritto il: 29 ago 2011, 11:29
0
voti
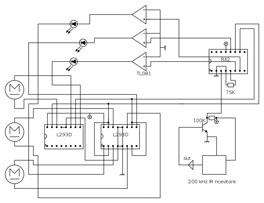
[80] Re: Radiocomando
sì i motori riescono a girare con quel circuito. aspetto tue notizie
___________________________________________________________________________________
PS: posta le foto appena lo completi
___________________________________________________________________________________
PS: posta le foto appena lo completi
-

daniele1996
610 3 8 11 - Sostenitore

- Messaggi: 1554
- Iscritto il: 29 ago 2011, 11:29
Chi c’è in linea
Visitano il forum: Nessuno e 82 ospiti

Elettrotecnica e non solo (admin)
Un gatto tra gli elettroni (IsidoroKZ)
Esperienza e simulazioni (g.schgor)
Moleskine di un idraulico (RenzoDF)
Il Blog di ElectroYou (webmaster)
Idee microcontrollate (TardoFreak)
PICcoli grandi PICMicro (Paolino)
Il blog elettrico di carloc (carloc)
DirtEYblooog (dirtydeeds)
Di tutto... un po' (jordan20)
AK47 (lillo)
Esperienze elettroniche (marco438)
Telecomunicazioni musicali (clavicordo)
Automazione ed Elettronica (gustavo)
Direttive per la sicurezza (ErnestoCappelletti)
EYnfo dall'Alaska (mir)
Apriamo il quadro! (attilio)
H7-25 (asdf)
Passione Elettrica (massimob)
Elettroni a spasso (guidob)
Bloguerra (guerra)

