Cos'è ElectroYou | Login Iscriviti

ElectroYou - la comunità dei professionisti del mondo elettrico

Sensing di corrente con media

Elettronica lineare e digitale: didattica ed applicazioni

Moderatori: Foto Utentecarloc, Foto Utenteg.schgor, Foto UtenteBrunoValente, Foto UtenteIsidoroKZ

2
voti

[71] Re: Sensing di corrente con media

Messaggioda Foto UtenteSte75 » 16 apr 2012, 10:17

Ciao a tutti.
Innanzitutto GRAZIE ad entrambi per l'aiuto che mi state dando.

Venerdi sera ho letto "velocemente" il post [67] scritto da Foto UtenteIsidoroKZ e ... diciamo il discorso dei poli cognugati... non "mi ha fatto dormire" nel week end :-P

Poi oggi ho letto gli altri due post.

A questo punto, cerco di approfondire meglio questo argomento che potrei riassumere cosi:
Dare significato ad un anello chiuso che presente un polo reale e due poli complessi cognugati. E poi capire cosa s'intende per "poli complessi cognugati lasciati liberi" oppure "non smorzati".

Faccio però delle premesse:
1. Avevo scritto che per me era "un esercizio" quello di provare a fare una compensazione come se fossi uno studente che, alla luce della teoria che sta studiando, prova a risolvere un probleme che gli si pone. Proprio per questo, il bello è se vengono fuori i pro e i contro e poi uno migliora la cosa (e la sua conoscenza). Quindi come prima soluzione mi è venuta quella della compensazione con polo dominante (si dice cosi?)
2. Confermo che lo scopo non è di "amplificare" un segnale di ingresso, la Vref, ma essere un alimentatore con uscita stabilizzata a 6V, con carico costante. L'unica cosa è che la Vin che normalmente deve essere 12V, avrà un ripple a 100Hz, facciamo di 1 Vpp. Vref cercherà di essere il più preciso, e costante possibile.
3. Purtroppo non ho mai usato LTspice. Oggi ci provo e cosi posso fare anch'io qualche prova.


Ora qualche osservazione che parte dai vostri ultimi messaggi

Torna anche a me che la resistenza da considerare nel guadagno è solo una delle due 5K (quella che chiami R1). Per la frequenza di cross over della curva gialla nel post [67] io ho considerato la proprietà del prodotto guadgno-banda per curve a -20dB/dec. Ho scritto:
40Hz*24=x*1 --> x=960Hz. Poi confermo che non so da dove mi sia venuto fuori il \tau di 5ms ... invece di 166us.

Sinceramente, ho letto e riletto entrambi i messaggi, ma non ho ancora ben chiaro perché, se nel gloop taglio a 0dB con un bel margine di fase, dovrei avere quelle oscillazioni che dite...

Mio ragionamento:
il fronte di un gradino sulla Vref (cioè alla accensione) praticamente "stimola" tutte le frequenza dello spettro...
Allora, sempre nel mio ragionamento del week end, mi sono detto: ok, a 4kHz ci sono due poli CC. E qui mi sono ricordato tutto lo studio fatto ormai 15gg fa su come reagisce un sistema che ha dei poli CC nella sua FdT. E, se mi ricordo bene, antitrasformando compaiono le oscillazioni la cui frequenza e ampiezza smorzata erano proporzioanli alla parte reale ed immaginara dei poli.
Quindi il fronte del gradino, eccita questa frequenza ... ecco da dove salta fuori. Poi però è smorzata.
E questo discorso potrebbe essere lo stesso se entrasse un "disturbo" tipo delta di dirac, che mi eccita un po tutte le frequenze..

Però allora mi chiedo: altri tipi di compensazione riscono in qualche modo a "trasformare" questi poli CC in poli reali (quindi senza parte imamginaria che quindi provoca oscillazione)??

In sostanza devo capire questa cosa: la differenza tra avere una Gloop che taglia a 0dB con pendenza -2 (o in altri termini avere un piccolo margine di fase) e avere un Gloop che con un buon margine di fase, ma con .. non so ad esempio a 4kHz... dei poli complessi cognugati.

Posso girarmi la domanda anche cosi: facciamo finta che il mio filtro LC del buck NON sia un LC ma sia la cascata di due RC tutti e due con freq di taglio a 4kHz. Quindi a 4kHz ho due poli reali ma che fanno scendere il Gloop di 40dB/dec. Posso dire che senza una compensazione il sistema in anello chiuso fatto cosi è instabile? E se lo stabilizzo con polo dominante, posso dire che NON ho il problema di cui stiamo parlando?

Scusate se sono stato un po ripetitivo, ma spero abbiate capito quale è la questione che devo studiare ora.

Infine purtroppo non ho chiaro il discorso di Foto UtenteEnChamade in cui scrivi:

Enchamade ha scritto:se vai a calcolare la FdT fra Vref e VErr ti accorgerai che non è proprio l'integratore che ti aspetti e che hai dimensionato per la compensazione. Per eliminare quelle sovraelungazioni al variare di Vref devi "bilanciare" il circuito di compensazione, in modo che il medesimo integratori sia visto sia da Vref e Vout


Come penso di muovermi:
- provo a fare simulazioni LTSPICE e capire di quelle oscillazioni.
- sudio ancora qualcosa
- provo a studiare una compensazione diversa

Ciao!
Stefano
"perché un uomo è grande, GRANDE davvero, quando ritorna bambino di nuovo". Zecchino d'oro '87
Avatar utente
Foto UtenteSte75
2.575 1 7 13
Master
Master
 
Messaggi: 214
Iscritto il: 7 dic 2007, 12:31
Località: Monza e Brianza

2
voti

[72] Re: Sensing di corrente con media

Messaggioda Foto UtenteEnChamade » 16 apr 2012, 14:42

Ciao a tutti.
Cerco di chiarire quello che ho scritto nel precedente post, frutto di un ragionamento per comprendere fino in fondo le proprietà dell'anello appena compensato da Foto UtenteSte75. Pensavo che potesse essere utile, ma mi sa che ha fatto solo confusione...

Ste75 ha scritto:Avevo scritto che per me era "un esercizio" quello di provare a fare una compensazione come se fossi uno studente che, alla luce della teoria che sta studiando, prova a risolvere un probleme che gli si pone. Proprio per questo, il bello è se vengono fuori i pro e i contro e poi uno migliora la cosa (e la sua conoscenza).

Anche nel mio caso. Volevo solo capire a fondo la dinamica dell'oggetto che avevi appena progettato...

Ste75 ha scritto:Confermo che lo scopo non è di "amplificare" un segnale di ingresso, la Vref, ma essere un alimentatore con uscita stabilizzata a 6V, con carico costante. L'unica cosa è che la Vin che normalmente deve essere 12 V, avrà un ripple a 100Hz, facciamo di 1 Vpp. Vref cercherà di essere il più preciso, e costante possibile

Questo lo so. Il mio discosrso sulla dinamica per le variazioni al gradino di Vref era un'analisi per comprendere fino in fondo il comportamento dell'anello. Non mi capacitavo perché, pur avendo un alto margine di fase, l'uscita risuanva in quel modo. Mi sembrava carino vedere questo aspetto fino in fondo... Poi, se intendi usare il circuito come "amplificatore" di potenza siamo tutti concordi che questo progetto, fatto così, non va assolutamente bene.

Ste75 ha scritto:Venerdi sera ho letto "velocemente" il post [67] scritto da Foto UtenteIsidoroKZ e ... diciamo il discorso dei poli cognugati... non "mi ha fatto dormire" nel week end :-P


Ste75 ha scritto:Sinceramente, ho letto e riletto entrambi i messaggi, ma non ho ancora ben chiaro perché, se nel gloop taglio a 0dB con un bel margine di fase, dovrei avere quelle oscillazioni che dite...


Ste75 ha scritto:Infine purtroppo non ho chiaro il discorso di Foto UtenteEnChamade in cui scrivi:

Enchamade ha scritto:se vai a calcolare la FdT fra Vref e VErr ti accorgerai che non è proprio l'integratore che ti aspetti e che hai dimensionato per la compensazione. Per eliminare quelle sovraelungazioni al variare di Vref devi "bilanciare" il circuito di compensazione, in modo che il medesimo integratori sia visto sia da Vref e Vout



Spiego bene il ragionamento che ho fatto, sperando di chiarire. Ovviamente questo esula dalla discussione, ma era solo per capire quello che LTSpice ti sputa fuori... Insomma, imparare un po' di elettronica in più!
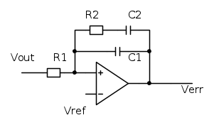
Oggi ho ripetuto le simulazioni in parallelo con simulink e LTSpice inserendo le opportune correzioni già discusse da Foto UtenteIsidoroKZ. Lo scopo era verificare se quello che avevo in testa era corretto.

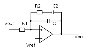
Iniziamo dal circuito di compensazione in analisi.

dove posso dire che
V_{Err}(s)=\frac{1+sC(R_1//R_2)}{sC(R_1//R_2)}V_{ref}-\frac{1}{sCR_1}V_{out}=\left[H_1(s)V_{ref}-V_{out}\right] H_2(s)

con
H_1(s)=\frac{R_1+R_2}{R_2}[1+sC(R_1//R_2)]
H_2(s)=\frac{1}{sCR_1}

e, in schema a blocchi, avrò


Il sistema completo, in schema a blocchi, sarà quindi


dove, nel processo di compensazione, hai dimensionato H_2(S).
Buttiamo tutto in simulink, e vediamo cosa ne esce. Immaginiamo di avere un gradino su Vref, da 0 a 3V.

New_Matlab.jpg
New_Matlab.jpg (98.17 KiB) Osservato 2691 volte


e, usando il file inserito da Foto UtenteIsidoroKZ di LTSpice, abbiamo

New_LTSpice.jpg
New_LTSpice.jpg (54.81 KiB) Osservato 2691 volte


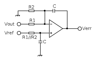
Puoi compensare l'effetto di H_1(s), inserendo un polo solo per Vref, ossia inserendo una rete RC sull'ingresso non invertente della compensazione. Avrai


la cui FdT diventa
V_{Err}(s)=\left[\frac{R_1+R_2}{R_2}V_{ref}-V_{out}\right]\frac{1}{sCR_1}=\left[H_1(s)V_{ref}-V_{out}\right] H_2(s)

dove, adesso abbiamo,
H_1(s)=\frac{R_1+R_2}{R_2}

Ributtiamo tutto su simulink. Ottengo
New_Matlab_Comp.jpg
New_Matlab_Comp.jpg (97.57 KiB) Osservato 2691 volte

Purtroppo non posso inserire la simulazione con LTSpice perché ho terminato gli allegati disponibili... Ad ogni modo viene molto simile.
Come detto da Foto UtenteIsidoroKZ, questa è una pezza e nel tuo caso non ha nemmeno tanto senso. Bisogna dimensionare in altro modo. Tuttavia, mi sembrava carino riflettere su questo aspetto e sviscerare fino in fondo il comportamento di questo anello.
Non capisco invece una cosa e qui la chiedo a Foto UtenteIsidoroKZ. perché dici che limito la banda a 40Hz? Non sto semplicemente compensando uno zero presente nel sistema? Se faccio il diagramma di bode della FdT equivalente in questo caso ce l'ho ben più larga... Grazie della risposta.
Ovviamente attendo commenti.
Ciao
Avatar utente
Foto UtenteEnChamade
6.498 2 8 12
G.Master EY
G.Master EY
 
Messaggi: 588
Iscritto il: 18 giu 2009, 12:00
Località: Padova - Feltre

1
voti

[73] Re: Sensing di corrente con media

Messaggioda Foto UtenteSte75 » 23 apr 2012, 14:59

Ciao.

Dopo qualche giorno di pausa in cui ho chiarito un BEL po di concetti che mi erano poco chiari (GRAZIE INFINITE Foto UtenteEnChamade per aiuto via messaggi privati), vorrei continuare l'esercizio.

Riassunto delle puntate precedenti:

Nella mia prima prova di compensazione, a polo dominante, ho trovato una soluzione stabile, ma povera in prestazioni.
La banda dell'anello è di circa 1kHz e quindi con il rischio che eventuali variaizoni "veloci" delle grandezze coinvolte (prime fra tutte lo scalino sulla Vref), eccitino la risonanza dei poli CC. Questo perché per frequenze superiori al kHz il sistema in verità non è più ben reazionato, quindi i segnali non percorrono più l'anello dal blocco retroazione, ma nel blocco di andata, trovandomi appunto i poli CC.

A questo punto vorrei provare una compensazione diversa.
Al solito non è detto che sia la soluzione migliore, ma dato che sto "studiando" provo e scopro.


Adesso, prima di mettermi a fare la fdt in modo rigoroso, volevo vedere se riesco a trovare l'andamento della fdt in modo intuitivo.

Per f--> infinito --> guadagno NULLO
Per f->0 condensatori aperti --> guadano infinito
Aumentando la frequenza, se faccio in modo che si chiuda prima C2 lasciando aperto C2, i il guadagno in tensioine sarà R2/R1.

Mi aspetto un'andamento fatto cosi:



A questo punto chiedo: c'è un modo "veloce" per trovare i valori di fz, fp e dB(0) che mi serviranno poi? Da ricordi passati di studi mi riaffiora che per i poli consideravo un condensatore alla volta, trovavo la sua Req... però non sono sicuro. E poi non ricordo come trovare la freq dello zero.

Sennò mi metto a fare i conti standard (passo nella variabile s).

Ciao
"perché un uomo è grande, GRANDE davvero, quando ritorna bambino di nuovo". Zecchino d'oro '87
Avatar utente
Foto UtenteSte75
2.575 1 7 13
Master
Master
 
Messaggi: 214
Iscritto il: 7 dic 2007, 12:31
Località: Monza e Brianza

0
voti

[74] Re: Sensing di corrente con media

Messaggioda Foto UtenteIsidoroKZ » 23 apr 2012, 15:28

EnChamade ha scritto:Non capisco invece una cosa e qui la chiedo a Foto UtenteIsidoroKZ. perché dici che limito la banda a 40Hz? Non sto semplicemente compensando uno zero presente nel sistema? Se faccio il diagramma di bode della FdT equivalente in questo caso ce l'ho ben più larga... Grazie della risposta.
Ciao


Si`, stai cancellando uno zero del sistema. Avevo visto il primo grafico di risposta al gradino che avevi messo qualche messaggio fa, in cui c'era anche una risposta esponenziale lenta (perche' il polo non era sotto lo zero) e mi sembrava che ci fosse la banda limitata.

Se si mette lo zero sopra il polo in teoria si cancellano, in pratica si ottiene un doublet (doppietto?) che in questi sistemi va bene, nei sistemi di precisione no, perche' rallenta comunque l'andamento a regime.
Per usare proficuamente un simulatore, bisogna sapere molta più elettronica di lui
Plug it in - it works better!
Il 555 sta all'elettronica come Arduino all'informatica! (entrambi loro malgrado)
Se volete risposte rispondete a tutte le mie domande
Avatar utente
Foto UtenteIsidoroKZ
121,2k 1 3 8
G.Master EY
G.Master EY
 
Messaggi: 21059
Iscritto il: 17 ott 2009, 0:00

3
voti

[75] Re: Sensing di corrente con media

Messaggioda Foto UtenteIsidoroKZ » 23 apr 2012, 15:43

Ste75 ha scritto:A questo punto chiedo: c'è un modo "veloce" per trovare i valori di fz, fp e dB(0) che mi serviranno poi? Da ricordi passati di studi mi riaffiora che per i poli consideravo un condensatore alla volta, trovavo la sua Req... però non sono sicuro. E poi non ricordo come trovare la freq dello zero.


1) Fai i conti con la variabile s. Magari Foto UtenteRenzoDF potrebbe arrivare in aiuto con il 2EET.

2) Si puo` fare un calcolo "a vista", ma e` pericoloso.

Comunque il conto a vista viene di questo tipo.

A frequenze molto basse R2<<|ZC2| e quindi possiamo trascurare R2 e i due condensatori sono in parallelo. Il primo tratto in discesa e` quindi un integratore con andamento asintotico a -\frac{1}{sR_1(C_1+C_2)}

Il condensatore C2 continua a fare il suo lavoro di condensatore, e quindi a dominare la serie, finche' la sua impedenza e` maggiore di R2. Quando |ZC2|=R2 il condensatore C2 si toglie dai piedi, e rimane sono R2. SE a questa frequenza |ZC1| e` ancora >> di R2 il parallelo fra ZC1 e R2 e` dominato da R2 e il guadagno si stabilizza. Questo capita quando R2=\frac{1}{sC_2} e quindi si ha che la frequenza dello zero vale f_z=\frac{1}{2 \pi R_2 C_2}

La condizione di R2<<|ZC1| non e` importante per la frequenza dello zero, ma solo per avere il tratto orizzontale.

Dal tratto orizzontale in poi il condensatore C2 puo` essere considerato un cortocircuito e quindi si puo` approssimare il successivo andamento integrativo come un integratore con capacita` C1. Questa capacita` diventa importante, e quindi fa scendere il guadagno, quando la sua impedenza diventa minore o uguale ad R2, e quindi la frequenza del polo puo` essere approssimata da f_p=\frac{1}{2\pi R_2C_1}

In realta` questa e` una approssimazione, perche' i due condensatori, per quanto riguarda solo l'impedenza di retroazione, sono in serie e quindi al posto di C1 bisognerebbe considerare C1 in serie a C2, ma se C2>>C1, va bene cosi`.

3) I conti si fanno passando nella variabile s. Quello che ho raccontato prima e` una giustificazione a che cosa capita, ma solo perche' solo gia` come viene il risultato. Senza sapere il risultato puo` essere complicato andare "ad occhio".
Per usare proficuamente un simulatore, bisogna sapere molta più elettronica di lui
Plug it in - it works better!
Il 555 sta all'elettronica come Arduino all'informatica! (entrambi loro malgrado)
Se volete risposte rispondete a tutte le mie domande
Avatar utente
Foto UtenteIsidoroKZ
121,2k 1 3 8
G.Master EY
G.Master EY
 
Messaggi: 21059
Iscritto il: 17 ott 2009, 0:00

2
voti

[76] Re: Sensing di corrente con media

Messaggioda Foto UtenteSte75 » 23 apr 2012, 16:02

Grazie Foto UtenteIsidoroKZ per la risposta, adesso la leggo con calma.
Intanto avevo già preparato questo messaggio:

**************
Mentre facevo delle prove "cartacee" mi sono accorto che perché quella compensazione abbia senso, devo tenere in considerazione anche il contributo dello zero dell'ESR del Cout.

Quello che voglio fare è questo:
parto dal diagramma di bode del filtro LC con lo zero ESR del Cout.


Considero la compensazione come in questo secondo diagramma:



Ottenendo come Gloop il diagramma giallo:



Potrebbe essere OK?
Mi sembra che cosi il sistema sia stabile per bode... e con una banda migliore di quella con polo dominante...

Ovvio che i grafici li "ho fatti venire io"... dovrei provare a mettere valori reali delle frequenze per capire se esce qualcosa di realizzabile...
"perché un uomo è grande, GRANDE davvero, quando ritorna bambino di nuovo". Zecchino d'oro '87
Avatar utente
Foto UtenteSte75
2.575 1 7 13
Master
Master
 
Messaggi: 214
Iscritto il: 7 dic 2007, 12:31
Località: Monza e Brianza

1
voti

[77] Re: Sensing di corrente con media

Messaggioda Foto UtenteIsidoroKZ » 23 apr 2012, 16:08

A un primo sguardo sembra giusto. In alcuni delle application notes che erano state linkate mi sembrava che ci fosse una soluzione del genere.

Tieni presente che quando cambia la tensione di ingresso al convertitore (mi pare che il valore nominale fosse 12V) cambia il guadagno dello stadio di potenza e potresti andare in instabilita` se il guadagno scende troppo e la frequenza di crossover va in zona dove la fase e` dalle parti di -180 gradi o peggio.

Inoltre la frequenza dello zero del condensatore di uscita non e` un valore garantito, ha una ampia tolleranza e cambia con la temperatura e l'invecchiamento del condensatore.
Per usare proficuamente un simulatore, bisogna sapere molta più elettronica di lui
Plug it in - it works better!
Il 555 sta all'elettronica come Arduino all'informatica! (entrambi loro malgrado)
Se volete risposte rispondete a tutte le mie domande
Avatar utente
Foto UtenteIsidoroKZ
121,2k 1 3 8
G.Master EY
G.Master EY
 
Messaggi: 21059
Iscritto il: 17 ott 2009, 0:00

1
voti

[78] Re: Sensing di corrente con media

Messaggioda Foto UtenteSte75 » 23 apr 2012, 16:21

Si esatto... tra i documenti che sto tenendo come "studio" ci sono quelli che mi hai girato tempo fa.
In quelli c'è anche la soluzione con compensazione tipo 2 (questa).

OK per guadagno blocco di potenza ... ma OK OK (a stare attento) a ESR cond. Adesso provo a mettere valori reali e vedo che margini ho.

Domanda (sempre per capire di più): ma perché devo mettere anche il POLO ad altra frequenza del compensatore?

Non posso andarmene via dritto, cosi:



Ottenendo un Gloop cosi:



Provo a rispondermi: forse perché cosi "attenuo meglio" la frequenza di switching del buck? Cioè se non lo mettessi CROLLA tutto lo studio che ho fatto tempo e tempo fa del buck filtrato da un circuito LC (quindi con filtro a -40dB/dec).

Se ci ho azzeccato, per oggi sono felice cosi.
Domani metto i valori.

Ciao!
"perché un uomo è grande, GRANDE davvero, quando ritorna bambino di nuovo". Zecchino d'oro '87
Avatar utente
Foto UtenteSte75
2.575 1 7 13
Master
Master
 
Messaggi: 214
Iscritto il: 7 dic 2007, 12:31
Località: Monza e Brianza

3
voti

[79] Re: Sensing di corrente con media

Messaggioda Foto UtenteIsidoroKZ » 23 apr 2012, 16:31

Perche' se tieni il compensatore a guadagno costante anche ad alta frequenza, entra piu` rumore alla frequenza di commutazione. Invece il polo che si aggiunge, che in termini controllistici si chiama polo di chiusura, serve a limitare la banda del controller per non fargli prendere troppo rumore.

Il polo di chiusura va messo dopo la frequenza di crossover, cosi` da non rovinare troppo il margine di fase, e prima della frequenza di commutazione, cosi` da attenuare il rumore.
Per usare proficuamente un simulatore, bisogna sapere molta più elettronica di lui
Plug it in - it works better!
Il 555 sta all'elettronica come Arduino all'informatica! (entrambi loro malgrado)
Se volete risposte rispondete a tutte le mie domande
Avatar utente
Foto UtenteIsidoroKZ
121,2k 1 3 8
G.Master EY
G.Master EY
 
Messaggi: 21059
Iscritto il: 17 ott 2009, 0:00

2
voti

[80] Re: Sensing di corrente con media

Messaggioda Foto UtenteEnChamade » 23 apr 2012, 16:38

Ste75 ha scritto:Domanda (sempre per capire di più): ma perché devo mettere anche il POLO ad altra frequenza del compensatore?

Non posso andarmene via dritto, cosi:




Si, potresti a discapito di un maggior rumore di commutazione. Tieni però presente che a causa della risposta dell'amplificatore operazionale reale che ha un polo dominante ti compare comunque un polo ad alta frequenza. Quindi, a questo punto, tanto vale inserirne uno che ti possa dare una mano!

Ste75 ha scritto:Provo a rispondermi: forse perché cosi "attenuo meglio" la frequenza di switching del buck? Cioè se non lo mettessi CROLLA tutto lo studio che ho fatto tempo e tempo fa del buck filtrato da un circuito LC (quindi con filtro a -40dB/dec).

Si, filtri meglio. Il polo deve essere abbastanza dopo la frequenza di attraversamento in modo da non intaccare troppo il margine di fase. Mi dicevano sempre di metterlo su e giù alla frequenza di switching. Se però puoi, meglio un po' prima.
Se non lo metti, non cade nulla. La frequenza di attraversamento è sempre la stessa. Semplicemente sei un po' più rumoroso...

IsidoroKZ ha scritto:Si`, stai cancellando uno zero del sistema. Avevo visto il primo grafico di risposta al gradino che avevi messo qualche messaggio fa, in cui c'era anche una risposta esponenziale lenta (perche' il polo non era sotto lo zero) e mi sembrava che ci fosse la banda limitata.

Si, hai ragione. Ero ancora un po' svariolato quando avevo fatto quella simulazione.
Ultima modifica di Foto UtenteEnChamade il 23 apr 2012, 16:50, modificato 2 volte in totale.
Avatar utente
Foto UtenteEnChamade
6.498 2 8 12
G.Master EY
G.Master EY
 
Messaggi: 588
Iscritto il: 18 giu 2009, 12:00
Località: Padova - Feltre

PrecedenteProssimo

Torna a Elettronica generale

Chi c’è in linea

Visitano il forum: Nessuno e 81 ospiti