Cos'è ElectroYou | Login Iscriviti

ElectroYou - la comunità dei professionisti del mondo elettrico

Pilotaggio motorino vibrante

Elettronica lineare e digitale: didattica ed applicazioni

Moderatori: Foto Utentecarloc, Foto Utenteg.schgor, Foto UtenteBrunoValente, Foto UtenteIsidoroKZ

0
voti

[71] Re: Pilotaggio motorino vibrante

Messaggioda Foto Utenteclaudiocedrone » 8 gen 2015, 19:31

:-) Molto teoricamente si... praticamente invece, non si può mai avere certezza che una pila, benché appena acquistata, sia pienamente efficiente ;-) O_/
P.s. Scusate lo "scavallamento" di post :-)
"Non farei mai parte di un club che accettasse la mia iscrizione" (G. Marx)
Avatar utente
Foto Utenteclaudiocedrone
21,3k 4 7 9
Master EY
Master EY
 
Messaggi: 15303
Iscritto il: 18 gen 2012, 13:36

4
voti

[72] Re: Pilotaggio motorino vibrante

Messaggioda Foto Utentemarco438 » 8 gen 2015, 19:38

Devi considerare pero' il drop-out che, sui datasheet, e' previsto di 2V e che naturalmente dipende anche dal carico applicato; quindi se adoperi una Vin di 7V per ottenerne 5 , forse ce la fa ma quando la batteria scende sotto tale livello il regolatore non stabilizza piu'.
marco
Avatar utente
Foto Utentemarco438
37,1k 7 11 13
-EY Legend-
-EY Legend-
 
Messaggi: 16323
Iscritto il: 24 mar 2010, 15:09
Località: Versilia

0
voti

[73] Re: Pilotaggio motorino vibrante

Messaggioda Foto Utenteultrasound91 » 8 gen 2015, 20:16

Ho comprato una duracell.
A vuoto mi da 9,7 volt, quando è collegata al circuito mi da 9,4 volt.
In uscita dallo stabilizzatore ho quasi 5 volt costanti.
Allegati
Immagine.png
Avatar utente
Foto Utenteultrasound91
318 2 4 6
Disattivato su sua richiesta
 
Messaggi: 700
Iscritto il: 26 ago 2014, 21:02

2
voti

[74] Re: Pilotaggio motorino vibrante

Messaggioda Foto Utentemarco438 » 8 gen 2015, 21:00

ultrasound91 ha scritto:Comunque forse ho studiato male, ma da quel che so io è che lo stabilizzatore 7805 se riceve in ingresso una tensione fra 0 e 5 volt eroga in uscita 0 volt, se riceve fra 5 e 12 volt eroga 5, se riceve più di 12 si brucia.

Prima ho risposto in modo affrettato perche' dovevo uscire ma, visto che ci siamo, vorrei chiarire circa quanto hai scritto in precedenza che e' in parte errato.
Appurato che ogni regolatore che non sia LDO necessita di qualche volt in piu' per stabilizzare una tensione (drop out) si puo' dire che la tensione d'ingresso - per essere tranquilli - deve essere superiore di 3V a quella che si vuole ottenere; poi non e' vero che "si brucia" se applichiamo una tensione in ingresso superiore ai 12V perche' la serie 78xx puo' regolare tensioni fino a 35V (anche 40V per qualche tipo).
Naturalmente se pretenderemo alte correnti con tensioni d'ingresso elevate, aumenteremo la dispersione in calore e cio' fara' si che intervenga la protezione termica dell'IC, che provvedera' ad azzerare l'erogazione fino a quando la temperatuta si sara' abbassata a valori accettabili. Quindi non si brucia nulla. :D
Per il resto, vedo che ora la situazione si e' normalizzata; sta a vedere per quanto tempo in rapporto alla capacita' della batteria ed al consumo del tuo circuito.
Ora rifai le prove che ti avevano richiesto e vedi come va.
marco
Avatar utente
Foto Utentemarco438
37,1k 7 11 13
-EY Legend-
-EY Legend-
 
Messaggi: 16323
Iscritto il: 24 mar 2010, 15:09
Località: Versilia

1
voti

[75] Re: Pilotaggio motorino vibrante

Messaggioda Foto Utentedavidde » 8 gen 2015, 21:11

Bene, ora che abbiamo l'oscilloscopio e la batteria a posto ;-) ti preoccupi solamente di scrivere e controllare il programma.

Se non ho capito male vorresti riuscire a far funzionare il circuito con il mosfet a canale P. Giusto?
Se è così devi considerare il segnale invertito ovvero:

- PWM al 50% quando vuoi dare al motore la massima velocità (100ms)
- PWM al 75% quando vuoi che cominci a rallentare (200ms)
- PWM al 100% quando vuoi che si fermi (200ms)

Come frequenza 250Hz possono andare bene, volendo penso potresti anche rallentare.

L'unico aspetto da tenere in considerazione per visualizzare le forme d'onda all'oscilloscopio è che tu non sarai in grado di vederle perché i treni d'impulsi saranno troppo veloci. In questi casi o si catturano gli oscillogrammi "al volo" oppure (per me sarebbe meglio) generi i vari PWM per lunghi periodi (in modo da visualizzarli con calma) e poi li metti sotto ad un timer soltanto quando sei sicuro che siano tutti corretti.
Avatar utente
Foto Utentedavidde
13,3k 4 9 12
G.Master EY
G.Master EY
 
Messaggi: 4026
Iscritto il: 2 ago 2007, 11:40
Località: Bologna

0
voti

[76] Re: Pilotaggio motorino vibrante

Messaggioda Foto Utenteultrasound91 » 8 gen 2015, 21:27

Puoi dirmi meglio quali prove devo fare per ogni segnale?
Inoltre con il motorino o con il led?
Avatar utente
Foto Utenteultrasound91
318 2 4 6
Disattivato su sua richiesta
 
Messaggi: 700
Iscritto il: 26 ago 2014, 21:02

0
voti

[77] Re: Pilotaggio motorino vibrante

Messaggioda Foto Utenteultrasound91 » 8 gen 2015, 23:45

Il primo tentativo è stato molto scoraggiante. Ho montato il mosfet, con la batteria duracell,
ho collegato un semplice led. Mi aspettavo qualche possibile equilibrio di tensione che magari prima non c'era,
ma il led al posto di lampeggiare rimane acceso. Come se il mosfet non tenga conto del gate.
Avatar utente
Foto Utenteultrasound91
318 2 4 6
Disattivato su sua richiesta
 
Messaggi: 700
Iscritto il: 26 ago 2014, 21:02

0
voti

[78] Re: Pilotaggio motorino vibrante

Messaggioda Foto Utenteultrasound91 » 9 gen 2015, 2:06

Ho fatto questo test:
- Pin del microcontrollore impostato in PWM allo 0%, invertito.
- Source de mosfet collegato a 5 volt, gate collegato al pin del microcontrollore tramite una resistenza da 2.2k,
drain collegato alla sonda;
- resistenza da 47 fra gate e source del mosfet
ho:
- 5 volt in uscita dal pin del micro
- 5 volt sul source
- 5 volt sul gate
- 4,8 volt sul drain
Avatar utente
Foto Utenteultrasound91
318 2 4 6
Disattivato su sua richiesta
 
Messaggi: 700
Iscritto il: 26 ago 2014, 21:02

0
voti

[79] Re: Pilotaggio motorino vibrante

Messaggioda Foto Utenteultrasound91 » 9 gen 2015, 5:29

Come posso testare il mosfet P?
Avatar utente
Foto Utenteultrasound91
318 2 4 6
Disattivato su sua richiesta
 
Messaggi: 700
Iscritto il: 26 ago 2014, 21:02

0
voti

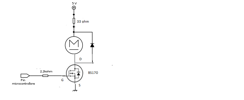
[80] Re: Pilotaggio motorino vibrante

Messaggioda Foto Utenteultrasound91 » 9 gen 2015, 5:51

E' corretto questo circuito con il mosfet N? Non vorrei far danni alla prima accensione.
Allegati
T.png
Avatar utente
Foto Utenteultrasound91
318 2 4 6
Disattivato su sua richiesta
 
Messaggi: 700
Iscritto il: 26 ago 2014, 21:02

PrecedenteProssimo

Torna a Elettronica generale

Chi c’è in linea

Visitano il forum: Nessuno e 56 ospiti