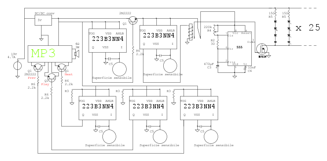
Dunque all'inizio la cosa pareva complicata pure a me. Poi ho iniziato a ragionare come faccio quando programmo e cioè a moduli indipendenti e la faccenda mi si è chiarita.
La scheda MP3 aveva 4 pulsanti, togliamo il MODE che non mi interessa, ho dovuto mettere anche gli altri perché una condizione aggiuntiva, apposta dalla mia gentile compagna, è quella di poter caricare anche la sua musica.
Ecco, vorrei tanto, ma proprio tanto, avere la possibilità di skippare le sue canzoni. Ma proprio non puoi immaginare quanto!

Lo stesso farà lei.
Poi i tasti aggiunti hanno anche il controllo volume. Considera che la modifica è stata minima e dalla "zona tasti" escono solo i fili con i segnali degli stessi, perché verranno alimentati in parallelo tra loro.
Quindi ho i due cavetti dell'alimentazione e un cavetto per ogni pulsante.
Ecco la modifica della scheda com'è stata semplice, e per dirlo io che sono newbie...
Il discorso del relè mi è venuto in mente ora che ho provato l'attrezzo senza l'effetto dell'scillatore. In più mi è uscito parecchio spazio che pensavo di non avere.
L'accensione principale non c'è, si farà inserendo la spina dell'alimentatore almeno per il momento.
