Cos'è ElectroYou | Login Iscriviti

ElectroYou - la comunità dei professionisti del mondo elettrico

Sensing di corrente con media

Elettronica lineare e digitale: didattica ed applicazioni

Moderatori: Foto Utentecarloc, Foto Utenteg.schgor, Foto UtenteBrunoValente, Foto UtenteIsidoroKZ

1
voti

[81] Re: Sensing di corrente con media

Messaggioda Foto UtenteEnChamade » 23 apr 2012, 16:40

IsidoroKZ ha scritto:Perche' se tieni il compensatore a guadagno costante anche ad alta frequenza, entra piu` rumore alla frequenza di commutazione. Invece il polo che si aggiunge, che in termini controllistici si chiama polo di chiusura, serve a limitare la banda del controller per non fargli prendere troppo rumore.

Il polo di chiusura va messo dopo la frequenza di crossover, cosi` da non rovinare troppo il margine di fase, e prima della frequenza di commutazione, cosi` da attenuare il rumore.


Mi sono accorto adesso che sono arrivato tardi... Ma quanto correte? :shock: :shock: :shock: :shock: :shock:
Avatar utente
Foto UtenteEnChamade
6.498 2 8 12
G.Master EY
G.Master EY
 
Messaggi: 588
Iscritto il: 18 giu 2009, 12:00
Località: Padova - Feltre

1
voti

[82] Re: Sensing di corrente con media

Messaggioda Foto UtenteSte75 » 24 apr 2012, 11:07

Ciao.
Sto calcolando lo zero del Cout (cerchiato in rosso) del nostro filto LC.



Ho a disposizone questo: 4.7uF 50V, ELNA.
Da data sheet ho questo dato:
Cond.PNG
Cond.PNG (14.08 KiB) Osservato 3627 volte


Chiedevo se questa relazione che calcola l'ESR zero, cioè il valore di ESR alla temperatura e frequenza data nel data sheet, è corretta (trovata su un testo).


ESR_0  = \frac{{\tan \delta _{(f_0 )} }}{{2\pi f_{(f_0 )} C}}

Che nel mio condensatore mi darebbe una ESR di 28 ohm!.

Poi so che a frequenze di lavoro più alte dovrebbe scendere... Nel data sheet non trovo un dato che mi permetta di avere una stima ESR a 50kHz, forse questo componente che ho scelto non è dato per lavorare in frequenza.
Poi penso che vari anche con temperatura.
Però mi chiedevo se prendere una 20ina di ohm come ESR può essere un valore ragionevole.

PROBELMA: questo mi da uno zero ad un valore di
fz_{LC}  = \frac{1}{{2\pi ESR \cdot C}} = 1.7kHz

PRIMA DEL POLO CC dell'LC !?!?! fp_{LC}  = \frac{1}{{2\pi \sqrt {LC} }} = 4.2kHz
Ho sbagliato condensatore o in frequenza ESR scende di più di 20 ohm?

Mah... quanti problemi...
"perché un uomo è grande, GRANDE davvero, quando ritorna bambino di nuovo". Zecchino d'oro '87
Avatar utente
Foto UtenteSte75
2.575 1 7 13
Master
Master
 
Messaggi: 214
Iscritto il: 7 dic 2007, 12:31
Località: Monza e Brianza

2
voti

[83] Re: Sensing di corrente con media

Messaggioda Foto UtenteIsidoroKZ » 24 apr 2012, 11:34

La frequenza dello zero di un elettrolitico all'alluminio e` dalle parti di qualche kilohertz fino a una ventina di kilohertz per quelli molto buoni.

Se un data sheet non ti da` l'ESR normalmente sta suggerendo che quel condensatore non e` adatto per essere usato in uno switching.

Alla frequenza di commutazione di uno switching "piccolo" praticamente tutti i condensatori elettrolitici si comportano da resistenze, vengono scelti in funzione della loro ESR, la capacita` non e` importante per la scelta del componente, serve solo saperla dopo, quando si calcola la compensazione.

I fliltri LC degli switching in realta` sono quasi tutti filtri LR, in cui la C si comporta come una resistenza. Il valore di ESR con la corrente che passa attraverso il condensatore (elettrolitico) determina l'ampiezza del ripple.

Invece per i ceramici il discorso e` diverso: sono capacita` fin ben oltre la frequenza di switching, non c'e` l'ESR (o meglio non si fa sentire) e sono calcolati e scelti in base alla capacita`.
Per usare proficuamente un simulatore, bisogna sapere molta più elettronica di lui
Plug it in - it works better!
Il 555 sta all'elettronica come Arduino all'informatica! (entrambi loro malgrado)
Se volete risposte rispondete a tutte le mie domande
Avatar utente
Foto UtenteIsidoroKZ
121,2k 1 3 8
G.Master EY
G.Master EY
 
Messaggi: 21059
Iscritto il: 17 ott 2009, 0:00

1
voti

[84] Re: Sensing di corrente con media

Messaggioda Foto UtenteSte75 » 24 apr 2012, 11:45

E' proprio vero che tra il dire e il fare....

Grazie per dritta.

Domanda: nel "cassetto" ho anche a disposizione un condensatore ceramico in SMD, 4.7uF (+-10%), X7R, 16V (Kemet).

A questo punto potrebbe essere "sensato" usare questo e mettere IN SERIE una resistenza che mi posiziona lo zero dove meglio mi serve? Cosi divento anche slegato dall'ESR del Cout?

Non so... l'ho buttata li...
"perché un uomo è grande, GRANDE davvero, quando ritorna bambino di nuovo". Zecchino d'oro '87
Avatar utente
Foto UtenteSte75
2.575 1 7 13
Master
Master
 
Messaggi: 214
Iscritto il: 7 dic 2007, 12:31
Località: Monza e Brianza

1
voti

[85] Re: Sensing di corrente con media

Messaggioda Foto UtenteEnChamade » 24 apr 2012, 11:48

Ciao. Tutto bene?
Ste75 ha scritto:ESR_0  = \frac{{\tan \delta _{(f_0 )} }}{{2\pi f_{(f_0 )} C}}

Allora, credo che il parametro possa essere definito anche in questo modo:
\tan \delta = \left| \frac{R}{X_C} \right|
che non è altro che il rapporto fra la parte reattiva e resistiva dell'impedenza equivalende del condensatore.
Il tuo calcolo riportato vale sotto l'ipotesi che, alla frequenza in cui viene misurato \tan \delta, sia predominante la ESR. Di solito però sapevo che la misura veniva effettuata intorno al kHz, ma nel tuo caso la si fa a 120Hz, portando al calcolo che hai fatto. Mi sa che anche questo è un segnale che non è molto adatto...

Ste75 ha scritto:A questo punto potrebbe essere "sensato" usare questo e mettere IN SERIE una resistenza che mi posiziona lo zero dove meglio mi serve? Cosi divento anche slegato dall'ESR del Cout?

Potrebbe essere un'idea. Ma stai inserendo un elemnto dissipativo e quindi, aggiungendo una perdita nel convertitore. Questo di solito non è una cosa intelligente. Credo che in generale conviene quindi operare una compensazione diversa, aggiungendo lo zero nel controllo...
Ultima modifica di Foto UtenteEnChamade il 24 apr 2012, 11:53, modificato 1 volta in totale.
Avatar utente
Foto UtenteEnChamade
6.498 2 8 12
G.Master EY
G.Master EY
 
Messaggi: 588
Iscritto il: 18 giu 2009, 12:00
Località: Padova - Feltre

1
voti

[86] Re: Sensing di corrente con media

Messaggioda Foto UtenteIsidoroKZ » 24 apr 2012, 12:45

Ste75 ha scritto:A questo punto potrebbe essere "sensato" usare questo e mettere IN SERIE una resistenza che mi posiziona lo zero dove meglio mi serve? Cosi divento anche slegato dall'ESR del Cout?


NO! Cioe` forse si`, ma solo in casi particolarissimi :-)

Il condensatore da 5µF e` stato calcolato assumendo trascurabile l'ESR, e cosi` deve stare. Se metti un ceramico non hai lo zero e la compensazione deve essere fatta per quel caso.

Se invece metti un condensatore con ESR, allora la capacita` viene "automaticamente" molto piu` alta.

Nel tuo caso (conto a spanne, trascuro le armoniche) la reattanza del condensatore in uso viene di circa 0.68Ω. Se vuoi lo stesso ripple con un condensatore con resistenza serie non trascurabile, l'ESR deve essere di circa quel valore, ma la reattanza della capacita` in serie deve essere molto piu` piccola. Un buon elettrolitico all'Al con ESR di 0.68Ω ha una capacita` di circa 33µF o piu`.

Il caso in cui i ceramici buoni non vanno bene e` quando non si riesce a compensare senza lo zero dei condensatori. Era capitato un po' di anni fa con alcuni switching per alimentare CPU su scheda: i condensatori attorno alla CPU erano troppo ideali, e lo switching non lo si riusciva a compensare.
Per usare proficuamente un simulatore, bisogna sapere molta più elettronica di lui
Plug it in - it works better!
Il 555 sta all'elettronica come Arduino all'informatica! (entrambi loro malgrado)
Se volete risposte rispondete a tutte le mie domande
Avatar utente
Foto UtenteIsidoroKZ
121,2k 1 3 8
G.Master EY
G.Master EY
 
Messaggi: 21059
Iscritto il: 17 ott 2009, 0:00

1
voti

[87] Re: Sensing di corrente con media

Messaggioda Foto UtenteSte75 » 24 apr 2012, 14:48

Ok.
Allora alla luce di quello che sta venendo fuori, prima di ridimensionare il buck con condensatori più grandi per avere migliore ESR, dato che lo avevo calcolato con condensatore "ideale", facciamo che uso il 4u7 ceramico e provo una compensazione diversa come suggerito da Foto UtenteEnChamade.

Disegno una compensazione di tipo 3.



Questa dovrebbe avere una risposta cosi:




Ora, se dovessi far coincidere i due zeri a li metto in corrispondenza dei poli CC del filtro LC e faccio coincidere i due poli e li metto poco prima della freq di switching, dovrei ottenere:



e quindi in totale (il diagramma verde del blocco di potenza NON ha più lo zero):



Mi sembra che cosi sia stabile per bode, ci sia anche il polo di chiusura e anche non avendo lo zero del C out, non ci dovrebbero essere problemi.

Ciao
"perché un uomo è grande, GRANDE davvero, quando ritorna bambino di nuovo". Zecchino d'oro '87
Avatar utente
Foto UtenteSte75
2.575 1 7 13
Master
Master
 
Messaggi: 214
Iscritto il: 7 dic 2007, 12:31
Località: Monza e Brianza

2
voti

[88] Re: Sensing di corrente con media

Messaggioda Foto UtenteIsidoroKZ » 24 apr 2012, 15:26

Uno dei due zeri mettilo un'ottava piu` basso dei poli dell'LC. Serve per non avere un sistema marginalmente stabile.

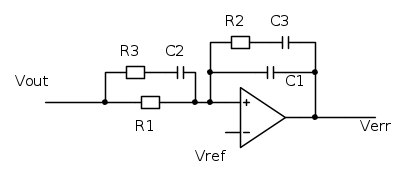
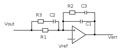
Scambia di posizione R3 e C2.
Per usare proficuamente un simulatore, bisogna sapere molta più elettronica di lui
Plug it in - it works better!
Il 555 sta all'elettronica come Arduino all'informatica! (entrambi loro malgrado)
Se volete risposte rispondete a tutte le mie domande
Avatar utente
Foto UtenteIsidoroKZ
121,2k 1 3 8
G.Master EY
G.Master EY
 
Messaggi: 21059
Iscritto il: 17 ott 2009, 0:00

0
voti

[89] Re: Sensing di corrente con media

Messaggioda Foto UtenteSte75 » 24 apr 2012, 15:39

Ma... perché ogni vostra risposta genera in me un infinità di nuovi dubbi #-o :-| ...

IsidoroKZ ha scritto:Uno dei due zeri mettilo un'ottava piu` basso dei poli dell'LC. Serve per non avere un sistema marginalmente stabile.


un ottava?
L'unica ottava che conosco è quella delle note musicali!
Cosa vorrebbe dire? Se i poli sono a 4kHz, so che una decade prima sarebbero a 400 Hz. Una ottava? Sono sicuro che se dico 4kHz / 8 sbaglio... :oops:

IsidoroKZ ha scritto:Scambia di posizione R3 e C2.


E qui veramente... "muoio". :roll:
Pensavo che due componenti in serie potessi metterli ugualmente "uno prima e uno dopo".

Intanto provo a spostare uno zero un po prima, per vedere che cosa succede!
Ciao
"perché un uomo è grande, GRANDE davvero, quando ritorna bambino di nuovo". Zecchino d'oro '87
Avatar utente
Foto UtenteSte75
2.575 1 7 13
Master
Master
 
Messaggi: 214
Iscritto il: 7 dic 2007, 12:31
Località: Monza e Brianza

3
voti

[90] Re: Sensing di corrente con media

Messaggioda Foto UtenteIsidoroKZ » 24 apr 2012, 15:45

Un'ottava e` proprio una ottava musicale: che relazione di frequenza c'e` fra una nota e la stessa nota un'ottava prima?

Il nodo in mezzo fra R e C puo` raccattare rumore capacitivo, se scambi i due componenti ne raccatta di meno. Non serve quasi mai, ma porta bene.
Per usare proficuamente un simulatore, bisogna sapere molta più elettronica di lui
Plug it in - it works better!
Il 555 sta all'elettronica come Arduino all'informatica! (entrambi loro malgrado)
Se volete risposte rispondete a tutte le mie domande
Avatar utente
Foto UtenteIsidoroKZ
121,2k 1 3 8
G.Master EY
G.Master EY
 
Messaggi: 21059
Iscritto il: 17 ott 2009, 0:00

PrecedenteProssimo

Torna a Elettronica generale

Chi c’è in linea

Visitano il forum: Nessuno e 156 ospiti