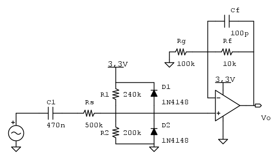
Ho migliorato il circuito, forse così funziona anche con tensioni negative.
Ho implementato il consiglio di
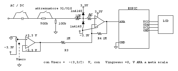
L'operazionale connesso al potenziometro serve a rendere l'offset indipendente dal guadagno dell'amplificatore.
Moderatori:
carloc,
g.schgor,
BrunoValente,
IsidoroKZ
wimatech ha scritto:... purtroppo non li vendono a 2 canali ...


Etemenanki ha scritto:wimatech ha scritto:... purtroppo non li vendono a 2 canali ...
un cosino tipo questo non basterebbe ? https://it.aliexpress.com/item/32754842075.html

MarcoD ha scritto:
Visitano il forum: Nessuno e 153 ospiti