...ma senti a me piace più "la prima che hai detto"...
nel secondo caso Vset passa per un partitore 22/(10+22) e i 4 V di variazione diventano meno di 3V.. e dovresti modificare l'altro partitore 100k/220k per risistemare il range... ma poi così vari il guadagno di anello....
nella prima versione invece sono gli 0.7V che vengono attenuati 220/(220+100) ma anche se ne restano 0.5V ancora ti vanno bene....
solo che magari invece di un diodo che deriva in temperatura -2mV/°C farei un partitore dal +5V (con 2 resistenze che il loro parallelo sia << 100kohm per non modificare i loop)
credo alla fine ti resterebbe più stabile...
Alimentatore regolabile in tensione e corrente
Moderatori:
carloc,
g.schgor,
BrunoValente,
IsidoroKZ
0
voti
Si, ci stavo pensando. In effetti un 78L05 deriva molto meno di un diodazzo.
Grazie per la risposta.
Grazie per la risposta.

"La follia sta nel fare sempre la stessa cosa aspettandosi risultati diversi".
"Parla soltanto quando sei sicuro che quello che dirai è più bello del silenzio".
Rispondere è cortesia, ma lasciare l'ultima parola ai cretini è arte.
"Parla soltanto quando sei sicuro che quello che dirai è più bello del silenzio".
Rispondere è cortesia, ma lasciare l'ultima parola ai cretini è arte.
-

TardoFreak
73,9k 8 12 13 - -EY Legend-

- Messaggi: 15754
- Iscritto il: 16 dic 2009, 11:10
- Località: Torino - 3° pianeta del Sistema Solare
0
voti
TardoFreak ha scritto:Altro piccolo problema: non riesco a mandare la tensione a 0V.![]()
Visto che non posso avere una tensione Vset negativa ho pensato d' inserire un offset positivo sull' ingresso...
Se ti stai riferendo alla versione con il transistor di potenza non mi trovo con quello che dici: quando fai scendere il riferimento a zero l'uscita di conseguenza dovrebbe scendere precisamente fino a zero senza bisogno di aggiungere nessun offset.
Nell'altra versione con il regolatore invece non puoi scendere fino a zero e non si può fare nulla.
-

BrunoValente
39,6k 7 11 13 - G.Master EY

- Messaggi: 7796
- Iscritto il: 8 mag 2007, 14:48
0
voti
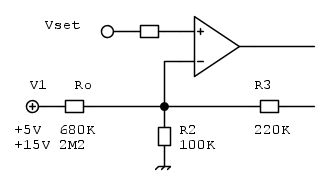
Sto usando la versione con il regolatore e riesco ad andare a 0V perche' gli operazionali hanno alimentazione duale. Il problema e' nell' offset d' ingresso che, con Vset = 0 mi da in uscita circa 320mV. Quindi devo fare in modo che possa andare a 0 o anche un po' sotto lo 0. Il regolatore e' a basso dropout (LM1084 a 3,3V) e la tensione negativa di alimentazione e' -5V.
Debbo dire che non sto usando gli operazionali di precisione ma dei semplici LM358.
Debbo dire che non sto usando gli operazionali di precisione ma dei semplici LM358.
"La follia sta nel fare sempre la stessa cosa aspettandosi risultati diversi".
"Parla soltanto quando sei sicuro che quello che dirai è più bello del silenzio".
Rispondere è cortesia, ma lasciare l'ultima parola ai cretini è arte.
"Parla soltanto quando sei sicuro che quello che dirai è più bello del silenzio".
Rispondere è cortesia, ma lasciare l'ultima parola ai cretini è arte.
-

TardoFreak
73,9k 8 12 13 - -EY Legend-

- Messaggi: 15754
- Iscritto il: 16 dic 2009, 11:10
- Località: Torino - 3° pianeta del Sistema Solare
0
voti
Per poter fare una taratura software dello 0 (ed altro
)
)"La follia sta nel fare sempre la stessa cosa aspettandosi risultati diversi".
"Parla soltanto quando sei sicuro che quello che dirai è più bello del silenzio".
Rispondere è cortesia, ma lasciare l'ultima parola ai cretini è arte.
"Parla soltanto quando sei sicuro che quello che dirai è più bello del silenzio".
Rispondere è cortesia, ma lasciare l'ultima parola ai cretini è arte.
-

TardoFreak
73,9k 8 12 13 - -EY Legend-

- Messaggi: 15754
- Iscritto il: 16 dic 2009, 11:10
- Località: Torino - 3° pianeta del Sistema Solare
0
voti
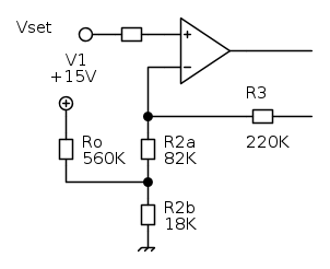
Alura,
Ho ripreso i libri ed ho fatto mente locale.
Modifico il circuito in questo modo.
R2 valeva
e l' ho sdoppiata in due resistenze la cui somma vale 100K, quindi il guadagno resta invariato.
Sapendo che:

Dove
e' la tensione che voglio sommare all' uscita e che vale 0,5V ma anche 0,4 sarebbero sufficienti.

Approssimando a
otterrei una tensione negativa che vale:

Ed io vivrei felice ... magari dopo una gentile conferma.
Ho ripreso i libri ed ho fatto mente locale.
Modifico il circuito in questo modo.
R2 valeva
e l' ho sdoppiata in due resistenze la cui somma vale 100K, quindi il guadagno resta invariato.Sapendo che:

Dove
e' la tensione che voglio sommare all' uscita e che vale 0,5V ma anche 0,4 sarebbero sufficienti.
Approssimando a
otterrei una tensione negativa che vale:
Ed io vivrei felice ... magari dopo una gentile conferma.
"La follia sta nel fare sempre la stessa cosa aspettandosi risultati diversi".
"Parla soltanto quando sei sicuro che quello che dirai è più bello del silenzio".
Rispondere è cortesia, ma lasciare l'ultima parola ai cretini è arte.
"Parla soltanto quando sei sicuro che quello che dirai è più bello del silenzio".
Rispondere è cortesia, ma lasciare l'ultima parola ai cretini è arte.
-

TardoFreak
73,9k 8 12 13 - -EY Legend-

- Messaggi: 15754
- Iscritto il: 16 dic 2009, 11:10
- Località: Torino - 3° pianeta del Sistema Solare
1
voti
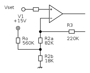
Sì TF ci siamo quasi...
è solo che a te serve la tensione all'ingresso invertente, quella calcolata invece è circa la tensione al nodo che unisce Ro,R2a,R2b... dico circa perché scrivere

ipotizza -giustamente-
e poi che il partitore sia senza carico
comunque -utilizzando la sovrapposizione degli effetti- si vede che per "arrivare" dal nodo di prima all'ingresso invertente ci va un altro partitore

che mi sembra di ricordare sia un po' troppo vicina all'offset che hai misurato... magari basta fare Ro=470k
Altrimenti mi è venuta un'altra idea... vedi un po'
è solo che a te serve la tensione all'ingresso invertente, quella calcolata invece è circa la tensione al nodo che unisce Ro,R2a,R2b... dico circa perché scrivere

ipotizza -giustamente-
e poi che il partitore sia senza caricocomunque -utilizzando la sovrapposizione degli effetti- si vede che per "arrivare" dal nodo di prima all'ingresso invertente ci va un altro partitore

che mi sembra di ricordare sia un po' troppo vicina all'offset che hai misurato... magari basta fare Ro=470k
Altrimenti mi è venuta un'altra idea... vedi un po'
Se ti serve il valore di beta: hai sbagliato il progetto!
0
voti
E' vero!
Grazie mille carloc

"La follia sta nel fare sempre la stessa cosa aspettandosi risultati diversi".
"Parla soltanto quando sei sicuro che quello che dirai è più bello del silenzio".
Rispondere è cortesia, ma lasciare l'ultima parola ai cretini è arte.
"Parla soltanto quando sei sicuro che quello che dirai è più bello del silenzio".
Rispondere è cortesia, ma lasciare l'ultima parola ai cretini è arte.
-

TardoFreak
73,9k 8 12 13 - -EY Legend-

- Messaggi: 15754
- Iscritto il: 16 dic 2009, 11:10
- Località: Torino - 3° pianeta del Sistema Solare
0
voti
Risultato dell' operazione:
Ho montato un LM338 ed ho fatto la modifica, la resistenza verso il +15 basta da
. Riesco a fare la regolazione dello 0 con un errore inferiore al mV. 
Ho montato un LM338 ed ho fatto la modifica, la resistenza verso il +15 basta da
. Riesco a fare la regolazione dello 0 con un errore inferiore al mV. 
"La follia sta nel fare sempre la stessa cosa aspettandosi risultati diversi".
"Parla soltanto quando sei sicuro che quello che dirai è più bello del silenzio".
Rispondere è cortesia, ma lasciare l'ultima parola ai cretini è arte.
"Parla soltanto quando sei sicuro che quello che dirai è più bello del silenzio".
Rispondere è cortesia, ma lasciare l'ultima parola ai cretini è arte.
-

TardoFreak
73,9k 8 12 13 - -EY Legend-

- Messaggi: 15754
- Iscritto il: 16 dic 2009, 11:10
- Località: Torino - 3° pianeta del Sistema Solare
Chi c’è in linea
Visitano il forum: Nessuno e 157 ospiti

Elettrotecnica e non solo (admin)
Un gatto tra gli elettroni (IsidoroKZ)
Esperienza e simulazioni (g.schgor)
Moleskine di un idraulico (RenzoDF)
Il Blog di ElectroYou (webmaster)
Idee microcontrollate (TardoFreak)
PICcoli grandi PICMicro (Paolino)
Il blog elettrico di carloc (carloc)
DirtEYblooog (dirtydeeds)
Di tutto... un po' (jordan20)
AK47 (lillo)
Esperienze elettroniche (marco438)
Telecomunicazioni musicali (clavicordo)
Automazione ed Elettronica (gustavo)
Direttive per la sicurezza (ErnestoCappelletti)
EYnfo dall'Alaska (mir)
Apriamo il quadro! (attilio)
H7-25 (asdf)
Passione Elettrica (massimob)
Elettroni a spasso (guidob)
Bloguerra (guerra)


