Radiocomando
Moderatori:
carloc,
g.schgor,
BrunoValente,
IsidoroKZ
0
voti
[91] Re: Radiocomando
ne ha 3 piedini semplicemente perché due servono per l'alimentazione e l'altro per i dati!!!! ma almeno ce l'hai messo l'occhio per sbirciarre nel datasheet?
-

daniele1996
610 3 8 11 - Sostenitore

- Messaggi: 1554
- Iscritto il: 29 ago 2011, 11:29
0
voti
[92] Re: Radiocomando
daniele1996 ha scritto:ne ha 3 piedini semplicemente perché due servono per l'alimentazione e l'altro per i dati!!!! ma almeno ce l'hai messo l'occhio per sbirciarre nel datasheet?
E perche' credi che lo abbia chiesto?
marco
0
voti
[93] Re: Radiocomando
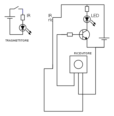
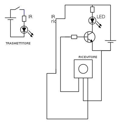
si l' ho visto e infatti ho chiesto se e come si doveva modificare il circuito in quanto l' IR ricevitore ha solo due estremità collegate e della terza non c è traccia...
ho indicato nel disegno con le freccine
è quello che non capisco...

ho indicato nel disegno con le freccine
è quello che non capisco...

-

daniele1996
610 3 8 11 - Sostenitore

- Messaggi: 1554
- Iscritto il: 29 ago 2011, 11:29
0
voti
[95] Re: Radiocomando
sei stato esauriente...
Volevo ancora chiederti due cose.... Il generatore del circuito del ricevente deve servire per alimentare il modulo ir giusto...?
Le resistenze le dimensioniamo una volta che ho il led ir...?

Volevo ancora chiederti due cose.... Il generatore del circuito del ricevente deve servire per alimentare il modulo ir giusto...?
Le resistenze le dimensioniamo una volta che ho il led ir...?

0
voti
[98] Re: Radiocomando
ciao a tutti ,mi permetto di riaprire la discussione perché anche io ho un esigenza simile, ovvero il mio nipotino ha una gru giocattolo che però non si trova più il radiocomando. io l'ho smontata e all'interno ho visto che c'è una piccola scheda con un integrato simile a quello trattato qui. ora vorrei sapere se è possibile costruire un telecomando partendo magari da un altro e modificandogli l'elettronica e adattarlo per questa scheda. per la parte meccanica non dovrei avere grossi problemi mentre per la scheda qualcuno si.
premetto che non ho molte esperienza perché ho solo fatto qualche schedina con degli OP e mi aveva aiutato Brunovalente che ancora ringrazio.
se c'è qualcuno che è disposto ad aiutarmi allego il datasheet degli integrati e più tardi vedo se riesco a caricare una foto della scheda. grazie
premetto che non ho molte esperienza perché ho solo fatto qualche schedina con degli OP e mi aveva aiutato Brunovalente che ancora ringrazio.
se c'è qualcuno che è disposto ad aiutarmi allego il datasheet degli integrati e più tardi vedo se riesco a caricare una foto della scheda. grazie

- Allegati
-
TX5.pdf- (332.98 KiB) Scaricato 153 volte
1
voti
[99] Re: Radiocomando
Il problema di base è che tra banda di frequenza e codifica dei segnali, replicare un telecomando, se non si sa esattamente cosa replicare, è praticamente impossibile.
Meglio arrendersi a cambiare tutta l'elettronica con un nuovo sistema completo di ricevitore, telecomandi, ecc, che andrà poi interfacciato.
Meglio arrendersi a cambiare tutta l'elettronica con un nuovo sistema completo di ricevitore, telecomandi, ecc, che andrà poi interfacciato.
-

Candy
32,5k 7 10 13 - CRU - Account cancellato su Richiesta utente
- Messaggi: 10123
- Iscritto il: 14 giu 2010, 22:54
2
voti
[100] Re: Radiocomando
ok a questo punto gliene faccio uno a filo eliminando la schedina corrente tanto il bimbo è piccolo non credo che si arrabbierà
.
ora inizio a scervellarmi un po' e magari se ho bisogno sarà il caso di aprire una nuova discussione. grazie
.ora inizio a scervellarmi un po' e magari se ho bisogno sarà il caso di aprire una nuova discussione. grazie
Chi c’è in linea
Visitano il forum: Nessuno e 79 ospiti

Elettrotecnica e non solo (admin)
Un gatto tra gli elettroni (IsidoroKZ)
Esperienza e simulazioni (g.schgor)
Moleskine di un idraulico (RenzoDF)
Il Blog di ElectroYou (webmaster)
Idee microcontrollate (TardoFreak)
PICcoli grandi PICMicro (Paolino)
Il blog elettrico di carloc (carloc)
DirtEYblooog (dirtydeeds)
Di tutto... un po' (jordan20)
AK47 (lillo)
Esperienze elettroniche (marco438)
Telecomunicazioni musicali (clavicordo)
Automazione ed Elettronica (gustavo)
Direttive per la sicurezza (ErnestoCappelletti)
EYnfo dall'Alaska (mir)
Apriamo il quadro! (attilio)
H7-25 (asdf)
Passione Elettrica (massimob)
Elettroni a spasso (guidob)
Bloguerra (guerra)





