Ciao a tutti.
Ultimamente il mio caricatore per 4 pile AA o AAA non ha voluto più funzionare. http://www.sbs-power.it/product_detail.asp?pID=1461
Collegandolo alla presa della corrente con delle pile scariche non dà segni di vita e non si scalda più come faceva un tempo.
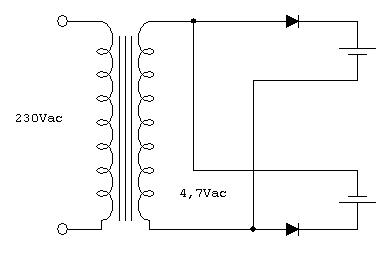
Aprendolo ho notato che non è di tipo switching (per fortuna..per la complessità intendo!) e che il circuito, per una coppia di pile, è come quello che ho allegato. Per l'altra coppia di pile, il circuito è praticamente simmetrico: si inverte il generatore di tensione alternata così da sfruttare l'altra semionda.
La resistenza R1 non è da 1k! Le sue strisce colorate sono: rosso-rosso-oro-oro-verde e, misurandola con un tester senza scollegarla (tanto è di piccolo valore e il circuito circostante non influenza la misura più di tanto), misuro 2-3 Ohm.
Il generatore di alternata del circuito è il secondario del trasformatore (ha soltanto un secondario) ed è proprio quest'ultimo il problema! Il trasformatore non funziona siccome:
- non leggo nessuna tensione alternata sul secondario quando lo collego alla presa;
- misurando la resistenza vista sul primario o sul secondario, mi dà resistenza infinita.
Questo problema non riesco a spiegarlo! Le bobine del trasformatore sono avvolte da nastro isolante e ciò non mi permette di vedere e capire bene. L'unica spiegazione possibile che riesco a dargli è questa: un filo del primario è interrotto prima della bobina. Ma non ne sono convinto, altrimenti tirandolo verrebbe fuori!
Lasciando perdere il problema di cui soffre il trasformatore, avevo intenzione di sostituirlo con un altro. Però mi chiedo: che tensione dovrei avere sul secondario? Sul caricatore c'è una targhetta dove leggo 2.4VX2 (allegata anch'essa). 2.4V mi sembra un valore intuibile visto che le ricaricabili sono da 1.2V l'una. Però avrei bisogno di un secondario che offre più di 2.4V, visto che ai capi del diodo perdo 0.7-0.8V... Secondo voi un secondario da 4.5V andrebbe bene oppure rischio di rovinare le pile caricandole troppo velocemente?
PS- Il consiglio più semplice sarebbe quello di ricomprare il caricatore tanto costa pochi euro, però vorrei recuperare questo che già ho. Per altro sono appassionato di elettronica come tutti voi quindi mi piace smontare, studiare e capire il circuito.
Vi ringrazio
Caricatore Pile Stilo
Moderatori:
carloc,
g.schgor,
BrunoValente,
IsidoroKZ
16 messaggi
• Pagina 1 di 2 • 1, 2
0
voti
- Allegati
-
- Etichetta caricatore
- Label.jpg (69.86 KiB) Osservato 2709 volte
-
- Schema del caricatore
- Caricatore.jpg (31.99 KiB) Osservato 2706 volte
-

Overlord87
0 3 - Messaggi: 26
- Iscritto il: 23 ott 2009, 17:16
0
voti
visto che non ha ancora risposto nessuno, provo io;
premesso che
è la soluzione piu' rapida e conveniente, per la seconda parte
proverò a risponderti.
infatti, secondo il codice dei colori dovrebbe essere di valore
, il valore di 1K da dove salta fuori ( marrone-nero-rosso..%)?
se le misure sono esatte,risulta avere gli avvolgimenti "aperti", pertanto è guasto!
e se si fosse interrotto all'interno, come è probabile?
sul secondario essendo presente un diodo al silicio come raddrizzatore a semionda, si dovrà considerare una caduta di tensione dello stesso di
, per cui in uscita dal trasformatore

per quanto concerne la resistenza , presumo che la sua funzione sia quella di limitare la corrente di carica.
premesso che
Overlord87 ha scritto:PS- Il consiglio più semplice sarebbe quello di ricomprare il caricatore tanto costa pochi euro, però vorrei recuperare questo che già ho.....
è la soluzione piu' rapida e conveniente, per la seconda parte
Overlord87 ha scritto:Per altro sono appassionato di elettronica come tutti voi quindi mi piace smontare, studiare e capire il circuito
proverò a risponderti.
Overlord87 ha scritto:La resistenza R1 non è da 1k! Le sue strisce colorate sono: rosso-rosso-oro-oro-verde e, misurandola con un tester senza scollegarla (tanto è di piccolo valore e il circuito circostante non influenza la misura più di tanto), misuro 2-3 Ohm.
infatti, secondo il codice dei colori dovrebbe essere di valore
, il valore di 1K da dove salta fuori ( marrone-nero-rosso..%)?Overlord87 ha scritto:Il trasformatore non funziona siccome:
- non leggo nessuna tensione alternata sul secondario quando lo collego alla presa;
- misurando la resistenza vista sul primario o sul secondario, mi dà resistenza infinita.
se le misure sono esatte,risulta avere gli avvolgimenti "aperti", pertanto è guasto!
Overlord87 ha scritto:...un filo del primario è interrotto prima della bobina. Ma non ne sono convinto, altrimenti tirandolo verrebbe fuori!
e se si fosse interrotto all'interno, come è probabile?
Overlord87 ha scritto:...il trasformatore, avevo intenzione di sostituirlo con un altro. Però mi chiedo: che tensione dovrei avere sul secondario?
sul secondario essendo presente un diodo al silicio come raddrizzatore a semionda, si dovrà considerare una caduta di tensione dello stesso di
, per cui in uscita dal trasformatore
per quanto concerne la resistenza , presumo che la sua funzione sia quella di limitare la corrente di carica.
0
voti
mir ha scritto:il valore di 1K da dove salta fuori ( marrone-nero-rosso..%)?
non ho specificato bene che ho disegnato il circuito con Orcad e per default mi ha messo 1K... e mi sono dimenticato di cambiare il valore.mir ha scritto:in uscita dal trasformatore
Vca = Vcc + 0,7 = 2,4 + 0,7 = 3,1 volt
Ciò che è da tener conto è, però, il valore di picco. Se ad esempio prendo un secondario da 3Veff, dovrò moltiplicare per rad(2) e poi sottrarre la tensione di soglia del diodo al silicio che è 0,7V. Giusto?
-

Overlord87
0 3 - Messaggi: 26
- Iscritto il: 23 ott 2009, 17:16
0
voti
Overlord, non mi dire che quello e' lo schema di un caricabatterie commerciale per stilo al Ni-Cd ?
Ed io che pensavo che impiegassero qualche integrato specializzato per quella funzione ....
Ed io che pensavo che impiegassero qualche integrato specializzato per quella funzione ....
0
voti
ginfizz ha scritto:Overlord, non mi dire che quello e' lo schema di un caricabatterie commerciale per stilo al Ni-Cd ?![]()
![]()
Esatto, è lo schema per batterie Ni-Cd e Ni-Mh. comunque non sono male questi caricatori.
Ne ho un altro per 2 pile (AA o AAA) che ha due circuiti differenti, quindi è adatto anche per caricare una pila soltanto (invece il caricatore che ho trattato può caricare minimo 2 pile) e credo fermamente che caricare le pile in modo indipendente è il miglior metodo da adottare per evitare che una pila si carichi più dell'altra per poi venir utilizzata maggiormente. Sarebbe meglio evitare questa disparità per un maggiore beneficio nel lungo periodo. (se qualcuno vuole aggiungere qualcosa o dare propri pareri è invitato a farlo
Resta sempre il fatto che i caricatori switching sono i migliori per il minor peso, minor ingombro e maggiore stabilità.
-

Overlord87
0 3 - Messaggi: 26
- Iscritto il: 23 ott 2009, 17:16
0
voti
il valore della tensione efficace, sul secondario è quello considerato, presumo che la tua valutazione sia corretta qualora si voglia inserire una capacità di livellamento in uscita, ma stiamo andando oltre lo schema che hai postato, in tal caso si considera la realizzazione di un alimentatorino,ma andrebbe rivisto il tutto.
0
voti
ginfizz ha scritto:Overlord, non mi dire che quello e' lo schema di un caricabatterie commerciale per stilo al Ni-Cd ?![]()
![]()
Ed io che pensavo che impiegassero qualche integrato specializzato per quella funzione ....
Questo è lo schema utilizzato da una notissima marca di elettroutensili per ricaricare le due batterie da 3,6V di un trapano.
Ed io che mi chiedevo perche il trasformatore scaldasse cosi tanto ( tant'è che alla fine si e rotto )
0
voti
Gabrieleb ha scritto:Questo è lo schema utilizzato da una notissima marca di elettroutensili per ricaricare le due batterie da 3,6V di un trapano.
Ed io che mi chiedevo perche il trasformatore scaldasse cosi tanto ( tant'è che alla fine si e rotto )
Credo che questi tipi di "alimentatori" (condensatore di livellamento o no, non fa differenza) siano abbastanza robusti rispetto agli switching, quindi sono difficili da guastarsi. Dopotutto l'elettrotecnica è meno delicata dell'elettronica e permette di realizzare circuiti più longevi anche se meno efficienti e di minor qualità.
Il tuo trasformatore del trapano, che alla fine si è rotto, sicuramente soffriva di qualche problema particolare, credo sia da escludere che una nota marca di elettroutensili abbia progettato un caricatore sottodimensionato (in corrente intendo) o realizzato con materiali scadenti. Se uno strumento di marca "lavorasse" in condizioni adeguate, è difficile che si distrugga in poco tempo.
mir ha scritto:il valore della tensione efficace, sul secondario è quello considerato, presumo che la tua valutazione sia corretta qualora si voglia inserire una capacità di livellamento in uscita, ma stiamo andando oltre lo schema che hai postato, in tal caso si considera la realizzazione di un alimentatorino,ma andrebbe rivisto il tutto.
Allora proviamo a fare delle ipotesi:
- vogliamo ad esempio ricaricare una pila da 1,2V (composizioni chimiche a parte)
- utilizziamo soltanto un diodo raddrizzatore ideale (singola semionda) con tensione di soglia 0,7V
- consideriamo un trasformatore ideale schematizzato da un generatore di tensione alternata (lasciamo perdere il primario che non ci interessa)
- tralasciamo la resistenza di limitazione
Dovremmo utilizzare un trasformatore con secondario avente valore di picco:

(2V di picco per essere certi che la pila si ricarichi ad un valore di tensione di almeno 1,2V)
il cui valore efficace vale pertanto:
![V_{eff}=\frac{2}{\sqrt[]{2}}=\sqrt[]{2}\approx1,41V V_{eff}=\frac{2}{\sqrt[]{2}}=\sqrt[]{2}\approx1,41V](/forum/latexrender/pictures/7c1f5fd983f9ff461cef7d6801bec896.png)
Non ho tenuto conto della resistenza di limitazione (e neanche di quella del generatore), ma le cose sarebbero andate allo stesso modo dato che la resistenza ha soltanto il compito di limitare la corrente quando la pila è scarica aumentando i tempi necessari per la carica. A pila carica, ossia al punto in cui la sua tensione eguaglia quella di picco del generatore (meno l'eventuale valore soglia del diodo), sulla resistenza non scorre più corrente e, quindi, non c'è caduta di potenziale.
(ho tralasciato ogni effetto capacitivo che può presentarsi ai capi della pila)
Ecco perché parlavo di valore di picco e non di valore efficace. Per altro il valore efficace della tensione a valle del diodo si dimezza a causa del taglio della semionda negativa.
Spero di aver trattato bene il problema.
- Allegati
-
- Con un valore di picco superiore a 1,2V sul carico, la pila continua ad essere attraversata da corrente ogniqualvolta il valore della semionda supera 1,2V continuando a caricarsi fino al danneggiamento.
- Tensioni.jpg (66.36 KiB) Osservato 2607 volte
-

Overlord87
0 3 - Messaggi: 26
- Iscritto il: 23 ott 2009, 17:16
0
voti
Dopo aver letto l'esposizione (non la riporto per intero) del precedente topic:
mi chiedo il perché di questa domanda al primo topic..................mmmmmh.
Overlord87 ha scritto:............Spero di aver trattato bene il problema.
mi chiedo il perché di questa domanda al primo topic..................mmmmmh.
Overlord87 ha scritto:Però mi chiedo: che tensione dovrei avere sul secondario?
0
voti
Diciamo che con un po' di ragionamento, mi sono risposto da solo!! 
-

Overlord87
0 3 - Messaggi: 26
- Iscritto il: 23 ott 2009, 17:16
16 messaggi
• Pagina 1 di 2 • 1, 2
Chi c’è in linea
Visitano il forum: Google [Bot] e 150 ospiti

Elettrotecnica e non solo (admin)
Un gatto tra gli elettroni (IsidoroKZ)
Esperienza e simulazioni (g.schgor)
Moleskine di un idraulico (RenzoDF)
Il Blog di ElectroYou (webmaster)
Idee microcontrollate (TardoFreak)
PICcoli grandi PICMicro (Paolino)
Il blog elettrico di carloc (carloc)
DirtEYblooog (dirtydeeds)
Di tutto... un po' (jordan20)
AK47 (lillo)
Esperienze elettroniche (marco438)
Telecomunicazioni musicali (clavicordo)
Automazione ed Elettronica (gustavo)
Direttive per la sicurezza (ErnestoCappelletti)
EYnfo dall'Alaska (mir)
Apriamo il quadro! (attilio)
H7-25 (asdf)
Passione Elettrica (massimob)
Elettroni a spasso (guidob)
Bloguerra (guerra)




