Grazie a tutti in anticipo.
L'esercizio è il seguente:

Moderatori:
carloc,
g.schgor,
BrunoValente,
IsidoroKZ
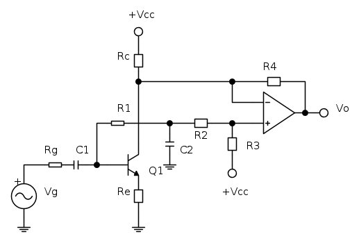
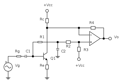
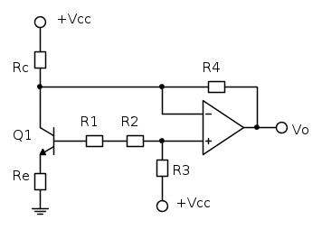
RenzoDF ha scritto:postare lo schema con FidoCadJ, grazie !
... e ovviamente la tua parziale soluzione .
e 
![arrabbiato "[#]"](./images/smilies/angry (1).gif)


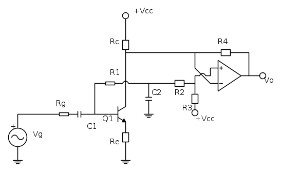
TardoFreak ha scritto:Ma che ca...pperigna di circuito e' questo?![]()
![]()
E' sbagliatissimo! Ha una reazione positiva!
Edit: visto adesso. Hai invertito gli ingressi dell' operazionale!


Visitano il forum: Nessuno e 67 ospiti