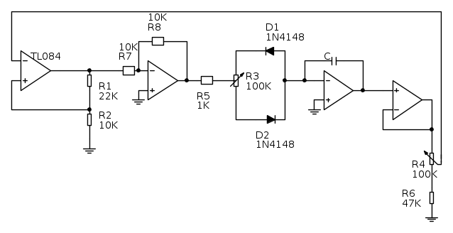
sto lavorando al seguente circuito:
Si tratta si un generatore di onda triangolare con frequenza e duty cicle variabile.
Il circuito in se funziona fino a che mi trovo entro qualche decina di kHz, se metto un condensatore da 180 pF e lo faccio oscillare intorno ai 140 kHz l'uscita diventa quasi sinusoidale e l'onda quadra in uscita dall'AO di sinistra è tutt'altro che squadrata.
In queste condizioni, la corrente di carica del condensatore è tutt'altro che lineare: presenta un picco (positivo/negativo) sul fronte di salita/discesa e poi un andamento esponenziale.
L'operazionale ha una banda di 3MHz e uno SR di 13V/us, credo siano sufficienti a reggere almeno 100KHz... o sbaglio?
Avete qualche idea su come sistemarlo?
Grazie!
Luca.


Elettrotecnica e non solo (admin)
Un gatto tra gli elettroni (IsidoroKZ)
Esperienza e simulazioni (g.schgor)
Moleskine di un idraulico (RenzoDF)
Il Blog di ElectroYou (webmaster)
Idee microcontrollate (TardoFreak)
PICcoli grandi PICMicro (Paolino)
Il blog elettrico di carloc (carloc)
DirtEYblooog (dirtydeeds)
Di tutto... un po' (jordan20)
AK47 (lillo)
Esperienze elettroniche (marco438)
Telecomunicazioni musicali (clavicordo)
Automazione ed Elettronica (gustavo)
Direttive per la sicurezza (ErnestoCappelletti)
EYnfo dall'Alaska (mir)
Apriamo il quadro! (attilio)
H7-25 (asdf)
Passione Elettrica (massimob)
Elettroni a spasso (guidob)
Bloguerra (guerra)





