Cos'è ElectroYou | Login Iscriviti

ElectroYou - la comunità dei professionisti del mondo elettrico

Aiuto ponte H

Elettronica lineare e digitale: didattica ed applicazioni

Moderatori: Foto Utentecarloc, Foto Utenteg.schgor, Foto UtenteBrunoValente, Foto UtenteIsidoroKZ

0
voti

[1] Aiuto ponte H

Messaggioda Foto UtenteGoner » 20 lug 2011, 16:40

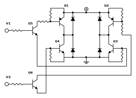
Ciao a tutti, mi potete aiutare con questo circuito che sto sviluppando??
Sto cercando di comandare un motorino a seconda della luce che arriva attraverso due sensori (se un sensore riceve più luce dell'altro, il motorino si muove verso quella direzione fino a quando la luce ricevuta da entrambi non è la stessa).. insomma un inseguitore solare..
Ma simulando in PSpice con il ponte H, un transistor che dovrebbe rimanere interdetto (visto che sulla base c'è una tensione negativa) invece conduce, facendo rimanere bassa la tensione sul pallino rosso (mentre il pallino ha bassa tensione giustamente). Spero si sia capito!
Qualcuno mi sa dare qualche dritta / dire il perché / miglioramenti per il circuito???

Grazie mille!

(nel disegno non si vede: a destra (oltre ai due diodi di protezione) c'è una batteria da 30V)

Immagine
Shot at 2011-07-20
Avatar utente
Foto UtenteGoner
0 2
 
Messaggi: 1
Iscritto il: 20 lug 2011, 16:17

0
voti

[2] Re: Aiuto ponte H

Messaggioda Foto Utentesimo85 » 20 lug 2011, 20:52

Ciao Goner, il ponte H modificalo così:

dove V1 & V2 sono le tensioni di output dei tuoi OpAmps.
Come vedrai non ho inserito i valori delle resistenze nello schema, sono sveglio da poco, lo lascio fare a te così prendi mano con Fidocad, e si spera lo userai per il prossimo schema che vorrai riportare. ;-)
Ciao
Avatar utente
Foto Utentesimo85
30,9k 7 12 13
Disattivato su sua richiesta
 
Messaggi: 9927
Iscritto il: 30 ago 2010, 4:59


Torna a Elettronica generale

Chi c’è in linea

Visitano il forum: Majestic-12 [Bot] e 44 ospiti