Cos'è ElectroYou | Login Iscriviti

ElectroYou - la comunità dei professionisti del mondo elettrico

Accensione e spegnimento luci con battito mani

Elettronica lineare e digitale: didattica ed applicazioni

Moderatori: Foto Utentecarloc, Foto Utenteg.schgor, Foto UtenteBrunoValente, Foto UtenteIsidoroKZ

0
voti

[1] Accensione e spegnimento luci con battito mani

Messaggioda Foto Utentedrinu » 9 gen 2012, 11:04

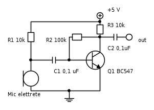
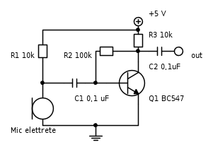
ciao a tutti, vorrei realizzare un circuito che con un battito di mani accenda una luce e con un altro battito la spenga.
come preamplficatore microfonico userei questo schema gia usato, cambiando se necessario la tensione di alimentazione:



mi manca però la seconda parte del circuito, per questo chiedo a voi. penso ci voglia un flip-flop!!! gli ho dato una ripassata sul libro ma niente non ci arrivo, che faccio?
grazie
Ultima modifica di Foto Utentealev il 9 gen 2012, 19:04, modificato 2 volte in totale.
Motivazione: Modificato titolo
Avatar utente
Foto Utentedrinu
143 1 3 7
Stabilizzato
Stabilizzato
 
Messaggi: 473
Iscritto il: 29 mar 2007, 19:59

2
voti

[2] Re: battimani

Messaggioda Foto Utenteg.schgor » 9 gen 2012, 12:26

Suggerirei di mettere dopo il preamplificatore un circuito rivelatore

e da un amplificatore (transistor o operazionale) per rilevare
il livello del "rumore" (non solo battimani!) acquisito.
Poi si potrà pensare a come utilizzarlo per gestire un Flip-Flop.
Avatar utente
Foto Utenteg.schgor
57,8k 9 12 13
G.Master EY
G.Master EY
 
Messaggi: 16971
Iscritto il: 25 ott 2005, 9:58
Località: MILANO

0
voti

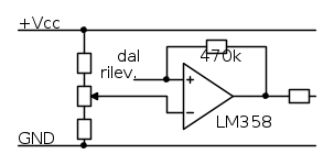
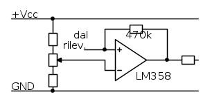
[3] Re: battimani

Messaggioda Foto Utentedrinu » 9 gen 2012, 18:32

spero di aver capito bene:



ho messo i valori a spanne per il rilevatore di picco, R1,R2 e R3 proprio non so.
per l'operazionale (configurazione non invertente) ho impostato un guadagno di 11.
Avatar utente
Foto Utentedrinu
143 1 3 7
Stabilizzato
Stabilizzato
 
Messaggi: 473
Iscritto il: 29 mar 2007, 19:59

0
voti

[4] Re: Accensione e spegnimento luci con battito mani

Messaggioda Foto Utenteg.schgor » 9 gen 2012, 19:11

Veramente pensavo ad una configurazione come comparatore:

adatta a fornire direttamente il segnale a tutto-o-niente
al FlipFlop .
Col potenziometro si può variare la soglia di scatto.
Avatar utente
Foto Utenteg.schgor
57,8k 9 12 13
G.Master EY
G.Master EY
 
Messaggi: 16971
Iscritto il: 25 ott 2005, 9:58
Località: MILANO

0
voti

[5] Re: Accensione e spegnimento luci con battito mani

Messaggioda Foto Utentedrinu » 9 gen 2012, 23:32

ho capito.
per lo stadio seguente ho pensato a questo latch ma l'uscita è sempre 1 , diventa 0 solo quando l' ingresso è 1 e quindi non va bene.



abbi pazienza g.schgor
Avatar utente
Foto Utentedrinu
143 1 3 7
Stabilizzato
Stabilizzato
 
Messaggi: 473
Iscritto il: 29 mar 2007, 19:59

1
voti

[6] Re: Accensione e spegnimento luci con battito mani

Messaggioda Foto Utenteg.schgor » 10 gen 2012, 8:22

Ci vuole un JK-FlipFlop (la cui uscita cambia di stato
ad ogni impulso ricevuto in ingresso), come questo:
4027d.GIF
4027d.GIF (2.65 KiB) Osservato 8221 volte
.

Prima però di realizzare il circuito del FF, consiglierei
di osservare l'uscita del comparatore mediante LED
(e resistenza limitatrice a 10mA), per trovare il giusto
livello di "scatto" di questo.
Rimane infine da amplificare in potenza l'uscita del FF
per comandare il tuo "effetto luci". (devi stabilire di
che luci si tratta).
Avatar utente
Foto Utenteg.schgor
57,8k 9 12 13
G.Master EY
G.Master EY
 
Messaggi: 16971
Iscritto il: 25 ott 2005, 9:58
Località: MILANO

0
voti

[7] Re: Accensione e spegnimento luci con battito mani

Messaggioda Foto Utentedrinu » 10 gen 2012, 17:16

allora, ho provato con il led e questo fa un lampo veloce al battito di mani, per pilotare il flip-flop forse è meglio che rimanga acceso per , non so, 1 secondo?
il trimmer (47k) per trovare lo "scatto" è quasi completamente ruotato verso la resistenza (1k) collegata a massa, forse perché misurando all'uscita del circuito rilevatore di picco con un oscilloscopio portatile la tensione massima dell'onda al battito di mani è 100mV quindi bisogna mettere le mani al preamplificatore microfonico?
Avatar utente
Foto Utentedrinu
143 1 3 7
Stabilizzato
Stabilizzato
 
Messaggi: 473
Iscritto il: 29 mar 2007, 19:59

0
voti

[8] Re: Accensione e spegnimento luci con battito mani

Messaggioda Foto Utentedrinu » 10 gen 2012, 17:16

domani mi procuro il flip-flop
:D
Avatar utente
Foto Utentedrinu
143 1 3 7
Stabilizzato
Stabilizzato
 
Messaggi: 473
Iscritto il: 29 mar 2007, 19:59

0
voti

[9] Re: Accensione e spegnimento luci con battito mani

Messaggioda Foto UtenteIsidoroKZ » 10 gen 2012, 17:45

drinu ha scritto:allora, ho provato con il led e questo fa un lampo veloce al battito di mani, per pilotare il flip-flop forse è meglio che rimanga acceso per , non so, 1 secondo?


Un flip flop commuta con impulsi lunghi poche decine di nanosecondi, direi che non abbia proprio nulla da preoccuparti sulla lunghezza dell'impulso.
Per usare proficuamente un simulatore, bisogna sapere molta più elettronica di lui
Plug it in - it works better!
Il 555 sta all'elettronica come Arduino all'informatica! (entrambi loro malgrado)
Se volete risposte rispondete a tutte le mie domande
Avatar utente
Foto UtenteIsidoroKZ
121,2k 1 3 8
G.Master EY
G.Master EY
 
Messaggi: 21059
Iscritto il: 17 ott 2009, 0:00

0
voti

[10] Re: Accensione e spegnimento luci con battito mani

Messaggioda Foto Utentedrinu » 12 feb 2012, 0:13

se a qualcuno può interessare ho trovato questo più semplice, ciao!!
battimani.jpg
battimani.jpg (86.19 KiB) Osservato 8058 volte
Ultima modifica di Foto Utenteadmin il 12 feb 2012, 1:03, modificato 1 volta in totale.
Motivazione: Inserita l'immagine in linea con il testo per evitare lo sconfinamento a destra
Avatar utente
Foto Utentedrinu
143 1 3 7
Stabilizzato
Stabilizzato
 
Messaggi: 473
Iscritto il: 29 mar 2007, 19:59


Torna a Elettronica generale

Chi c’è in linea

Visitano il forum: Nessuno e 62 ospiti