Buongiorno a tutti !
Ho una domanda..
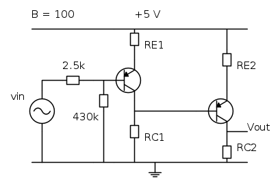
Per l'università dovremmo progettare uno stadio amplificante a due BJT , come quello in figura, dimensionando le resistenze e la polarizzazione per ottenere un :
- Guadagno totale G = 40
- Distorsione massima HD = 5 %
Riesco a trovare tutte le relazioni (Zin, Zout,guadagni ecc ) in funzione delle 4 resistenze (incognite ) ma non riesco a trovare delle relazioni che mi stabiliscano quanto devono valere le resistenze.
La soluzione, può essere, è fissarne una e di conseguenza ricavare le altre ? e come fissarla ?
Progettazione amplificatore
Moderatori:
carloc,
g.schgor,
BrunoValente,
IsidoroKZ
7 messaggi
• Pagina 1 di 1
0
voti
È per domani. Non riesco a venirne a capo se non fissando ' a caso' una resistenza e trovando le altre di conseguenza. 
Visita il mio sito : http://www.raffotech.altervista.org
1
voti
I dati che hai fornito non sono sufficienti. La distorsione dipende dall'ampiezza del segnale, di cui non hai detto nulla. Neanche dinamica e banda...
E quel circuito non puo` funzionare cosi`, manca un condensatore sull'ingresso del segnale.
La resistenza da 430kΩ e` assegnata?
In generale nel progetto dei circuiti capita abbastanza spesso di avere piu` incognite che equazioni, e quindi si deve andare ad esperienza o dando dei bound sui valori.
E quel circuito non puo` funzionare cosi`, manca un condensatore sull'ingresso del segnale.
La resistenza da 430kΩ e` assegnata?
In generale nel progetto dei circuiti capita abbastanza spesso di avere piu` incognite che equazioni, e quindi si deve andare ad esperienza o dando dei bound sui valori.
Per usare proficuamente un simulatore, bisogna sapere molta più elettronica di lui
Plug it in - it works better!
Il 555 sta all'elettronica come Arduino all'informatica! (entrambi loro malgrado)
Se volete risposte rispondete a tutte le mie domande
Plug it in - it works better!
Il 555 sta all'elettronica come Arduino all'informatica! (entrambi loro malgrado)
Se volete risposte rispondete a tutte le mie domande
0
voti
Hai ragione, perdonami, ho tralasciato il condensatore in ingresso FONDAMENTALE. Distrazione mia.
Per quanto riguarda banda, non abbiano ancora fatto un analisi in frequenza.
Il segnale in ingresso è una sinusoide di +-30mV.
Non te l'ho detta perché la lasciava come incognita all'interno dell'espressione della distorsione, però effettivamente era poco chiaro.
Purtroppo è vero, anche io credo che si scelgano con l'esperienza, andando un po' 'ad occhio'.
Io l'occhio ancora non ce lho però, me lo devo 'fare' :)
volevo trovare quindi delle espressioni o comunque dei ragionamenti che mi fanno restringere la scelta dei valori, in modo da , in futuro, saper scegliere con cognizione di causa, come si dice :)
Per quanto riguarda banda, non abbiano ancora fatto un analisi in frequenza.
Il segnale in ingresso è una sinusoide di +-30mV.
Non te l'ho detta perché la lasciava come incognita all'interno dell'espressione della distorsione, però effettivamente era poco chiaro.
Purtroppo è vero, anche io credo che si scelgano con l'esperienza, andando un po' 'ad occhio'.
Io l'occhio ancora non ce lho però, me lo devo 'fare' :)
volevo trovare quindi delle espressioni o comunque dei ragionamenti che mi fanno restringere la scelta dei valori, in modo da , in futuro, saper scegliere con cognizione di causa, come si dice :)
Visita il mio sito : http://www.raffotech.altervista.org
2
voti
In prima battuta proverei a far guadagnare il primo stadio 10 e il secondo 4 (tenendo conto di tutti i carichi dei vari stadi). La ragione e` che hai una limitazione di distorsione, tipicamente maggiore e` l'ampiezza del segnale, maggiore e` la distorsione.
Nel primo stadio hai segnale piccolo puoi guadagnare tanto, il che vuol dire che ti serve poca retroazione. Invece nel secondo stadio la distorsione puo` essere un problema, allora alziamo la retroazione per ridurre la distorsione, ma cosi` facendo guadagniamo di meno.
Tieni presente che in uscita devi anche garantire la dinamica di 1.2V
Nel primo stadio hai segnale piccolo puoi guadagnare tanto, il che vuol dire che ti serve poca retroazione. Invece nel secondo stadio la distorsione puo` essere un problema, allora alziamo la retroazione per ridurre la distorsione, ma cosi` facendo guadagniamo di meno.
Tieni presente che in uscita devi anche garantire la dinamica di 1.2V
Per usare proficuamente un simulatore, bisogna sapere molta più elettronica di lui
Plug it in - it works better!
Il 555 sta all'elettronica come Arduino all'informatica! (entrambi loro malgrado)
Se volete risposte rispondete a tutte le mie domande
Plug it in - it works better!
Il 555 sta all'elettronica come Arduino all'informatica! (entrambi loro malgrado)
Se volete risposte rispondete a tutte le mie domande
0
voti
hai ragione, a questo non avevo pensato! é vero, meglio far guadagnare di più al primo stadio.
Provo a buttarti giù un'idea :
pensavo di considerare i guadagni dei due stadi indipendentemente dai carichi in uscita e dall impedenza d'uscita dello stadio precedente.
Chiamerei questi due Guadagni G1 e G2.
Ovviamente però, devo considerare anche le varie partizioni che si vengono a creare , in particolare :
- quella tra il segnale d'ingresso vin e la base del primo transistore (partizione tra 2,5k e
dove
è l'impedenza d'ingresso del primo transistore)
- quella tra l'impedenza d'uscita del primo transistore e l'impedenza d'ingresso del secondo. Partizione quindi tra
e
, dove
e
.
Per semplicità chiamiamo il primo rapporto di partizione come
e il secondo come
.
Dipendendo entrambi dalla transconduttanza e quindi dalla corrente di polarizzazione, come cavolo stabilisco ad esempio quanto deve valere il mio
, cioè il guadagno del primo stadio ?? :)
Provo a buttarti giù un'idea :
pensavo di considerare i guadagni dei due stadi indipendentemente dai carichi in uscita e dall impedenza d'uscita dello stadio precedente.
Chiamerei questi due Guadagni G1 e G2.
Ovviamente però, devo considerare anche le varie partizioni che si vengono a creare , in particolare :
- quella tra il segnale d'ingresso vin e la base del primo transistore (partizione tra 2,5k e
dove
è l'impedenza d'ingresso del primo transistore)- quella tra l'impedenza d'uscita del primo transistore e l'impedenza d'ingresso del secondo. Partizione quindi tra
e
, dove
e
.Per semplicità chiamiamo il primo rapporto di partizione come
e il secondo come
.Dipendendo entrambi dalla transconduttanza e quindi dalla corrente di polarizzazione, come cavolo stabilisco ad esempio quanto deve valere il mio
, cioè il guadagno del primo stadio ?? :)Visita il mio sito : http://www.raffotech.altervista.org
7 messaggi
• Pagina 1 di 1
Chi c’è in linea
Visitano il forum: Nessuno e 44 ospiti

Elettrotecnica e non solo (admin)
Un gatto tra gli elettroni (IsidoroKZ)
Esperienza e simulazioni (g.schgor)
Moleskine di un idraulico (RenzoDF)
Il Blog di ElectroYou (webmaster)
Idee microcontrollate (TardoFreak)
PICcoli grandi PICMicro (Paolino)
Il blog elettrico di carloc (carloc)
DirtEYblooog (dirtydeeds)
Di tutto... un po' (jordan20)
AK47 (lillo)
Esperienze elettroniche (marco438)
Telecomunicazioni musicali (clavicordo)
Automazione ed Elettronica (gustavo)
Direttive per la sicurezza (ErnestoCappelletti)
EYnfo dall'Alaska (mir)
Apriamo il quadro! (attilio)
H7-25 (asdf)
Passione Elettrica (massimob)
Elettroni a spasso (guidob)
Bloguerra (guerra)




