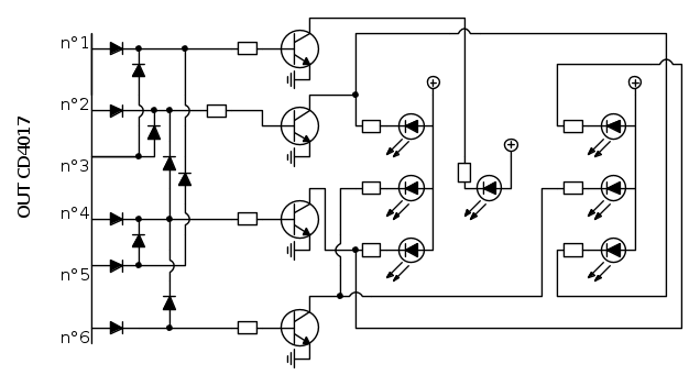
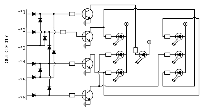
Ciao a tutti, ho realizzato un dado elettronico con un CD4017 e per accendere i 7 led ho ideato questo schema, non l'ho provato su breadboard ma dovrebbe funzionare. Vi chiedo ora se conoscete un modo più semplice per realizzarlo!
Semplificazione circuito dado a led
Moderatori:
carloc,
g.schgor,
BrunoValente,
IsidoroKZ
34 messaggi
• Pagina 1 di 4 • 1, 2, 3, 4
0
voti
Se lo vuoi fare Hardware (non ho controllato lo schema) quella è una soluzione.
Se vuoi usare un po' di Firmware, allora un micretto (uno qualunque; Microchip, Freescale, Atmel, ST, TI ...) e 10 righe (ma proprio 10 righe) di codice ed il gioco è fatto !
Buona sperimentazione.
Bye
Ser.Tom
Se vuoi usare un po' di Firmware, allora un micretto (uno qualunque; Microchip, Freescale, Atmel, ST, TI ...) e 10 righe (ma proprio 10 righe) di codice ed il gioco è fatto !
Buona sperimentazione.
Bye
Ser.Tom1
voti
P.S da vecchio (e bavoso) tecnico ....
Uno schema elettrico ha come primo scopo quello di essere "leggibile". Se chi lo legge non lo capisce a colpo d'occhio, allora lo schema e fatto male...
Bye
Ser.Tom
Uno schema elettrico ha come primo scopo quello di essere "leggibile". Se chi lo legge non lo capisce a colpo d'occhio, allora lo schema e fatto male...
Bye
Ser.Tom0
voti
SerTom ha scritto:Se vuoi usare un po' di Firmware, allora un micretto
Si, con un micro si risolve facilmente! Però è da un po' di tempo che mi prende realizzare circuiti semplici senza micro.
1
voti
SerTom ha scritto:Uno schema elettrico ha come primo scopo quello di essere "leggibile"...
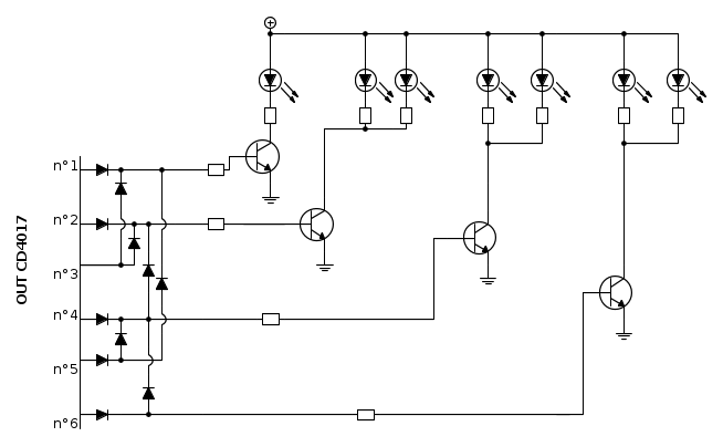
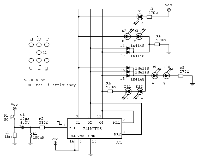
Forse così, lo schema, risulta più leggibile:
Ora questo l' ho modificato io, ma la prossima volta
Come dice
1
voti
SerTom ha scritto:.S da vecchio (e bavoso) tecnico ....
Uno schema elettrico ha come primo scopo quello di essere "leggibile".
mrc ha scritto:Forse così, lo schema, risulta più leggibile:
Mah, sarà, ma a me lo schema di
Ciao.
Paolo.
"Houston, Tranquillity Base here. The Eagle has landed." - Neil A.Armstrong
-------------------------------------------------------------
PIC Experience - http://www.picexperience.it
-------------------------------------------------------------
PIC Experience - http://www.picexperience.it
-

Paolino
32,6k 8 12 13 - G.Master EY

- Messaggi: 4226
- Iscritto il: 20 gen 2006, 11:42
- Località: Vigevano (PV)
0
voti
Paolino ha scritto:a me lo schema di drinu risultava leggibile, anche perché riportava la struttura del dado, con i LED posti nelle posizioni dei punti.
Si!
mrc ha scritto:Ho modificato lo schema travisando completamente la funzione del circuito; scusami drinu.![]()
![]()
Tranquillo!
Semplificazioni del circuito non ve ne vengono? Appena mi passa l'influenza lo realizzo e vi faccio sapere.
Grazie!

11
voti
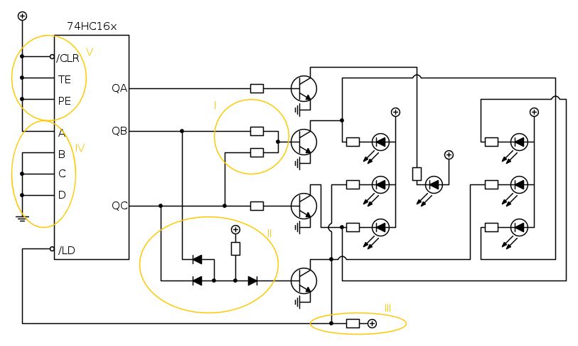
Direi che chiamate così queste configurazioni base di LED
ci si accorge che per realizzare i sei numeri del dado...
usaiamo qualcosa che ha una certa somiglianza con il codice binario...
se prendiamo un contatore binario che conta da 1 a 6 con le sue uscite QA=1, QB=2, QC=4
e confrontiamo le sue uscite con quelle richieste per i LED vediamo che:
ogni numero dispari ha bisogno di L1, quindi
poi devo accendere L2a per visualizzare il peso 2 o anche il peso 4, mentre L2b si deve accendere solo per il peso 4, quindi
infine per visualizzare 6=4+2 devo accendere il 4 come al passo precedente e anche L2c, quindi
Riassumendo:
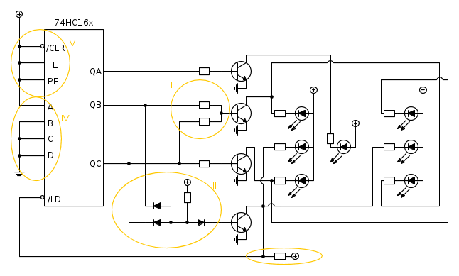
ci manca solo il contatore da 1 a 6, si potrebbe usare un contatore a preset sincrono tipo 74HC16x , per questa applicazione uno qualsiasi dei quattro è ok.
Realizziamo un circuito che una volta raggiunto il conteggio di sei al prossimo clock si presetta ad uno. Dato che la condizione di preset è proprio conteggio=6 e dato che comunque contiamo sempre up ci basta la stessa QB&QC già realizzata per la visualizzazione...
i) questo realizza l'OR tra QB e QC, i diodi non servono, si dimensiona in modo che una sola uscita alta sia sufficiente a saturare il BJT, se poi fossero alte tutte e due hai solo un po' più di corrente di base....
ii) questo realizza l'AND tra QB e QC la resistenza di pull-up deve essere in grado di saturare il BJT, il diodo in serie alla base è necessario per essere sicuri sia interdetto quando deve...
iii) dato che l'ingresso di abilitazione al Load è attivo basso ci serve un inverter dopo l'and ... c'è già nella forma del BJT driver dei LED e infatti preleviamo il segnali di lì...un pull-up extra(circa 10kohm) assicura che il segnale vada "alto" fino a Vcc, senza la resistenza il pull-up solo via il diodo LED si potrebbe rendere poco sicuro il funzionamento
iv) qui si imposta il valore di inzio conteggio a 0b0001=1
v) vari collegamenti accessori necessari al conteggio. Nota solo che un reset (tipo R/C) all'accensione non è strettamente necessario, qualsiasi stato casuale abbia il circuito riparte da 1 dopo al massimo "un giro" e se -come credo- dai un clock veloce e lo fermi "a caso" almeno "un giro te lo fa sempre.
Note varie: non ho diseganto il clock, ovviamente c'è.
ci si accorge che per realizzare i sei numeri del dado...
- Codice: Seleziona tutto
1=L1
2= L2a
3=L1a+L2a
4= L2a+L2b
5=L1a+L2a+L2b
6= L2a+L2b+L2c
usaiamo qualcosa che ha una certa somiglianza con il codice binario...
se prendiamo un contatore binario che conta da 1 a 6 con le sue uscite QA=1, QB=2, QC=4
- Codice: Seleziona tutto
LLLL
QQQ 2221
CBA cba
1 001 0001
2 010 0010
3 011 0011
4 100 0110
5 101 0111
6 110 1110
e confrontiamo le sue uscite con quelle richieste per i LED vediamo che:
ogni numero dispari ha bisogno di L1, quindi
- Codice: Seleziona tutto
L1=QA
poi devo accendere L2a per visualizzare il peso 2 o anche il peso 4, mentre L2b si deve accendere solo per il peso 4, quindi
- Codice: Seleziona tutto
L2a=QB+QC
L2b=QC
infine per visualizzare 6=4+2 devo accendere il 4 come al passo precedente e anche L2c, quindi
- Codice: Seleziona tutto
L2c=QB & QC
Riassumendo:
- Codice: Seleziona tutto
L1=QA
L2a=QB + QC
L2b=QC
L2c=QB & QC
ci manca solo il contatore da 1 a 6, si potrebbe usare un contatore a preset sincrono tipo 74HC16x , per questa applicazione uno qualsiasi dei quattro è ok.
Realizziamo un circuito che una volta raggiunto il conteggio di sei al prossimo clock si presetta ad uno. Dato che la condizione di preset è proprio conteggio=6 e dato che comunque contiamo sempre up ci basta la stessa QB&QC già realizzata per la visualizzazione...
i) questo realizza l'OR tra QB e QC, i diodi non servono, si dimensiona in modo che una sola uscita alta sia sufficiente a saturare il BJT, se poi fossero alte tutte e due hai solo un po' più di corrente di base....
ii) questo realizza l'AND tra QB e QC la resistenza di pull-up deve essere in grado di saturare il BJT, il diodo in serie alla base è necessario per essere sicuri sia interdetto quando deve...
iii) dato che l'ingresso di abilitazione al Load è attivo basso ci serve un inverter dopo l'and ... c'è già nella forma del BJT driver dei LED e infatti preleviamo il segnali di lì...un pull-up extra(circa 10kohm) assicura che il segnale vada "alto" fino a Vcc, senza la resistenza il pull-up solo via il diodo LED si potrebbe rendere poco sicuro il funzionamento
iv) qui si imposta il valore di inzio conteggio a 0b0001=1
v) vari collegamenti accessori necessari al conteggio. Nota solo che un reset (tipo R/C) all'accensione non è strettamente necessario, qualsiasi stato casuale abbia il circuito riparte da 1 dopo al massimo "un giro" e se -come credo- dai un clock veloce e lo fermi "a caso" almeno "un giro te lo fa sempre.
Note varie: non ho diseganto il clock, ovviamente c'è.
Se ti serve il valore di beta: hai sbagliato il progetto!
6
voti
-

PietroBaima
90,7k 7 12 13 - G.Master EY

- Messaggi: 12206
- Iscritto il: 12 ago 2012, 1:20
- Località: Londra
34 messaggi
• Pagina 1 di 4 • 1, 2, 3, 4
Chi c’è in linea
Visitano il forum: Google [Bot] e 47 ospiti

Elettrotecnica e non solo (admin)
Un gatto tra gli elettroni (IsidoroKZ)
Esperienza e simulazioni (g.schgor)
Moleskine di un idraulico (RenzoDF)
Il Blog di ElectroYou (webmaster)
Idee microcontrollate (TardoFreak)
PICcoli grandi PICMicro (Paolino)
Il blog elettrico di carloc (carloc)
DirtEYblooog (dirtydeeds)
Di tutto... un po' (jordan20)
AK47 (lillo)
Esperienze elettroniche (marco438)
Telecomunicazioni musicali (clavicordo)
Automazione ed Elettronica (gustavo)
Direttive per la sicurezza (ErnestoCappelletti)
EYnfo dall'Alaska (mir)
Apriamo il quadro! (attilio)
H7-25 (asdf)
Passione Elettrica (massimob)
Elettroni a spasso (guidob)
Bloguerra (guerra)











pigreco]=π