Vi propongo un altro esercizio di elettronica che non riesco a risolvere
Il testo:
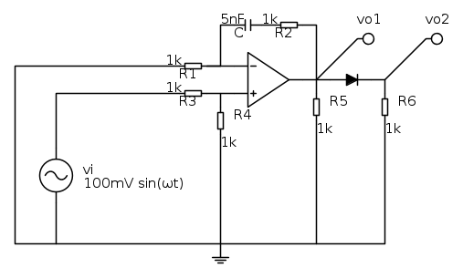
Sia vi un generatore di tensione ideale (di segnale) a valore medio nullo.
Considerare l’amplificatore operazionale ideale, ed il diodo descritto dalla caratteristica
riportata in figura.
- Determinare la funzione di trasferimento
e tracciarne i diagrammi di Bode. - Determinare l’espressione analitica di
per
per 
Disegnare l’andamento temporale qualitativo di
e confrontarlo con l’andamento
temporale di
, specificando le condizioni di funzionamento del diodo. - Determinare l’espressione analitica di
per
per 
Disegnare l’andamento temporale qualitativo di
e confrontarlo con l’andamento
temporale di
, specificando le condizioni di funzionamento del diodo.
Io ho calcolato la funzione di trasferimento del sistema da cui ricavo questo diagramma di Bode, trovando che la frequenza di taglio è
Il secondo punto però non riesco a farlo... Il terzo invece si in quanto il condensatore non lo considero e quindi l'uscita vale semplicemente
.Grazie per la pazienza

Elettrotecnica e non solo (admin)
Un gatto tra gli elettroni (IsidoroKZ)
Esperienza e simulazioni (g.schgor)
Moleskine di un idraulico (RenzoDF)
Il Blog di ElectroYou (webmaster)
Idee microcontrollate (TardoFreak)
PICcoli grandi PICMicro (Paolino)
Il blog elettrico di carloc (carloc)
DirtEYblooog (dirtydeeds)
Di tutto... un po' (jordan20)
AK47 (lillo)
Esperienze elettroniche (marco438)
Telecomunicazioni musicali (clavicordo)
Automazione ed Elettronica (gustavo)
Direttive per la sicurezza (ErnestoCappelletti)
EYnfo dall'Alaska (mir)
Apriamo il quadro! (attilio)
H7-25 (asdf)
Passione Elettrica (massimob)
Elettroni a spasso (guidob)
Bloguerra (guerra)




sia scarico... penso. Per la frequenza di taglio hai ragione è la frequenza dello 0, e perché dici che non è a
fin qui è giusto?
. Per il calcolo delle singolarità pongo a zero il numeratore per li zeri e a zero il denominatore per i poli... sbaglio? (evidentemente si 


