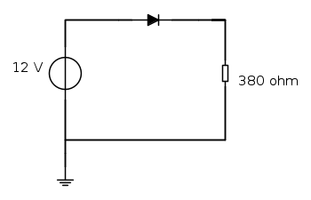
Buongiorno a tutti, partendo da questa configurazione, con alimentatore di tensione (12 V), un diodo e una resistenza (380 ohm):
Mi si chiede di calcolare la corrente che attraversa il diodo nei seguenti casi:
Nel primo caso: il diodo è ideale
Nel secondo caso: la tensione di soglia è pari a 0,7 V
Nel terzo caso: la tensione di soglia è pari a 0,7 V e la resistenza a 8 Ohm
Potete dirmi se ho svolto l'esercizio correttamente ?
1) I = V / R ----> I = 12/380
2) I = V-Vγ / R ----> I = 12-0,7/380
3) I = V-Vγ / R+R1 ----> I = 12-0,7/388
Grazie mille.
Risoluzione circuito con diodo
Moderatori:
carloc,
g.schgor,
BrunoValente,
IsidoroKZ
5 messaggi
• Pagina 1 di 1
0
voti
1) si;
2) non proprio;
3) come sopra.
metti qualche parentesi e scrivi in
le formule, magari ci capiamo meglio 
PS: immagino che la polarità del generatore di tensione di tensione abbia il positivo verso l'alto, altrimenti il diodo non condurrebbe in nessuno dei tre casi, ma è sempre opportuno metterlo.
2) non proprio;
3) come sopra.
metti qualche parentesi e scrivi in
le formule, magari ci capiamo meglio 
PS: immagino che la polarità del generatore di tensione di tensione abbia il positivo verso l'alto, altrimenti il diodo non condurrebbe in nessuno dei tre casi, ma è sempre opportuno metterlo.
0
voti
Da come sono formulate le tre domande si capisce che non si sta considerando un diodo reale quindi a mio parere l'esercizio è svolto in modo corretto in tutti e tre i punti.
Stefano
Stefano
-

stefanodelfiore
1.673 3 8 - Master

- Messaggi: 569
- Iscritto il: 28 mar 2009, 20:15
- Località: Bologna
5 messaggi
• Pagina 1 di 1
Chi c’è in linea
Visitano il forum: Nessuno e 45 ospiti

Elettrotecnica e non solo (admin)
Un gatto tra gli elettroni (IsidoroKZ)
Esperienza e simulazioni (g.schgor)
Moleskine di un idraulico (RenzoDF)
Il Blog di ElectroYou (webmaster)
Idee microcontrollate (TardoFreak)
PICcoli grandi PICMicro (Paolino)
Il blog elettrico di carloc (carloc)
DirtEYblooog (dirtydeeds)
Di tutto... un po' (jordan20)
AK47 (lillo)
Esperienze elettroniche (marco438)
Telecomunicazioni musicali (clavicordo)
Automazione ed Elettronica (gustavo)
Direttive per la sicurezza (ErnestoCappelletti)
EYnfo dall'Alaska (mir)
Apriamo il quadro! (attilio)
H7-25 (asdf)
Passione Elettrica (massimob)
Elettroni a spasso (guidob)
Bloguerra (guerra)





