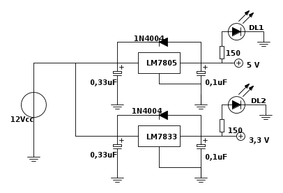
Salve a tutti vorrei postarmi un circuito che vorrei realizzare un alimentatore da 5Vcc e 3,3Vcc dalla sorgente di 12Vcc. Avrei da farvi vedere lo schema che vorrei realizzare sono un ragazzo appassionato di elettronica e vorrei sapere se può funzionare grazie mille a tutti
Alimentatore 5 V in c.c. e 3,3 V in c.c.
Moderatori:
carloc,
g.schgor,
BrunoValente,
IsidoroKZ
38 messaggi
• Pagina 1 di 4 • 1, 2, 3, 4
0
voti
0
voti
Se alimenti anche il 7833 potrebbe funzionare.
Hai messo condensatori elettrolitici, perché non poliestere come da datasheet?
Conta che la corrente erogabile è limitata, dipende molto da cosa devi alimentare, per cosa ti serve?
Hai messo condensatori elettrolitici, perché non poliestere come da datasheet?
Conta che la corrente erogabile è limitata, dipende molto da cosa devi alimentare, per cosa ti serve?
-

rusty
4.075 2 9 11 - Utente disattivato per decisione dell'amministrazione proprietaria del sito
- Messaggi: 1578
- Iscritto il: 25 gen 2009, 13:10
0
voti
0
voti
Grazie a tutti per l'interessamento e mi scuso per il piccolo errore di dimenticanza del collegamento
comunque vanno meglio i condensatori poliestere che quelli elettrolitici sugli Lm ?
Io vorrei ricavare una corrente massima dal 5Volt di 1A e dal 3,3Volt di 100mA è fattibile con questi due componenti?
Grazie mille
comunque vanno meglio i condensatori poliestere che quelli elettrolitici sugli Lm ?
Io vorrei ricavare una corrente massima dal 5Volt di 1A e dal 3,3Volt di 100mA è fattibile con questi due componenti?
Grazie mille
1
voti
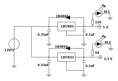
Forse meglio cosi':
Per il 3.3V non ci sono problemi, per il 5V 1A sono tantini, anche se entro i limiti (sei al limite praticamente) dovrai mettere obbligatoriamente un dissipatore adeguato.
Consiglio i poliestere.
Ho modificato il resistore per il led connesso alla 3.3V, otherwise ne avrai uno di luminosita' diverso dall'altro essendo alimentati da tensioni diverse.
Ho contato 2V@20mA per entrambe i led.
Cosa devi alimentare?
Per il 3.3V non ci sono problemi, per il 5V 1A sono tantini, anche se entro i limiti (sei al limite praticamente) dovrai mettere obbligatoriamente un dissipatore adeguato.
Consiglio i poliestere.
Ho modificato il resistore per il led connesso alla 3.3V, otherwise ne avrai uno di luminosita' diverso dall'altro essendo alimentati da tensioni diverse.
Ho contato 2V@20mA per entrambe i led.
Cosa devi alimentare?
-

rusty
4.075 2 9 11 - Utente disattivato per decisione dell'amministrazione proprietaria del sito
- Messaggi: 1578
- Iscritto il: 25 gen 2009, 13:10
0
voti
Grazie mille rusty, e se volessi più corrente cosa dovrei adottare come limitatore di tensione sul 5Vcc?
0
voti
Daddi ha scritto:se volessi più corrente cosa dovrei adottare...
in quest'articolo by
38 messaggi
• Pagina 1 di 4 • 1, 2, 3, 4
Chi c’è in linea
Visitano il forum: Google [Bot] e 50 ospiti

Elettrotecnica e non solo (admin)
Un gatto tra gli elettroni (IsidoroKZ)
Esperienza e simulazioni (g.schgor)
Moleskine di un idraulico (RenzoDF)
Il Blog di ElectroYou (webmaster)
Idee microcontrollate (TardoFreak)
PICcoli grandi PICMicro (Paolino)
Il blog elettrico di carloc (carloc)
DirtEYblooog (dirtydeeds)
Di tutto... un po' (jordan20)
AK47 (lillo)
Esperienze elettroniche (marco438)
Telecomunicazioni musicali (clavicordo)
Automazione ed Elettronica (gustavo)
Direttive per la sicurezza (ErnestoCappelletti)
EYnfo dall'Alaska (mir)
Apriamo il quadro! (attilio)
H7-25 (asdf)
Passione Elettrica (massimob)
Elettroni a spasso (guidob)
Bloguerra (guerra)








