Ho amplificato un segnale audio e sullo speaker sento bene il suono:
Ora, per esperimento, vorrei filtrare una sola frequenza con un filtro passa-banda, per sentire la differenza.
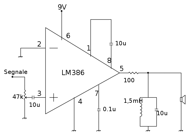
Ho provato a sostituire i filtraggi di uscita con un filtro passivo, così:
che dovrebbe attenuare tutte le frequenze diverse da 1.3kHz circa, ma il suono non varia per niente dal punto di vista della frequenza, almeno così sembra, anche se perde intensità a causa della resistenza da 100ohm in serie allo speaker.
Come mai questo filtro passa-banda non filtra come dovrebbe?
Come potrei ottenere il risultato che desidero?
Magari con un filtro attivo?
Filtro Band Pass per segnale audio
Moderatori:
carloc,
g.schgor,
BrunoValente,
IsidoroKZ
46 messaggi
• Pagina 1 di 5 • 1, 2, 3, 4, 5
1
voti
Il filtro viene neutralizzato dal parallelo dell'altoparlante.
Devi almeno disaccoppiarlo interponendo un inseguitore di tensione
non invertente.
L'alternativa è un filtro attivo.
Devi almeno disaccoppiarlo interponendo un inseguitore di tensione
non invertente.
L'alternativa è un filtro attivo.
0
voti
g.schgor ha scritto:Il filtro viene neutralizzato dal parallelo dell'altoparlante.
Devi almeno disaccoppiarlo interponendo un inseguitore di tensione
non invertente.
L'alternativa è un filtro attivo.
Caspita è vero, non ci avevo pensato! Dopotutto l'altoparlante non è altro che un impedenza di pochissimi ohm!
Grazie mille per il consiglio, proverò entrambe le soluzioni
Prima provo con l'inseguitore di tensione, in questa configurazione dovrebbe andar bene secondo te?
0
voti
Ho provato ma non è andata molto bene!
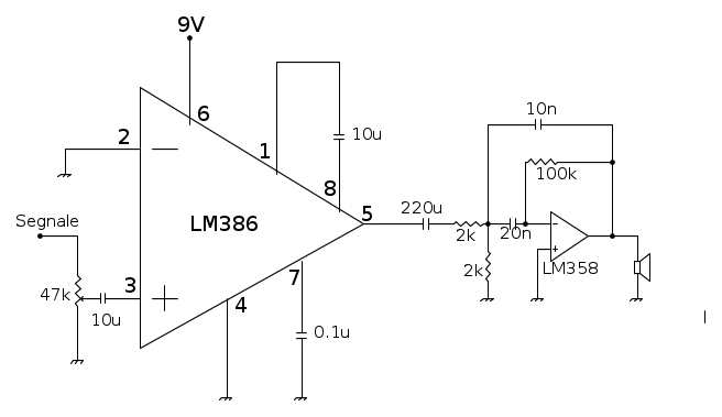
Il segnale in uscita era davvero troppo basso, perciò ho provato con un Passa-Banda attivo, secondo la seguente configurazione:
Utilizzando questi valori per il Passa-Banda dovrei ottenere:
f0 = 1073 Hz
Q = 4.64
L'OpAmp è un LM358.
In uscita l'audio, a orecchio, sembra spettralmente invariato, seppure sia leggermente più distorto, ma non si sente per niente l'influenza del filtro Passa-Banda. Ho anche provato a generare delle onde quadre di diversa frequenza e infatti esse escono dal filtro tutte pressapoco con lo stesso volume.
Potreste aiutarmi a capire se sto sbagliando qualcosa? Grazie infinite
Il segnale in uscita era davvero troppo basso, perciò ho provato con un Passa-Banda attivo, secondo la seguente configurazione:
Utilizzando questi valori per il Passa-Banda dovrei ottenere:
f0 = 1073 Hz
Q = 4.64
L'OpAmp è un LM358.
In uscita l'audio, a orecchio, sembra spettralmente invariato, seppure sia leggermente più distorto, ma non si sente per niente l'influenza del filtro Passa-Banda. Ho anche provato a generare delle onde quadre di diversa frequenza e infatti esse escono dal filtro tutte pressapoco con lo stesso volume.
Potreste aiutarmi a capire se sto sbagliando qualcosa? Grazie infinite
1
voti
A occhio, io proverei ad aumentare il valore della resistenza da 2k (quella verso massa), diciamo intorno ai 10k, e quindi ricalcolare tutto il filtro.
Poi, non ho capito di che tipo di "applicazione audio" si parla, ma evenualmente potresti pensare a qualcosa di più performante rispetto al LM358.
Poi, non ho capito di che tipo di "applicazione audio" si parla, ma evenualmente potresti pensare a qualcosa di più performante rispetto al LM358.
0
voti
Ti ringrazio stasera provo!
Ho scelto un LM358 perché è l'unico che riesco quasi sempre a far funzionare. A casa ho anche dei TL081 e dei LM386 ma non so ancora usarli bene se non ho lo schema preciso da seguire, mi mette in crisi il fatto che hanno tutte quelle porte in più (bypass, gain ecc) che non ho ancora imparato bene ad usare
Ho scelto un LM358 perché è l'unico che riesco quasi sempre a far funzionare. A casa ho anche dei TL081 e dei LM386 ma non so ancora usarli bene se non ho lo schema preciso da seguire, mi mette in crisi il fatto che hanno tutte quelle porte in più (bypass, gain ecc) che non ho ancora imparato bene ad usare
1
voti
Tricka90 ha scritto:Utilizzando questi valori per il Passa-Banda dovrei ottenere:
f0 = 1073 Hz
Q = 4.64
Che tipo di risposta vuoi ottenere (quindi quali sono le specifiche del filtro) ?
Come hai calcolato i valori dei componenti?
1
voti
simo85 ha scritto:Che tipo di risposta vuoi ottenere (quindi quali sono le specifiche del filtro) ?
Come hai calcolato i valori dei componenti?
Vorrei riuscire a eliminare il più possibile tutte le frequenze che non siano la frequenza f0 del filtro. Più le elimino meglio è, non ti saprei dare specifiche precise purtroppo.
I componenti, coi loro valori, li ho copiati pari pari da un esercizio del mio libro di elettronica, (http://www.csie.ntu.edu.tw/~b99902061/4 ... 380458.pdf) pagina 721. Ho pensato che quei valori di Q e di f0 fossero un buon punto di partenza. I miei alla fine sono un po' diversi perché ho dovuto usare due condensatori differenti e quindi ricalcolare f0 e Q.
1
voti
Tricka90 ha scritto:Vorrei riuscire a eliminare il più possibile tutte le frequenze che non siano la frequenza f0 del filtro. Più le elimino meglio è, non ti saprei dare specifiche precise purtroppo.
È normale che tu voglia attenuare tutte le frequenze
Per esempio, dovresti scegliere secondo quali specifiche determinare la risposta in frequenza, la attenuazione, determinare l'ordine del filtro etc.
L' esempio del libro suppone che le specifiche del filtro siano già state determinate.
In altre parole:
- 1) Prima si danno / scelgono delle specifiche del filtro.
- 2) Successivamente, a seconda delle specifiche e della configurazione scelta, si scelgono e si calcolano i componenti.
Se si scelgono solo i componenti calcolandoli con le formule cosi come appena fatto, si finisce montando un circuito che non funziona secondo i requisiti di cui avevamo bisogno. Per esempio, il
lo si deve conoscere ancora prima di calcolare i componenti. Trattandosi di un filtro audio, come risposta in frequenza penso che potresti valutare una approssimazione di Butterwoorth o di Bessel.
46 messaggi
• Pagina 1 di 5 • 1, 2, 3, 4, 5
Chi c’è in linea
Visitano il forum: Nessuno e 129 ospiti

Elettrotecnica e non solo (admin)
Un gatto tra gli elettroni (IsidoroKZ)
Esperienza e simulazioni (g.schgor)
Moleskine di un idraulico (RenzoDF)
Il Blog di ElectroYou (webmaster)
Idee microcontrollate (TardoFreak)
PICcoli grandi PICMicro (Paolino)
Il blog elettrico di carloc (carloc)
DirtEYblooog (dirtydeeds)
Di tutto... un po' (jordan20)
AK47 (lillo)
Esperienze elettroniche (marco438)
Telecomunicazioni musicali (clavicordo)
Automazione ed Elettronica (gustavo)
Direttive per la sicurezza (ErnestoCappelletti)
EYnfo dall'Alaska (mir)
Apriamo il quadro! (attilio)
H7-25 (asdf)
Passione Elettrica (massimob)
Elettroni a spasso (guidob)
Bloguerra (guerra)









