Salve a tutti sono nuovamente io e i miei dubbi...
in questo circuito come si calcola la I di Norton e la I che scorre nel ramo del diodo? con thevenin l'ho capita
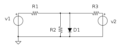
Circuito con diodo da svolgere con Norton
Moderatori:
carloc,
g.schgor,
BrunoValente,
IsidoroKZ
8 messaggi
• Pagina 1 di 1
4
voti
Fai i disegni usando la libreria standard, cosi` si puo` prendere il disegno editarlo, modificarlo... e se vuoi una spiegazione e` meglio darla con uno schema davanti, ma non ho neanche voglia di rifarlo ex novo.
Per usare proficuamente un simulatore, bisogna sapere molta più elettronica di lui
Plug it in - it works better!
Il 555 sta all'elettronica come Arduino all'informatica! (entrambi loro malgrado)
Se volete risposte rispondete a tutte le mie domande
Plug it in - it works better!
Il 555 sta all'elettronica come Arduino all'informatica! (entrambi loro malgrado)
Se volete risposte rispondete a tutte le mie domande
2
voti
Qualcosa del genere, pero` fallo tu. E fai vedere sullo schema quali sono i passi che fai per trovare l'equivalmente Norton, di qualche parte del circuito cerchi l'equivalente...
Per usare proficuamente un simulatore, bisogna sapere molta più elettronica di lui
Plug it in - it works better!
Il 555 sta all'elettronica come Arduino all'informatica! (entrambi loro malgrado)
Se volete risposte rispondete a tutte le mie domande
Plug it in - it works better!
Il 555 sta all'elettronica come Arduino all'informatica! (entrambi loro malgrado)
Se volete risposte rispondete a tutte le mie domande
1
voti
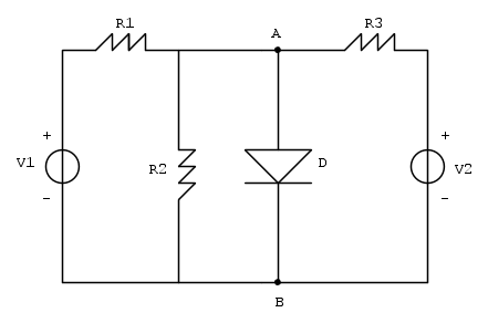
apro il ramo AB
faccio il parallelo tra le varie resistenze ed ottengo Req. Ora applico Norton cortocircuitando i generatori di tensione.
faccio il parallelo tra le varie resistenze ed ottengo Req. Ora applico Norton cortocircuitando i generatori di tensione.
-

LoScienziato
10 4 - New entry

- Messaggi: 87
- Iscritto il: 5 gen 2015, 20:59
0
voti
Ok che togli la parte che non vuoi includere nell'equivalente. Poi la resistenza equivalente come la calcoli? Raccontami i vari passi.
Se al posto del generatore di tensione V1 ci fosse stato un generatore di corrente I1, quanto sarebbe stata la resistenza equivalente?
Come e` fatto l'equivalente Norton che sai cercando? Fai lo schema.
Fai i disegni con la libreria standard, non copiando quelli di
simo85 che stava provando una nuova libreria.
Se al posto del generatore di tensione V1 ci fosse stato un generatore di corrente I1, quanto sarebbe stata la resistenza equivalente?
Come e` fatto l'equivalente Norton che sai cercando? Fai lo schema.
Fai i disegni con la libreria standard, non copiando quelli di
Per usare proficuamente un simulatore, bisogna sapere molta più elettronica di lui
Plug it in - it works better!
Il 555 sta all'elettronica come Arduino all'informatica! (entrambi loro malgrado)
Se volete risposte rispondete a tutte le mie domande
Plug it in - it works better!
Il 555 sta all'elettronica come Arduino all'informatica! (entrambi loro malgrado)
Se volete risposte rispondete a tutte le mie domande
0
voti
IsidoroKZ ha scritto:Ok che togli la parte che non vuoi includere nell'equivalente. Poi la resistenza equivalente come la calcoli? Raccontami i vari passi.
il parallelo tra i 3 resistori
IsidoroKZ ha scritto:Se al posto del generatore di tensione V1 ci fosse stato un generatore di corrente I1, quanto sarebbe stata la resistenza equivalente?
non l'ho mai fatto e non so come si faccia
IsidoroKZ ha scritto:Come e` fatto l'equivalente Norton che sai cercando? Fai lo schema.
non è lo schema che ho già riportato?
-

LoScienziato
10 4 - New entry

- Messaggi: 87
- Iscritto il: 5 gen 2015, 20:59
1
voti
La domanda era come e` fatto un generico equivalente Norton? Fai lo schema. Non e` quello che hai fatto qualche messaggio fa. Prendi il libro e dai una ripassata agli equivalenti.
Poi mi incuriosisce che non sai come trattare un generatore di corrente in un equivalente pero` devi fare gli equivalenti.
Poi mi incuriosisce che non sai come trattare un generatore di corrente in un equivalente pero` devi fare gli equivalenti.
Per usare proficuamente un simulatore, bisogna sapere molta più elettronica di lui
Plug it in - it works better!
Il 555 sta all'elettronica come Arduino all'informatica! (entrambi loro malgrado)
Se volete risposte rispondete a tutte le mie domande
Plug it in - it works better!
Il 555 sta all'elettronica come Arduino all'informatica! (entrambi loro malgrado)
Se volete risposte rispondete a tutte le mie domande
8 messaggi
• Pagina 1 di 1
Chi c’è in linea
Visitano il forum: Nessuno e 58 ospiti

Elettrotecnica e non solo (admin)
Un gatto tra gli elettroni (IsidoroKZ)
Esperienza e simulazioni (g.schgor)
Moleskine di un idraulico (RenzoDF)
Il Blog di ElectroYou (webmaster)
Idee microcontrollate (TardoFreak)
PICcoli grandi PICMicro (Paolino)
Il blog elettrico di carloc (carloc)
DirtEYblooog (dirtydeeds)
Di tutto... un po' (jordan20)
AK47 (lillo)
Esperienze elettroniche (marco438)
Telecomunicazioni musicali (clavicordo)
Automazione ed Elettronica (gustavo)
Direttive per la sicurezza (ErnestoCappelletti)
EYnfo dall'Alaska (mir)
Apriamo il quadro! (attilio)
H7-25 (asdf)
Passione Elettrica (massimob)
Elettroni a spasso (guidob)
Bloguerra (guerra)




