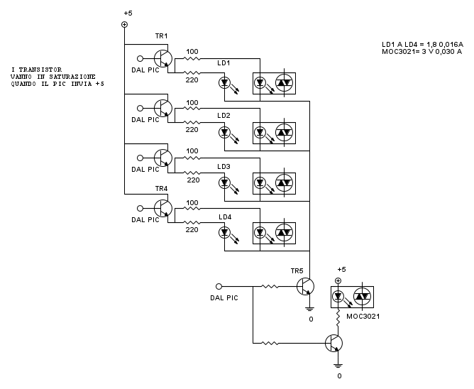
salve,non vi descrivo intero circuito perche molto complesso,secondo voi i transistor disposti in questo modo possono funzionare? o messo tutti NPN ( collettore al Positivo) ma non sono molto convinto...
Il funzionamento è il seguente...il transistore TR5 funge da interruttore per il generale Negativo...quindi se questo non si trova in saturazione,attivando uno dei TR1 TR2 TR3 TR4 non si accende nessun led...
mentre se TR5 è in saturazione in base al transistor (TR1 TR2 TR3 TR4) attivo,si accende il corrispettivo led...
che transistor mi consigliate? e cosa modifichereste...
PNP O NPN...quale utilizzare per questo schema?
Moderatori:
carloc,
g.schgor,
BrunoValente,
IsidoroKZ
15 messaggi
• Pagina 1 di 2 • 1, 2
0
voti
Cosi` funziona. Ma puoi evitare il transistore di sotto via software: se devi spegnere fai che mettere a zero tutte le signole uscite.
Inoltre se metti i due led in serie con una resistenza, probabilmente il microcontrollore ce la fa ad accenderli direttamente, dovrebbe erogare abbastanza corrente. In questo modo eviti tutti i transistori.
Inoltre se metti i due led in serie con una resistenza, probabilmente il microcontrollore ce la fa ad accenderli direttamente, dovrebbe erogare abbastanza corrente. In questo modo eviti tutti i transistori.
Per usare proficuamente un simulatore, bisogna sapere molta più elettronica di lui
Plug it in - it works better!
Il 555 sta all'elettronica come Arduino all'informatica! (entrambi loro malgrado)
Se volete risposte rispondete a tutte le mie domande
Plug it in - it works better!
Il 555 sta all'elettronica come Arduino all'informatica! (entrambi loro malgrado)
Se volete risposte rispondete a tutte le mie domande
0
voti
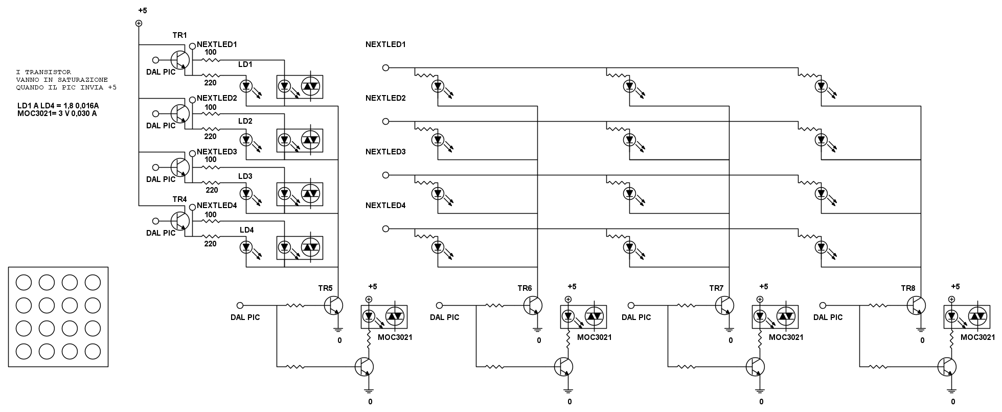
Ciao,Grazie Isidoro,si se il circuito si chiudeva li ok...ma finito completo si presenta cosi...è non saprei che transistor scegliere...(per la questione assorbimento)
PS:è una centralina per led matrix,utilizzato per lampade alogene...
che modello di transistor mi consigli?
PS:è una centralina per led matrix,utilizzato per lampade alogene...
che modello di transistor mi consigli?
-

carlomusumeci
353 5 7 - Sostenitore

- Messaggi: 526
- Iscritto il: 8 apr 2011, 0:35
0
voti
Qualunque transistor piccolino npn va bene, BC337, 2N2222... Quanta corrente fai passare nei led? Una ventina di milliampere? Fanno 100mA in tutto, non ci sono problemi.
Per usare proficuamente un simulatore, bisogna sapere molta più elettronica di lui
Plug it in - it works better!
Il 555 sta all'elettronica come Arduino all'informatica! (entrambi loro malgrado)
Se volete risposte rispondete a tutte le mie domande
Plug it in - it works better!
Il 555 sta all'elettronica come Arduino all'informatica! (entrambi loro malgrado)
Se volete risposte rispondete a tutte le mie domande
0
voti
E se non erro fino a 800 mA il 337 se li pilota tranquillamente...quindi lascio tutto come si trova con i 337...giusto?
-

carlomusumeci
353 5 7 - Sostenitore

- Messaggi: 526
- Iscritto il: 8 apr 2011, 0:35
0
voti
Tranquillamente 800mA il 337 forse no, ma 100mA senza problemi, neanche di dissipazione.
Per usare proficuamente un simulatore, bisogna sapere molta più elettronica di lui
Plug it in - it works better!
Il 555 sta all'elettronica come Arduino all'informatica! (entrambi loro malgrado)
Se volete risposte rispondete a tutte le mie domande
Plug it in - it works better!
Il 555 sta all'elettronica come Arduino all'informatica! (entrambi loro malgrado)
Se volete risposte rispondete a tutte le mie domande
0
voti
Son dello stesso parere di
Candy, chiedevi quale usare,
tieni presente che se usi un transistor a collettore comune, quelli che hai postati nel post1, non hai inversione tra il segnale di controllo ed il segnale di uscita, ma non avrai mai la saturazione, per averla dovresti mandare la base oltre la tensione di alimentazione; avendo quindi sia il problema del riscaldamento del transistor sia una tensione non perfettamente stabile sul carico (in questo caso non ha molta importanza questo).
Quindi usare per il possibile transistor ad emettitore comune, ovvio però che i segnali di ingresso li troverai invertiti e dovrai usare una rete di polarizzazione per le basi......
altrimenti usare mosfet con ingresso 5V, elimini anche le reti di polarizzazione e scaldano zero.
saluti.
tieni presente che se usi un transistor a collettore comune, quelli che hai postati nel post1, non hai inversione tra il segnale di controllo ed il segnale di uscita, ma non avrai mai la saturazione, per averla dovresti mandare la base oltre la tensione di alimentazione; avendo quindi sia il problema del riscaldamento del transistor sia una tensione non perfettamente stabile sul carico (in questo caso non ha molta importanza questo).
Quindi usare per il possibile transistor ad emettitore comune, ovvio però che i segnali di ingresso li troverai invertiti e dovrai usare una rete di polarizzazione per le basi......
altrimenti usare mosfet con ingresso 5V, elimini anche le reti di polarizzazione e scaldano zero.
saluti.
-

lelerelele
4.899 3 7 9 - Master

- Messaggi: 5505
- Iscritto il: 8 giu 2011, 8:57
- Località: Reggio Emilia
1
voti
Secondo me funziona anche in quel modo: la caduta di tensione e` minore di 1V, e anche se non e` precisa va bene lo stesso, la corrente assorbita dalla base e` minore di 1mA perche' si usa tutto il guadagno in linearita` del transistore, e anche 1V di caduta per 100mA fanno 100mW, la resistenza termica e` dalle parti di 200K/W che fa un riscaldamento di 20K, non ci vedo nulla di male.
Questo e` uno dei pochi casi in cui un interruttore "ideale" non serve, dato che poi c'e` un generatore di corrente, dato dalla resistenza.
Questo e` uno dei pochi casi in cui un interruttore "ideale" non serve, dato che poi c'e` un generatore di corrente, dato dalla resistenza.
Per usare proficuamente un simulatore, bisogna sapere molta più elettronica di lui
Plug it in - it works better!
Il 555 sta all'elettronica come Arduino all'informatica! (entrambi loro malgrado)
Se volete risposte rispondete a tutte le mie domande
Plug it in - it works better!
Il 555 sta all'elettronica come Arduino all'informatica! (entrambi loro malgrado)
Se volete risposte rispondete a tutte le mie domande
0
voti
Vabene,vi ringrazio.diciamo che cosi come lo fatto va comunque bene,,,
-

carlomusumeci
353 5 7 - Sostenitore

- Messaggi: 526
- Iscritto il: 8 apr 2011, 0:35
15 messaggi
• Pagina 1 di 2 • 1, 2
Chi c’è in linea
Visitano il forum: Nessuno e 168 ospiti

Elettrotecnica e non solo (admin)
Un gatto tra gli elettroni (IsidoroKZ)
Esperienza e simulazioni (g.schgor)
Moleskine di un idraulico (RenzoDF)
Il Blog di ElectroYou (webmaster)
Idee microcontrollate (TardoFreak)
PICcoli grandi PICMicro (Paolino)
Il blog elettrico di carloc (carloc)
DirtEYblooog (dirtydeeds)
Di tutto... un po' (jordan20)
AK47 (lillo)
Esperienze elettroniche (marco438)
Telecomunicazioni musicali (clavicordo)
Automazione ed Elettronica (gustavo)
Direttive per la sicurezza (ErnestoCappelletti)
EYnfo dall'Alaska (mir)
Apriamo il quadro! (attilio)
H7-25 (asdf)
Passione Elettrica (massimob)
Elettroni a spasso (guidob)
Bloguerra (guerra)



